|
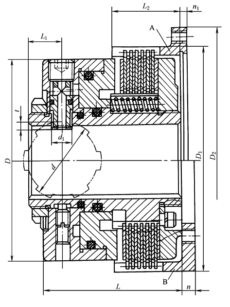
活塞式多盘液压离合器的性能及主要尺寸 mm |
||||||||||||||||||
|
|
||||||||||||||||||
|
d |
许用 动转矩 /N·m |
许用 静转矩 /N·m |
工作 压力 /MPa |
转动惯量 /kg·m2 |
缸容积 /cm3 |
允许相 对转速 /r·min-1 |
t |
D |
D1 |
D2 |
d1 |
L |
L1 |
L2 |
n |
n1 |
||
|
内侧 |
外侧 |
最小 |
最大 |
|||||||||||||||
|
35×30×10 40×35×10 |
160 |
250 |
2 |
0.008 |
0.003 |
20 |
33.5 |
3000 |
6 |
110 |
120 |
145 |
13.5 |
90 |
19 |
40 |
8 |
5 |
|
40×35×10 45×40×12 50×45×12 |
250 |
400 |
2 |
0.013 |
0.005 |
25 |
45 |
2500 |
6 |
125 |
140 |
165 |
13.5 |
95 |
20 |
42 |
8 |
6 |
|
50×45×12 55×50×14 60×54×14 |
400 |
630 |
2 |
0.021 |
0.010 |
30 |
53 |
2120 |
7.5 |
140 |
160 |
185 |
15.5 |
100 |
21 |
42 |
8 |
6 |
|
60×54×14 65×58×16 70×62×16 |
630 |
1000 |
2 |
0.044 |
0.020 |
63 |
106 |
1800 |
7.5 |
160 |
180 |
210 |
15.5 |
115 |
24 |
52 |
10 |
6 |
|
10 |
||||||||||||||||||
|
65×58×16 72×62×16 75×65×16 |
1000 |
1600 |
2 |
0.075 |
0.038 |
87 |
145 |
1600 |
7.5 |
180 |
210 |
240 |
15.5 |
120 |
24 |
52 |
10 |
6 |
|
10 |
||||||||||||||||||
|
注:1.许用动转矩是指在载荷下接合的许用转矩;许用静转矩是指在空载下接合的许用转矩。 2.工作压力是指油泵输出油路中的表压值,油泵至离合器油缸间的管路压力损失小于等于0.25MPa。 3.外片连接件可根据需要制成A、B两种形式之一。 |
||||||||||||||||||

