|
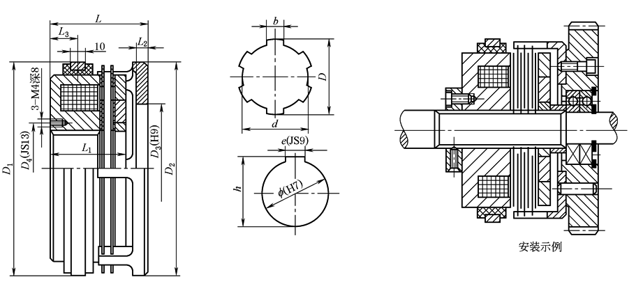
DLMO系列有滑环湿式多片电磁离合器 |
|||||||||||||||||||||
|
|
|||||||||||||||||||||
|
规格 |
额定动 转矩 /N·m |
额定静 转矩 /N·m |
空载转矩 /N·m ≤ |
接通时间 /s ≤ |
断开时间 /s ≤ |
额定电压 (DC)/V |
线圈消耗 功率 (20℃) /W |
允许最高 转速 /r·min-1 |
质量 /kg |
供油量 /L·min-1 |
电刷型号 |
||||||||||
|
2.5 |
12 |
25 |
0.4 |
0.28 |
0.10 |
24 |
13 |
3500 |
1.78 |
0.25 |
DS-0.01 |
||||||||||
|
6.3 |
50 |
100 |
1 |
0.32 |
0.10 |
24 |
19 |
3000 |
2.8 |
0.40 |
|||||||||||
|
16 |
100 |
200 |
2 |
0.35 |
0.15 |
24 |
23 |
3000 |
4.66 |
0.65 |
|||||||||||
|
40 |
250 |
500 |
5 |
0.40 |
0.20 |
24 |
51 |
2000 |
9.0 |
1.00 |
|||||||||||
|
规格 |
D1 |
D2 |
D3 |
D4 |
D |
d |
b |
L |
L1 |
L2 |
L3 |
衔铁行程 |
e |
h |
|||||||
|
mm |
|||||||||||||||||||||
|
2.5 |
94 |
92 |
50 |
42 |
|
|
|
56 |
46.6 |
5 |
18.5 |
2.2 |
8 |
|
|||||||
|
6.3 |
116 |
113 |
65 |
52 |
|
|
|
60 |
48.2 |
5 |
18.5 |
2.8 |
12 |
|
|||||||
|
16 |
142 |
142 |
85 |
60 |
|
|
|
65 |
49.2 |
7.5 |
18.5 |
3.5 |
14 |
|
|||||||
|
40 |
176 |
178 |
105 |
86 |
|
|
|
80 |
62 |
10 |
22 |
4 |
18 |
|
|||||||
|
注:1.离合器工作时必须在摩擦片间加润滑油,供油方式为外浇油或油溶式,但其浸入油深为离合器外径的1/5~1/4。高速或频繁动作时应采用轴心供油,其量见本表。 2.安装示例为同轴安装齿轮输出,也可分轴安装,但主、从动轴都应轴向固定,不得窜动,且同轴度不低于9级。输出及安装方式由用户决定并实现。 3.生产厂家为天津机床电器有限公司。 |
|||||||||||||||||||||

