|
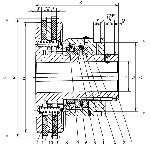
带辊子接合机构的双盘摩擦离合器结构尺寸 mm |
|||||||||||||||||||
|
1—输入轴;2—接合子;3—固定支承盘;4—接合辊子;5—活动支承盘;6—保持弹簧;7—锁紧螺钉; 8—可调接合环;9—加压盘;10—分离弹簧;11—中间盘;12—摩擦盘 |
|||||||||||||||||||
|
功率/kW |
孔A |
B |
E |
F |
G |
齿数 z |
模数 m |
R |
X |
K |
EE |
L |
M |
Q |
S |
T |
|||
|
单盘 |
双盘 |
单盘 |
双盘 |
单盘 |
双盘 |
||||||||||||||
|
0.7 |
1.4 |
19~32 |
97 |
110 |
125 |
120 |
112 |
48 |
2.5 |
19 |
8 |
6 |
0 |
6 |
88.9 |
76 |
2 |
5 |
13 |
|
1.1 |
2.2 |
22~35 |
130 |
143 |
150 |
144 |
120 |
48 |
3 |
27 |
10 |
6 |
0 |
6 |
118 |
98 |
2 |
7 |
16 |
|
1.8 |
3.6 |
25~41 |
135 |
135 |
176 |
168 |
154 |
42 |
4 |
27 |
11 |
8 |
0 |
8 |
130 |
111 |
2 |
7 |
16 |
|
2.6 |
5.2 |
35~51 |
154 |
173 |
220 |
210 |
190 |
42 |
5 |
27 |
13 |
10 |
0 |
10 |
152 |
133 |
2 |
8 |
18 |
|
6.0 |
12 |
43~64 |
170 |
189 |
270 |
258 |
240 |
43 |
6 |
33 |
16 |
10 |
0 |
10 |
178 |
152 |
2 |
8 |
19 |
|
11 |
22 |
57~83 |
202 |
227 |
318 |
306 |
290 |
51 |
6 |
37 |
18 |
13 |
0 |
13 |
210 |
184 |
2 |
10 |
22 |
|
16.8 |
33.6 |
64~94 |
221 |
247 |
372 |
360 |
340 |
60 |
6 |
43 |
22 |
13 |
0 |
13 |
235 |
206 |
2 |
13 |
22 |
|
21.3 |
42.6 |
64~94 |
221 |
247 |
414 |
402 |
380 |
67 |
6 |
43 |
22 |
13 |
0 |
13 |
235 |
206 |
2 |
13 |
22 |
|
25.7 |
51.4 |
64~114 |
262 |
293 |
462 |
450 |
430 |
75 |
6 |
48 |
22 |
16 |
0 |
16 |
235 |
206 |
2 |
13 |
22 |
|
34.2 |
68.4 |
70~127 |
262 |
293 |
534 |
522 |
500 |
87 |
6 |
48 |
24 |
16 |
0 |
16 |
254 |
219 |
2 |
13 |
25 |
|
48 |
96.0 |
89~152 |
326 |
364 |
606 |
594 |
570 |
99 |
6 |
57 |
32 |
19 |
0 |
19 |
305 |
267 |
2 |
16 |
32 |
|
71 |
142 |
89~152 |
329 |
367 |
678 |
666 |
645 |
111 |
6 |
57 |
35 |
19 |
0 |
19 |
305 |
267 |
2 |
16 |
32 |
|
81 |
162 |
114~178 |
383 |
427 |
750 |
738 |
720 |
123 |
6 |
70 |
35 |
22 |
0 |
22 |
350 |
305 |
2 |
16 |
38 |
|
118 |
236 |
127~178 |
395 |
440 |
894 |
882 |
860 |
147 |
6 |
70 |
40 |
22 |
0 |
22 |
350 |
305 |
2 |
16 |
38 |
|
注:表中功率值是指100r/min时的功率。 |
|||||||||||||||||||

