|
圆锥形轴孔和键槽型式及尺寸 (GB/T 3852—1997) |
|||||||||||||
|
轴 孔 型 式 |
键 槽 型 式
C型—平键单键槽 |
||||||||||||
|
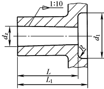
Z型—有沉孔的长圆锥形轴孔 |
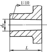
Z1型—无沉孔的长圆锥形轴孔 |
||||||||||||
|
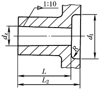
Z2型—有沉孔的短圆锥形轴孔 |
Z3型—无沉孔的短圆锥形轴孔 |
||||||||||||
|
表1 mm |
|||||||||||||
|
直 径 dz |
长 度 |
沉孔尺寸 |
C 型 键 槽 |
||||||||||
|
公称 尺寸 |
极限偏差 H8 |
L |
L1 |
L2 |
d1 |
R |
b |
t2 |
|||||
|
Z、Z1型 |
Z2、Z3型 |
公称 尺寸 |
极限 偏差 P9 |
Z、Z1型 |
Z2、Z3型 |
极限 偏差 |
|||||||
|
6 |
|
12 |
— |
— |
— |
— |
— |
— |
— |
— |
— |
— |
|
|
7 |
|||||||||||||
|
8 |
14 |
||||||||||||
|
9 |
|
14 |
— |
— |
— |
— |
— |
— |
— |
— |
— |
— |
|
|
10 |
17 |
||||||||||||
|
11 |
|
2 |
|
6.1 |
|
||||||||
|
12 |
20 |
32 |
6.5 |
||||||||||
|
14 |
3 |
7.9 |
|||||||||||
|
16 |
30 |
18 |
42 |
30 |
38 |
1.5 |
8.7 |
9.0 |
|||||
|
18 |
4 |
|
10.1 |
10.4 |
|||||||||
|
19 |
|
10.6 |
10.9 |
||||||||||
|
20 |
38 |
24 |
52 |
38 |
10.9 |
11.2 |
|||||||
|
22 |
11.9 |
12.2 |
|||||||||||
|
24 |
5 |
13.4 |
13.7 |
||||||||||
|
25 |
44 |
26 |
62 |
44 |
48 |
13.7 |
14.2 |
||||||
|
28 |
15.2 |
15.7 |
|||||||||||
|
30 |
60 |
38 |
82 |
60 |
55 |
15.8 |
16.4 |
||||||
|
32 |
|
2.0 |
6 |
17.3 |
17.9 |
||||||||
|
35 |
18.8 |
19.4 |
|||||||||||
|
38 |
65 |
20.3 |
20.9 |
||||||||||
|
40 |
84 |
56 |
112 |
84 |
10 |
|
21.2 |
21.9 |
|
||||
|
42 |
22.2 |
22.9 |
|||||||||||
|
45 |
80 |
12 |
|
23.7 |
24.4 |
||||||||
|
48 |
25.2 |
25.9 |
|||||||||||
|
50 |
95 |
26.2 |
26.9 |
||||||||||
|
55 |
|
2.5 |
14 |
29.2 |
29.9 |
||||||||
|
56 |
29.7 |
30.4 |
|||||||||||
|
60 |
107 |
72 |
142 |
107 |
105 |
16 |
31.7 |
32.5 |
|||||
|
63 |
32.2 |
34.0 |
|||||||||||
|
65 |
34.2 |
35.0 |
|||||||||||
|
70 |
120 |
18 |
36.8 |
37.6 |
|||||||||
|
71 |
37.3 |
38.1 |
|||||||||||
|
75 |
39.3 |
40.1 |
|||||||||||
|
80 |
132 |
92 |
172 |
132 |
140 |
3.0 |
20 |
|
41.6 |
42.6 |
|||
|
85 |
|
44.1 |
45.1 |
||||||||||
|
90 |
160 |
22 |
47.1 |
48.1 |
|||||||||
|
95 |
49.6 |
50.6 |
|||||||||||
|
100 |
167 |
122 |
212 |
167 |
180 |
25 |
51.3 |
52.4 |
|||||
|
110 |
|
167 |
122 |
212 |
167 |
180 |
3.0 |
25 |
|
56.3 |
57.4 |
|
|
|
120 |
210 |
4.0 |
28 |
62.3 |
63.4 |
||||||||
|
125 |
|
64.8 |
65.9 |
||||||||||
|
130 |
202 |
152 |
252 |
202 |
235 |
66.4 |
67.6 |
||||||
|
140 |
32 |
|
72.4 |
73.6 |
|||||||||
|
150 |
265 |
77.4 |
78.6 |
||||||||||
|
160 |
242 |
182 |
302 |
242 |
36 |
82.4 |
83.9 |
|
|||||
|
170 |
87.4 |
88.9 |
|||||||||||
|
180 |
330 |
40 |
93.4 |
94.9 |
|||||||||
|
190 |
|
282 |
212 |
352 |
282 |
5.0 |
97.4 |
99.9 |
|||||
|
200 |
102.4 |
104.1 |
|||||||||||
|
220 |
45 |
113.4 |
115.1 |
||||||||||
|
注:b的极限偏差,也可采用GB/T 1095(平键、键和键槽的剖面尺寸)中规定的JS9。 |
|||||||||||||
|
表2 圆锥形轴孔配合及轴向尺寸偏差 |
||
|
圆锥孔直径 dz |
配合代号 |
L 轴向极限偏差 |
|
6~10 |
H8/k8 |
|
|
11~18 |
|
|
|
19~30 |
|
|
|
32~50 |
|
|
|
55~80 |
|
|
|
85~120 |
|
|
|
125~180 |
|
|
|
190~220 |
|
|
|
注:锥度公差应符合GB/T 11334 圆锥公差中AT6 级的规定。 |
||





