|
圆柱形轴孔和键槽型式及尺寸(GB/T 3852—1997) |
|||||||||||||||||||||
|
轴 孔 型 式 |
|||||||||||||||||||||
|
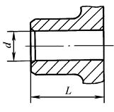
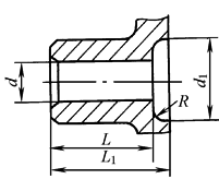
Y型—长圆柱形轴孔 |
J型—有沉孔的短圆柱形轴孔 |
J1型—无沉孔的短圆柱形轴孔 |
|||||||||||||||||||
|
键 槽 型 式 |
|||||||||||||||||||||
|
A型—平键单键槽 |
B型—120°布置平键双键槽 |
B1型—180°布置平键双键槽 |
D型—普通切向键键槽 |
||||||||||||||||||
|
表1 mm |
|||||||||||||||||||||
|
直 径 d |
长 度 |
沉孔尺寸 |
A型、B型、B1型键槽 |
B型键槽 |
D型键槽 |
||||||||||||||||
|
公称尺寸 |
极限偏差H7 |
L |
L1 |
d1 |
R |
b |
t |
t1 |
T |
t3 |
b1 |
||||||||||
|
Y型 |
J1、 J型 |
J型 |
公称尺寸 |
极限偏差 P9 |
公称 尺寸 |
极限 偏差 |
公称 尺寸 |
极限 偏差 |
位置度 公差 |
公称 尺寸 |
极限 偏差 |
||||||||||
|
6 |
|
18 |
— |
— |
— |
— |
2 |
|
7.0 |
|
8.0 |
|
— |
— |
— |
— |
|||||
|
7 |
|
8.0 |
9.0 |
||||||||||||||||||
|
8 |
22 |
9.0 |
10.0 |
||||||||||||||||||
|
9 |
3 |
10.4 |
11.8 |
||||||||||||||||||
|
10 |
25 |
22 |
11.4 |
12.8 |
|||||||||||||||||
|
11 |
|
4 |
|
12.8 |
14.6 |
0.03 |
|||||||||||||||
|
12 |
32 |
27 |
13.8 |
15.6 |
|||||||||||||||||
|
14 |
5 |
16.3 |
18.6 |
||||||||||||||||||
|
16 |
42 |
30 |
42 |
38 |
1.5 |
18.3 |
20.6 |
||||||||||||||
|
18 |
6 |
20.8 |
23.6 |
||||||||||||||||||
|
19 |
|
21.8 |
24.6 |
||||||||||||||||||
|
20 |
52 |
38 |
52 |
22.8 |
25.6 |
||||||||||||||||
|
22 |
|
52 |
38 |
52 |
38 |
1.5 |
6 |
|
24.8 |
|
27.6 |
|
0.03 |
— |
— |
— |
|||||
|
24 |
8 |
|
27.3 |
|
30.6 |
|
0.04 |
||||||||||||||
|
25 |
62 |
44 |
62 |
48 |
28.3 |
31.6 |
|||||||||||||||
|
28 |
31.3 |
34.6 |
|||||||||||||||||||
|
30 |
82 |
60 |
82 |
55 |
33.3 |
36.6 |
|||||||||||||||
|
32 |
|
2 |
10 |
35.3 |
38.6 |
||||||||||||||||
|
35 |
38.3 |
41.6 |
|||||||||||||||||||
|
38 |
65 |
41.3 |
44.6 |
||||||||||||||||||
|
40 |
112 |
84 |
112 |
12 |
|
43.3 |
46.6 |
0.05 |
|||||||||||||
|
42 |
45.3 |
48.6 |
|||||||||||||||||||
|
45 |
80 |
14 |
48.8 |
52.6 |
|||||||||||||||||
|
48 |
51.8 |
55.6 |
|||||||||||||||||||
|
50 |
95 |
53.8 |
57.6 |
||||||||||||||||||
|
55 |
|
2.5 |
16 |
59.3 |
63.6 |
||||||||||||||||
|
56 |
60.3 |
64.6 |
|||||||||||||||||||
|
60 |
142 |
107 |
142 |
105 |
18 |
64.4 |
68.8 |
7 |
|
19.3 |
|||||||||||
|
63 |
67.4 |
71.8 |
19.8 |
||||||||||||||||||
|
65 |
69.4 |
73.8 |
20.1 |
||||||||||||||||||
|
70 |
120 |
20 |
|
74.9 |
79.8 |
0.06 |
21.0 |
||||||||||||||
|
71 |
75.9 |
80.8 |
8 |
22.4 |
|||||||||||||||||
|
75 |
79.9 |
84.8 |
23.2 |
||||||||||||||||||
|
80 |
172 |
132 |
172 |
140 |
22 |
85.4 |
90.8 |
24.0 |
|||||||||||||
|
85 |
|
3.0 |
90.4 |
95.8 |
24.8 |
||||||||||||||||
|
90 |
160 |
25 |
95.4 |
100.8 |
25.6 |
||||||||||||||||
|
95 |
100.4 |
105.8 |
9 |
27.8 |
|||||||||||||||||
|
100 |
212 |
167 |
212 |
180 |
28 |
106.4 |
112.8 |
28.6 |
|||||||||||||
|
110 |
116.4 |
122.8 |
30.1 |
||||||||||||||||||
|
120 |
210 |
32 |
|
127.4 |
134.8 |
0.08 |
10 |
33.2 |
|||||||||||||
|
125 |
|
4.0 |
132.4 |
139.8 |
33.9 |
||||||||||||||||
|
130 |
252 |
202 |
252 |
235 |
137.4 |
144.8 |
34.6 |
||||||||||||||
|
140 |
36 |
148.4 |
|
156.8 |
|
11 |
37.7 |
||||||||||||||
|
150 |
265 |
158.4 |
166.8 |
39.1 |
|||||||||||||||||
|
160 |
302 |
242 |
302 |
40 |
169.4 |
178.8 |
12 |
|
42.1 |
||||||||||||
|
170 |
330 |
179.4 |
188.8 |
43.5 |
|||||||||||||||||
|
180 |
|
302 |
242 |
302 |
330 |
4.0 |
45 |
|
190.4 |
|
200.8 |
|
0.08 |
12 |
|
44.9 |
|||||
|
190 |
|
352 |
282 |
352 |
5.0 |
200.4 |
210.8 |
14 |
49.6 |
||||||||||||
|
200 |
210.4 |
220.8 |
51.0 |
||||||||||||||||||
|
220 |
50 |
231.4 |
242.8 |
16 |
57.1 |
||||||||||||||||
|
240 |
410 |
330 |
— |
— |
— |
56 |
|
252.4 |
264.8 |
59.9 |
|||||||||||
|
250 |
262.4 |
274.8 |
18 |
64.6 |
|||||||||||||||||
|
260 |
|
272.4 |
284.8 |
0.10 |
66.0 |
||||||||||||||||
|
280 |
470 |
380 |
63 |
292.4 |
304.8 |
20 |
72.1 |
||||||||||||||
|
300 |
70 |
314.4 |
328.8 |
74.8 |
|||||||||||||||||
|
320 |
|
334.4 |
348.8 |
22 |
81.0 |
||||||||||||||||
|
340 |
550 |
450 |
80 |
355.4 |
370.8 |
83.6 |
|||||||||||||||
|
360 |
375.4 |
390.8 |
26 |
93.2 |
|||||||||||||||||
|
380 |
395.4 |
410.8 |
95.9 |
||||||||||||||||||
|
400 |
650 |
540 |
90 |
|
417.4 |
434.8 |
0.12 |
98.6 |
|||||||||||||
|
420 |
|
437.4 |
454.8 |
30 |
108.2 |
||||||||||||||||
|
440 |
457.4 |
474.8 |
110.9 |
||||||||||||||||||
|
450 |
100 |
469.5 |
489.0 |
112.3 |
|||||||||||||||||
|
460 |
479.5 |
499.0 |
34 |
120.1 |
|||||||||||||||||
|
480 |
499.5 |
519.0 |
123.1 |
||||||||||||||||||
|
500 |
519.5 |
539.0 |
125.9 |
||||||||||||||||||
|
530 |
|
800 |
680 |
110 |
552.2 |
574.4 |
38 |
136.7 |
|||||||||||||
|
560 |
582.2 |
604.4 |
140.8 |
||||||||||||||||||
|
600 |
120 |
624.5 |
649.0 |
42 |
153.1 |
||||||||||||||||
|
630 |
654.5 |
679.0 |
157.1 |
||||||||||||||||||
|
670 |
|
— |
780 |
— |
— |
— |
— |
— |
— |
— |
67 |
— |
201.0 |
||||||||
|
710 |
71 |
213.0 |
|||||||||||||||||||
|
750 |
75 |
225.0 |
|||||||||||||||||||
|
800 |
880 |
80 |
240.0 |
||||||||||||||||||
|
850 |
|
85 |
255.0 |
||||||||||||||||||
|
900 |
980 |
90 |
270.0 |
||||||||||||||||||
|
950 |
95 |
285.0 |
|||||||||||||||||||
|
1000 |
1100 |
100 |
300.0 |
||||||||||||||||||
|
1060 |
|
— |
— |
||||||||||||||||||
|
1120 |
1200 |
||||||||||||||||||||
|
1180 |
|||||||||||||||||||||
|
1250 |
1300 |
||||||||||||||||||||
|
注:1.轴孔长度推荐选用J型和J1型,Y型限用于长圆柱形轴伸电机端。 2.b的极限偏差,也可采用GB/T 1095(平键、键和键槽的剖面尺寸)中规定的JS9。 3.沉孔亦可制成d1为小端直径,锥度为30°的锥形孔。 4.单键槽与180°布置的双键槽对轴孔轴线的对称度按GB/T 1184中对称度7~9级选用。 5.d >1000mm的键联结尺寸由设计者自定。 |
|||||||||||||||||||||
|
表2 圆柱形轴孔与轴的配合 |
|||||||||||||||||||||
|
直径d/mm |
6~30 |
>30~50 |
>50 |
||||||||||||||||||
|
配合代号 |
H7/j6 |
H7/k6 |
H7/m6 |
||||||||||||||||||
|
注:1.根据使用要求,也可采用H7/n6、H7/p6和H7/r6。 2.选用过盈大于表中规定的配合时,应验算联轴器轮毂强度。 |
|||||||||||||||||||||







