|
IDF系列冷冻式空气干燥器(SMC) |
||||||||||||||||||||
|
规 格 |
||||||||||||||||||||
|
干燥器型号 |
处理空气量 (ANR)① /m3·min-1 |
适合空压机功率 /kW |
消耗功率 /W |
接管口径 |
自动排水器 型号 |
使用电压 |
漏电开关容量 /A |
|||||||||||||
|
中 型 |
IDF55C |
7.65 |
55 |
1400 |
2 |
AD44-X445 |
三相 AC220V |
15 |
||||||||||||
|
IDF75C |
10.5 |
75 |
2100 |
|||||||||||||||||
|
大 型 |
IDF120D |
20 |
120 |
2500 |
法兰2½B |
ADH4000-04 |
30 |
|||||||||||||
|
IDF150D |
25 |
150 |
4000 |
法兰3B |
45 |
|||||||||||||||
|
IDF190D |
32 |
190 |
4900 |
50 |
||||||||||||||||
|
IDF240D |
43 |
240 |
6300 |
法兰4B |
60 |
|||||||||||||||
|
IDF370B② |
54 |
370 |
8100 |
法兰6B |
ADM200-042-8 |
80 |
||||||||||||||
|
① 在下列条件下:
② IDF370B为水冷式冷凝器,其余系列为风冷式冷凝器 |
||||||||||||||||||||
|
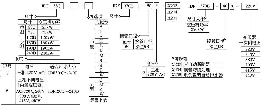
型 号 标 记 |
|
|
|
可选项 |
|
记号
内容 尺寸 大小 |
A |
C |
E |
H |
K |
L |
M |
R |
S |
T |
W |
无记号 |
|
冷却压 缩空气 |
铜管防 锈处理 |
带蒸发 温度计 |
中压 空气用 |
中压空气用 (自动排水 器带液位计 的金属杯) |
带重载型 自动排 水器 |
带电动式 自动排 水器 |
带涡电 自动断 路器 |
电源 端子台 连接 |
带信号远 距离操作 用端子台 |
水冷式 冷凝器 |
无 |
|
|
55C |
○ |
○ |
标 准 装 备 |
○ |
— |
○ |
— |
○ |
标准 装备 |
○ |
○ |
○ |
|
75C |
○ |
○ |
○ |
— |
○ |
— |
○ |
○ |
○ |
○ |
||
|
120D |
— |
○ |
— |
— |
— |
— |
○ |
— |
— |
○ |
○ |
|
|
150D |
— |
○ |
— |
— |
— |
○ |
○ |
— |
— |
○ |
○ |
|
|
190D |
— |
○ |
— |
— |
— |
○ |
○ |
— |
— |
○ |
○ |
|
|
240D |
— |
○ |
— |
— |
— |
○ |
○ |
— |
— |
○ |
○ |
|
|
注:H和M、R和S、S和T、A和H、L和M不能组合,其他多个可选项的组合,按字母顺序排列表示 |
||||||||||||
|
外 形 尺 寸 |
||||||||||||||||
|
IDF15C~75C
|
||||||||||||||||
|
型号 |
接管口径 |
A |
B |
C |
D |
E |
F |
G |
H |
I |
J |
K |
L |
M |
N |
P |
|
IDF55C |
R2 |
405 |
850 |
850 |
930 |
85 |
98 |
405(610) |
722 |
247 |
508 |
433 |
461 |
700 |
800 |
30 |
|
IDF75C |
R2 |
425 |
850 |
900 |
980 |
85 |
98 |
405(610) |
722 |
297 |
528 |
433 |
481 |
700 |
800 |
30 |
|
注:( )是可选项规格的冷却压缩空气用的尺寸 |
||||||||||||||||
|
IDF120D~240D
|
||||||||||||
|
型号 |
进出口连接 |
A |
B |
C |
D |
E |
F |
G |
H |
I |
J |
K |
|
IDF120D |
JIS 10K 2B½法兰 |
650 |
1200 |
1300 |
325 |
470 |
600 |
600 |
660 |
330 |
365 |
780 |
|
IDF150D |
JIS 10K 3B法兰 |
|||||||||||
|
IDF190D |
JIS 10K 3B法兰 |
750 |
1510 |
1320 |
375 |
480 |
600 |
700 |
800 |
355 |
427 |
880 |
|
IDF240D |
JIS 10K 4B法兰 |
770 |
1550 |
1640 |
385 |
703 |
730 |
700 |
800 |
355 |
592 |
900 |
|
IDF370B
|
||||||||||||




