|
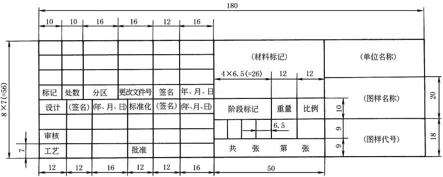
标题栏(GB/T 10609.1—2008)和明细栏(GB/T 10609.2—1989) |
|
图1 标题栏
图2 明细栏 |
|
注:标题栏的位置应位于图纸的右下角,其长边置于水平方向并与图纸的长边平行,但A4图纸竖放,标题栏位于图纸正下方,其看图方向见表图纸幅面尺寸注3 |
|
标题栏(GB/T 10609.1—2008)和明细栏(GB/T 10609.2—1989) |
|
图1 标题栏
图2 明细栏 |
|
注:标题栏的位置应位于图纸的右下角,其长边置于水平方向并与图纸的长边平行,但A4图纸竖放,标题栏位于图纸正下方,其看图方向见表图纸幅面尺寸注3 |