|
成型零件工作尺寸计算实例 |
||||||||
|
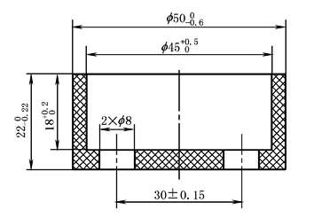
下图所示塑件,用最大收缩率1%、最小收缩率0.6%的材料成型,试确定型芯的直径、型腔的内径、型腔深度、型芯高度及两小孔中心距
塑件图 |
||||||||
|
表1 模具成型零件工作尺寸计算 |
||||||||
|
序号 |
成型零件工作 尺寸计算项目 |
计算公式 |
说 明 |
|||||
|
1 |
型腔径向尺寸 |
|
LM——型腔径向尺寸;Ls——塑件尺寸;Scp——平均收缩率;Δ——塑料制品的公差值;δz——模具成型零件的制造公差,对于中小型塑件,取δz=Δ/3 |
|||||
|
2 |
型芯的径向尺寸 |
|
L'M——型芯径向尺寸 |
|||||
|
3 |
型腔深度尺寸 |
|
Hs——塑件尺寸;HM——型腔深度尺寸 |
|||||
|
4 |
型芯高度尺寸 |
|
H'M——型芯深度尺寸 |
|||||
|
5 |
中心距工作 尺寸的计算 |
|
L1——模具型芯中心距或孔的中心距;δz——孔心距误差见下表2 |
|||||
|
6 |
凹模内的型芯或 孔中心到侧壁距离 |
|
L2——凹模内的型芯或孔中心到侧壁距离;δc———最大磨损量 |
|||||
|
7 |
型芯上的小型芯或 孔的中心到型芯 侧面距离 |
|
L3——型芯上的小型芯或孔的中心到型芯侧面距离 |
|||||
|
表2 孔间距公差 mm |
||||||||
|
孔间距 |
制造公差 |
孔间距 |
制造公差 |
孔间距 |
制造公差 |
|||
|
<80 |
±0.01 |
80~220 |
±0.02 |
220~360 |
±0.03 |
|||
|
平均收缩率Scp=0.8%,模具成型零件的制造公差取δz=Δ/3 (1)型腔尺寸 ① 型腔直径(径向尺寸)计算公式为
当模具成型零件的制造公差取δz=0.20时,
② 型腔深度计算公式为
当模具成型零件的制造公差取δz=0.073时,
(2)型芯尺寸 ① 型芯直径计算
当模具成型零件的制造公差取δz=0.167时,
② 型芯高度计算
当模具成型零件的制造公差取δz=0.067时,
(3)中心距尺寸
当模具成型零件的制造公差取δz=0.10时,
|
||||||||

