|
滑轮组设计计算 |
||||
|
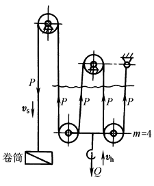
由一根挠性件依次绕过若干动滑轮和定滑轮而组成的联合装置,称为滑轮组。在起重机械中广泛应用倍率滑轮组。按工作原理,滑轮组分为省力和增速两种,见下表 |
||||
|
名称 |
简 图 |
挠性件自由端 |
符 号 意 义 |
|
|
牵引力(不考虑 轴承摩擦和挠 性构件刚性引 起的阻力时) |
牵引速度 |
|||
|
省 力 滑 轮 组 |
|
|
υs=mυh |
P——挠性件自由端牵引力,N Q——起重量的重力,N m——滑轮组倍率,单联滑轮组m=n,双联滑轮组 n——悬挂物品挠性件分支数 υs——挠性件自由端牵引速度,m/min υh——动滑轮组的速度,m/min |
|
增 速 滑 轮 组 |
|
P=mQ |
υs=mυh |
|
|
省力滑轮组用于起升物品,它的挠性件的自由端或者经过导向滑轮、或者直接卷上绞车卷筒。增速滑轮组用于液力和气力升降机中,力求减小活塞的行程和速度 在构造形式上,滑轮组有单联和双联两种,见下图所示
滑轮组简图 从单联滑轮组绕出的挠性件只有一个分支是自由端进行牵引,如果不经导向滑轮而直接通向卷筒,就会使起重的物品在垂直移动的同时,伴随水平移动,也就是使物品作斜线移动。单联滑轮组主要用于不用卷筒的单独滑轮组起重工具或用于装有导向滑轮的起重机中(如运行式动臂起重机等),或对尺寸要求特别紧凑的滑车中。双联滑轮组是由两个单联滑轮组组成,但挠性件可以是一根共同的,它绕过两个单联滑轮组间的均衡滑轮。当挠性件的两根分支的张力有差别时,均衡滑轮在心轴上转动,使两根分支的张力达到平衡。双联滑轮组主要用在由于地位关系不能安装导向滑轮的起重机中,如桥式起重机的起升机构 |
||||



