|
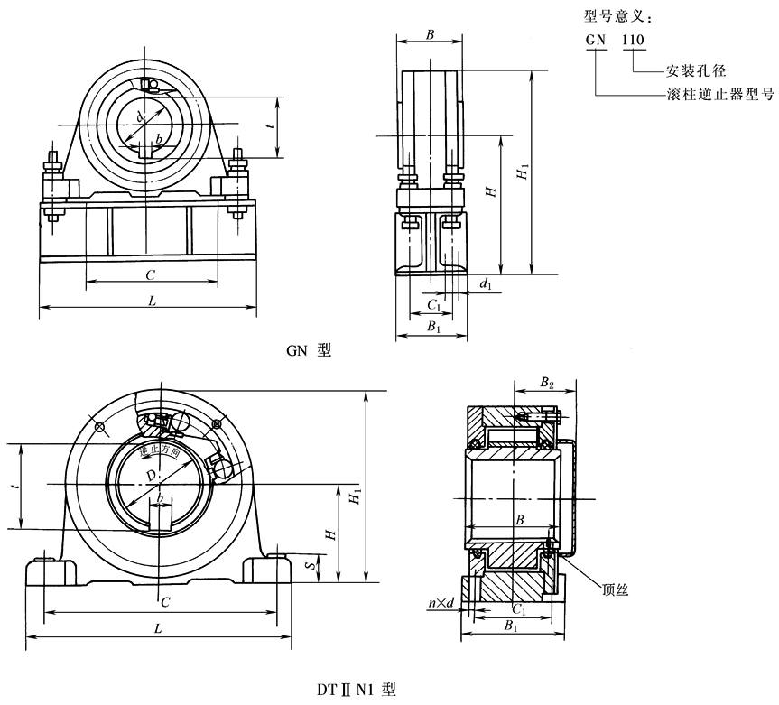
GN型和DTⅡN1型滚柱逆止器 |
||||||||||||||||||||
|
mm |
||||||||||||||||||||
|
型号 |
额定逆 止力矩 /kN·m |
dH7 |
bH8 |
tH8 |
C |
C1 |
B |
B1 |
H |
H1 |
L |
d1 |
D |
B2 |
S |
b |
t |
n×d |
质量 /kg |
配用 减速 器型号 |
|
GN110 |
6.9 |
110 |
36 |
116.7 |
300 |
90 |
140 |
140 |
320 |
470 |
460 |
22 |
|
|
|
|
|
|
104 |
|
|
GN130 |
13.9 |
130 |
36 |
137.4 |
330 |
120 |
170 |
180 |
400 |
565 |
490 |
22 |
|
|
|
|
|
|
147 |
ZQ85 |
|
GN140 |
13.9 |
140 |
36 |
147.4 |
330 |
120 |
170 |
190 |
550 |
715 |
500 |
22 |
|
|
|
|
|
|
172 |
ZL85 |
|
GN150 |
23.3 |
150 |
40 |
158.7 |
410 |
170 |
190 |
230 |
400 |
605 |
590 |
26 |
|
|
|
|
|
|
206 |
ZQ100 |
|
GN170 |
23.3 |
170 |
40 |
178.7 |
510 |
170 |
190 |
250 |
650 |
855 |
590 |
26 |
|
|
|
|
|
|
246 |
ZL100 |
|
GN200 |
48.5 |
200 |
45 |
209.9 |
590 |
210 |
220 |
290 |
750 |
1015 |
670 |
32 |
|
|
|
|
|
|
349 |
ZL115 |
|
GN220 |
48.5 |
220 |
50 |
231.2 |
590 |
210 |
220 |
290 |
850 |
1115 |
670 |
32 |
|
|
|
|
|
|
348 |
ZL130 |
|
DTⅡN1-9 |
6.9 |
|
|
|
400 |
90 |
140 |
140 |
160 |
310 |
450 |
|
90 |
175 |
48 |
25 |
95.4 |
4×f 21 |
92.8 |
DCY200 |
|
DTⅡN1-10 |
6.9 |
|
|
|
400 |
90 |
140 |
140 |
160 |
310 |
450 |
|
100 |
175 |
48 |
28 |
106.4 |
4×f 21 |
91.2 |
DCY224 |
|
DTⅡN1-11 |
6.9 |
|
|
|
400 |
90 |
140 |
140 |
160 |
310 |
450 |
|
110 |
175 |
48 |
28 |
116.4 |
4×f 21 |
89.4 |
DCY250 DBY250 |
|
DTⅡN1-12 |
13.9 |
|
|
|
430 |
120 |
170 |
170 |
175 |
340 |
480 |
|
120 |
160 |
48 |
32 |
127.4 |
4×f 21 |
123.0 |
DCY280 DBY280 |
|
DTⅡN1-14 |
23.3 |
|
|
|
510 |
170 |
230 |
230 |
215 |
420 |
580 |
|
140 |
220 |
53 |
36 |
148.4 |
4×f 26 |
192.0 |
DCY315 DBY315 |
|
注:1.GN 型的键槽尺寸及公差按GB/T 1095—1979 标准执行,若按上表尺寸订货时,请在合同中注明。 2.DTⅡN1型的顶丝螺孔在逆止器与减速器安装后配作,供货时不带顶丝。 |
||||||||||||||||||||

