|
滚动直线球轴承(GB/T 16940—2012) |
||||||||||||||||||||||||||||||||||||||||||||||||||||||||||||||||||||||||||||||||||||||||||||||||||||||||||||||||||||||||||||||||||||||||||||||||||||||||||||||||||||||||||||||||||||||||||||||||||||||||||||||||||||||||||||||||||||||||||||||||||||||||||||||||||||||||||||||||||||||||||||||||||||||||||||||||||||||||||||||||||||||||||||||||||||||||||||||||||||||||||||||||||||||||||||||||||||
|
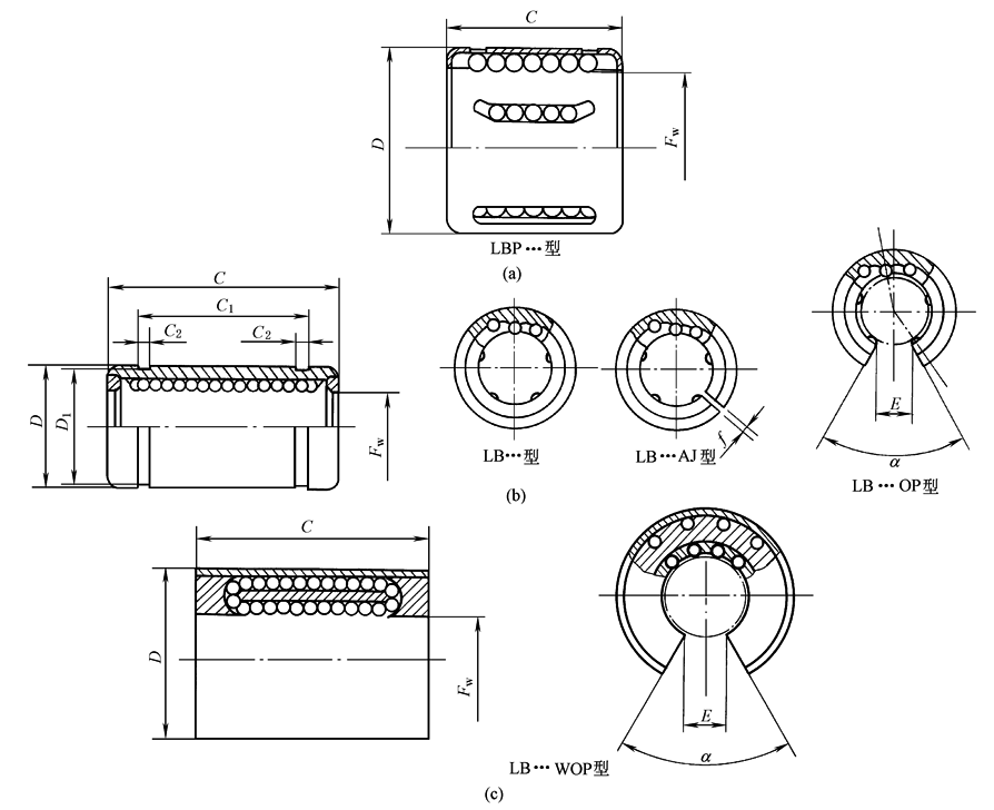
滚动直线球轴承标准将这种轴承分为闭型(LBP型及LB型)、调整型(LB…AJ型)及开口型(LB…OP型及LB…WOP型)三种,如下图a、b、c所示。闭型轴承只能通过座的配合、轴的公差和轴承来对球组内径与轴之间的游隙进行调整。调整型轴承有宽度为f的窄开口,允许对球组内径与轴之间的游隙作机械调整。开口型沿轴向截去一部分,从而提供其在支承导轨轴上的游隙并可自由通过“∧”形中间支座。下表给出了四个系列的外形尺寸 |
||||||||||||||||||||||||||||||||||||||||||||||||||||||||||||||||||||||||||||||||||||||||||||||||||||||||||||||||||||||||||||||||||||||||||||||||||||||||||||||||||||||||||||||||||||||||||||||||||||||||||||||||||||||||||||||||||||||||||||||||||||||||||||||||||||||||||||||||||||||||||||||||||||||||||||||||||||||||||||||||||||||||||||||||||||||||||||||||||||||||||||||||||||||||||||||||||||
|
直线运动球轴承外形尺寸 尺寸单位为毫米/角度单位为度 |
||||||||||||||||||||||||||||||||||||||||||||||||||||||||||||||||||||||||||||||||||||||||||||||||||||||||||||||||||||||||||||||||||||||||||||||||||||||||||||||||||||||||||||||||||||||||||||||||||||||||||||||||||||||||||||||||||||||||||||||||||||||||||||||||||||||||||||||||||||||||||||||||||||||||||||||||||||||||||||||||||||||||||||||||||||||||||||||||||||||||||||||||||||||||||||||||||||
注: 对于3系列和5系列的开口和可调整套筒型轴承,D和D1的尺寸是在轴承开缝后并装在直径为D、偏差值为零的后壁环规中所测得的尺寸。 |
||||||||||||||||||||||||||||||||||||||||||||||||||||||||||||||||||||||||||||||||||||||||||||||||||||||||||||||||||||||||||||||||||||||||||||||||||||||||||||||||||||||||||||||||||||||||||||||||||||||||||||||||||||||||||||||||||||||||||||||||||||||||||||||||||||||||||||||||||||||||||||||||||||||||||||||||||||||||||||||||||||||||||||||||||||||||||||||||||||||||||||||||||||||||||||||||||||
嘉立创产业服务站群
交流群
分享

