|
小孔节流径向液体静压轴承 |
||||
|
已知:径向轴承直径D=6cm,要求径向轴承的油膜刚度G0=314N/μm,设计小孔节流无周向回油腔内孔式回油、四油腔对称等面积径向轴承 |
||||
|
项 目 |
单位 |
公 式 及 结 果 |
||
|
确 定 轴 承 结 构 尺 寸 |
|
|
根据轴承直径D=6cm,选择L/D=1.5,l1/D=0.1根据表径向轴承的D、L/D、L、l1、l尺寸及表径向轴承的n、D、θ、θ1、θ2、Z1、Z2尺寸 |
|
|
轴承宽度 L |
cm |
9 |
||
|
油腔宽度 l |
|
7.8 |
||
|
轴向封油面宽度l1 |
|
0.6 |
||
|
油腔夹角 θ |
|
66 |
||
|
周向封油面夹角θi |
|
24 |
||
|
油腔有效夹角 θm |
(°) |
45° |
||
|
回油孔中心至油腔中心夹角 θ3 |
|
16.5 |
||
|
周向封油面宽度b1 |
cm |
|
||
|
回油孔半径 r1 |
|
0.2 |
||
|
回油圆台外圆半径 r2 |
|
0.4 |
||
|
回油孔数 N0 |
个 |
2 |
||
|
确 定 轴 承 其 他 参 数 |
轴承油腔有效承载面积 Ae |
cm2 |
根据表油垫流量系数、有效承载面积系数、周向流量系数和腔内孔流量系数公式及表液体静压轴承计算的基本公式公式
|
|
|
润滑油 |
|
根据表润滑油的选择的推荐,选用50%2号主轴油+50%5号主轴轴承油的混合油,润滑油在50℃、20℃时的密度 ρ 和动力粘度 η 如下: 20℃时:η20=57×10-8N·s/cm2,ρ20=84×10-7N·s2/cm4 50℃时:η50=25×10-8N·s/cm2,ρ50=84×10-7N·s2/cm4 |
||
|
节流比 β |
|
β=0.585时,轴承具有最佳刚度。对于供油系统有恒温控制装置,并要求轴承温度控制在20℃左右工作时,β=0.585,如果供油系统无恒温控制装置,由于 β 随着 η 的改变而变化,因此应满足油温在20~60℃范围内变化时,保持β=0.667~0.333之间。本例取润滑油在50℃时,β50=0.4 |
||
|
供油压力 ps |
N/cm2 |
根据推荐ps≥98,现取ps=147 |
||
|
轴承间隙h0及节流小孔直径d0 |
cm |
根据表刚度系数公式
根据表油垫流量系数、有效承载面积系数、周向流量系数和腔内孔流量系数公式
根据表液体静压轴承计算的基本公式公式
|
||
|
油腔深度 Z1 |
cm |
根据表径向液体静压轴承的结构尺寸及主要技术数据,Z1=(30~60)h0=(30~60)×0.002=0.06~0.12 取 Z1=0.1 |
||
|
轴承流量 4Q0 |
cm3/s |
根据表液体静压轴承计算的基本公式公式
|
||
|
油泵额定流量Q泵 |
cm3/s |
根据推荐 Q泵=(1.5~2)Q径总 =(1.5~2)×43.12=64.68~86.24 |
||
|
项目 |
公 式 及 结 果 |
|||
|
工 作 图 |
技 术 要 求 1.材料为(ZQSn-6-3)锡青铜或HT200;铸件不得有砂眼、缩孔和疏松缺陷,应时效处理; 2.f 60内孔和主轴配合半径间隙0.022±0.002; 3.f 100外圆和箱体孔配合过盈0.006±0.02; 4.四个油腔对称分布; 5.锐边倒钝 |
|||
|
轴承工作图(按带推力轴承结构) |
||||
|
|
|
|||
|
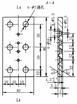
技术要求 1.材料为35钢板; 2.f 0.5四个小孔的流量允差10%; 3.锐边倒钝 (a)板式结构 |
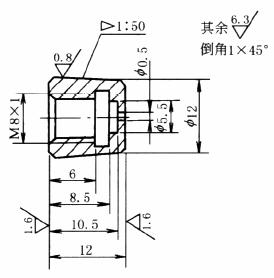
技术要求 1.材料为H62黄铜或45号钢; 2.同一轴承各节流器的流量允差10%; 3.同内锥孔配合,接触表面不少于70% (b)外锥式结构 |
|||
|
小孔节流器工作图 |
||||








