|
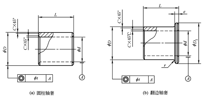
烧结圆柱轴套和翻边轴套尺寸(摘自GB/T18323—2001) mm |
||||||||||
|
|
||||||||||
|
内径 d |
外径D |
图a |
图b |
|||||||
|
外径D |
长度L (js13) |
外径D |
翻边直径D1(js13) |
翻边厚度e(js13) |
长度L(js13) |
|||||
|
常用系列 |
薄壁系列 |
薄壁 |
常用 |
薄壁 |
常用 |
薄壁 |
常用 |
薄壁 |
||
|
1 1.5 2 2.5 3 |
3 4 5 6 6 |
— — — — 5 |
1.2 1.2 2.3 3.3 3.4 |
|
5 6 8 9 9 |
|
1 1 1.5 1.5 1.5 |
|
2 2 3 3 4 |
|
|
4 5 6 7 8 9 |
8 9 10 11 12 14 |
7 8 9 10 11 12 |
3-4-6 4-5-8 4-6-10 5-8-10 6-8-12 6-10-14 |
|
12 13 14 15 16 19 |
|
2 2 2 2 2 2.5 |
|
3-4-6 4-5-8 4-6-10 5-8-10 6-8-12 6-10-14 |
|
|
10 12 14 15 16 18 |
16 18 20 21 22 24 |
14 16 18 19 20 22 |
8-10-16 8-12-20 10-14-20 10-15-25 12-16-25 12-18-30 |
14 16 18 19 20 22 |
22 24 26 27 28 30 |
18 20 22 23 24 26 |
3 3 3 3 3 3 |
2 2 2 2 2 2 |
8-10-16 8-12-20 10-14-20 10-15-25 12-16-25 12-18-30 |
8-10-16 8-12-20 10-14-20 10-15-25 12-16-25 12-18-30 |
|
20 22 25 28 30 32 35 |
26 28 32 36 38 40 45 |
25 27 30 33(34) 35(36) 38 41 |
15-20-25-30 15-20-25-30 20-25-30-35 20-25-30-40 20-25-30-40 20-25-30-40 25-35-40-50 |
25 27 30
|
32 34 39 44 46 48 55 |
30 32 35
|
3 3 3.5 4 4 4 5 |
2.5 2.5 2.5
|
15-20-25-30 15-20-25-30 20-25-30 20-25-30 20-25-30 20-25-30 25-35-40 |
15-20-25 15-20-25 20-25-30
|
|
38 40 42 45 48 50 55 60 |
48 50 52 55 58 60 65 72 |
44 46 48 51 55 58 63 68 |
25-35-45-55 30-40-50-60 30-40-50-60 35-45-55-65 35-50-70 35-50-70 40-55-70 50-60-70 |
|
58 60 62 65 68 70 75 84 |
|
5 5 5 5 5 5 5 6 |
|
25-35-45 30-40-50 30-40-50 35-45-55 35-50 35-50 40-55 50-60 |
|
|
注:1.内径从20mm(含20mm)开始,长度L的最后一个值不能用于薄壁系列;括号内尺寸为第二系列。 2.圆柱轴套和翻边轴套的尺寸C如下:当壁厚(D-d)/2分别为≤1、1~2、2~3、3~4、4~5、>5时,对应的尺寸C(最大值)分别为0.2、0.3、0.4、0.6、0.7、0.8。翻边轴套的尺寸r如下:当壁厚(D-d)/2分别为≤12、12~30、>30时,则对应的r(最大值)分别为0.3、0.6、0.8。 3.装配前内、外径的公差范围如下:D≤50mm时,d为F7至G7,D为r6至s7;D>50mm时,d为F8至G8,D为r7至s8。 4.制造烧结轴套的材料应符合GB/T2688的规定。 5.生产厂为北京天桥粉末冶金有限责任公司。 |
||||||||||

