|
滑动轴承配合计算示例 (JB/ZQ 4616—2006) |
|
|
(a) |
(b) |
|
1)一般宽度轴承(图a) 例:平锻机偏心轴套 ①轴套外径配合过盈 设轴承座孔的实测尺寸DS=330mm由表机械压力机整体式滑动轴承的配合及间隙选择查得轴套外径为DA=330mm配合过盈为0.03~0.04mm。 ②轴与轴套的配合间隙 轴套孔径公差为H7,即 ③轴承间隙 最大间隙=孔的上偏差-轴的下偏差=0.052-(-0.280)=0.332mm 最小间隙=孔的下偏差-轴的上偏差=0-(-0.240)=0.240mm |
|
|
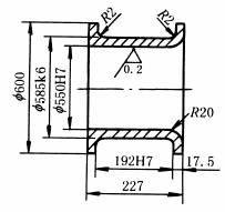
2)窄轴承( 轴承接触宽度B=227-20=207mm(其中20为圆角半径), 由表机械压力机整体式滑动轴承的配合及间隙选择查得附加极限偏差为 由于孔的极限偏差为 最大间隙=0.07-(-0.455)=0.525(mm) 最小间隙=0-(-0.385)=0.385(mm) 窄轴承的过盈计算与一般宽度轴承相同。 |
|


