|
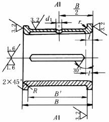
轴瓦尺寸(GB/T 7308.1—2021) mm |
|||||||||||||
|
轴瓦材料:ZCuAl10Fe3 铝青铜、锡青铜ZQSn6-6-3及耐磨铸铁 |
|||||||||||||
|
d (H8) |
D (k6) |
D1 |
d1 |
B' (H8) |
B |
l |
b |
h |
h1 |
R |
r |
r1 |
轴颈圆 角半径 |
|
30 |
40 |
50 |
10.5 |
50 |
60 |
8 |
1 |
7 |
1.5 |
2 |
2 |
1 |
1.5 |
|
35 40 |
45 50 |
55 60 |
10.5 10.5 |
50 60 |
60 70 |
8 8 |
1 1 |
7 7 |
1.5 1.5 |
2.5 2.5 |
2 2 |
1 1 |
2 |
|
45 50 |
55 60 |
65 70 |
10.5 10.5 |
60 65 |
70 80 |
8 10 |
1 1 |
7 7 |
1.5 2 |
2.5 2.5 |
2.5 2.5 |
1 1.5 |
|
|
55 60 65 |
65 70 80 |
75 80 95 |
10.5 10.5 10.5 |
65 65 65 |
80 80 80 |
10 10 10 |
1 1 1 |
7 8 8 |
2 2 2 |
2.5 2.5 2.5 |
2.5 2.5 2.5 |
1.5 1.5 1.5 |
|
|
70 75 |
85 90 |
100 105 |
10.5 10.5 |
75 75 |
90 90 |
10 10 |
1 1 |
8 8 |
2.5 2.5 |
2.5 4 |
3 3 |
2 2 |
|
|
80 |
95 |
110 |
10.5 |
75 120 |
90 140 |
10 |
1 |
8 |
2.5 |
4 |
3 |
2 |
3 |
|
85 |
100 |
115 |
10.5 |
85 140 |
100 160 |
12 |
1.5 |
10 |
3 |
4 |
3 |
2 |
|
|
90 |
105 |
120 |
10.5 |
85 140 |
100 160 |
12 |
1.5 |
10 |
3 |
4 |
3 |
2 |
|
|
95 |
115 |
130 |
10.5 |
90 140 |
110 160 |
12 |
1.5 |
10 |
3 |
4 |
3 |
2 |
|
|
100 |
120 |
140 |
10.5 |
90 160 |
110 180 |
12 |
1.5 |
10 |
3 |
4 |
3 |
2 |
|
|
110 |
130 |
150 |
10.5 |
100 160 |
120 180 |
12 |
2 |
13 |
3.5 |
5 |
4 |
2 |
4 |
|
120 |
140 |
160 |
10.5 |
110 180 |
130 200 |
12 |
2 |
13 |
3.5 |
5 |
4 |
2 |
|
|
130 |
150 |
175 |
10.5 |
120 200 |
140 220 |
14 |
2 |
16 |
4 |
5 |
4 |
3 |
|
|
140 |
165 |
190 |
10.5 |
130 200 |
150 220 |
14 |
2 |
16 |
4 |
5 |
4 |
3 |
|
|
150 |
175 |
200 |
10.5 |
140 220 |
160 240 |
14 |
3 |
20 |
4.5 |
5 |
4 |
3 |
|
|
160 |
185 |
210 |
10.5 |
155 220 |
170 240 |
14 |
3 |
20 |
4.5 |
5 |
5 |
3 |
|
|
180 |
210 |
240 |
12.5 |
240 |
270 |
16 |
3 |
20 |
4.5 |
6 |
5 |
3 |
5 |
|
200 |
230 |
260 |
12.5 |
270 |
300 |
16 |
4 |
25 |
5 |
6 |
5 |
4 |
|
|
220 |
250 |
280 |
12.5 |
270 |
300 |
16 |
4 |
25 |
5 |
8 |
5 |
4 |
6 |
|
注:1.加工时,上下轴瓦必须一起加工。 2.与轴瓦配合的轴颈最好进行表面淬火。 |
|||||||||||||


