嘉立创PCB
PCB、FPC制造服务
嘉立创SMT
一站式PCBA服务平台
嘉立创激光钢网治具
激光钢网&治具制造
立创商城
一站式元器件采购自营商城
嘉立创FA
机械/电气零部件一站式商城
嘉立创3D打印
树脂、尼龙、金属3D打印服务
嘉立创CNC机械智造
机加件一件起订,3天交货
嘉立创EDA
国产PCB设计工具
嘉立创CAM
国产线路板CAM软件
Forface 3D
SaaS化3D技术服务平台
硬创社
好玩的硬件交流社区
供应商合作
一站式阳光采购平台
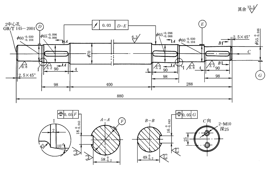
轴的工作图
技术要求
1.热处理:调质硬度230~250HB。
2. 未注明的圆角半径为R=1mm。
< 上一篇:
轴的结构和载荷图
下一篇:
校核危险截面的安全系数 >