|
带圆盘的轴的临界转速 |
|
|
带单个圆盘但不计轴自重时轴的一阶临界转速ncr1的计算公式见表横向振动时轴的临界转速ncr。 带多个圆盘并须计及轴自重时,可按邓柯莱(Dunkerley)公式计算ncr1
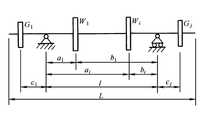
式中,n0为只考虑轴自重时轴的一阶临界转速,n01,n02,…、n0i分别表示轴上只装一个圆盘(盘1、2、…i)且不计轴自重时的一阶临界转速,均可按表横向振动时轴的临界转速ncr所列公式分别计算。 对双铰支多圆盘钢轴(如图),式(1)按表横向振动时轴的临界转速ncr中所列算式简化为下式: |
|
|
式中 λ1—— 一阶临界转速时的支座形式系数,查表横向振动时轴的临界转速ncr; W0—— 轴所受的重力,N; Wi—— 支承间的圆盘所受的重力,N; Gj—— 外伸端的圆盘所受的重力,N; dv—— 轴的当量直径,mm。 cj—— 外伸端第j个圆盘至支承间的距离,mm。 |
|
|
带多个圆盘的轴(包括阶梯轴),如果在各个圆盘重力的作用下,轴的挠度曲线或轴上各圆盘处的挠度值已知时,也可用雷利(Rayleigh)公式近似求其一阶临界转速
式中 Wi—— 轴上所装各个零件或阶梯轴各个轴段的重力,N; γi—— 在Wi作用的截面内,由全部载荷引起的轴的挠度,mm。 |
|


