|
夹紧附件的基本尺寸 |
||||||||
|
隔套的基本尺寸见图1和表夹紧力中表2
图1 隔套的基本尺寸 法兰与轮毂端面的距离X(图2)见表夹紧力中表2
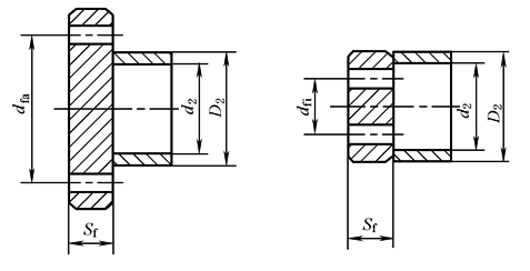
图2 Z1型胀套的连接型式 1—螺栓;2—法兰;3—隔套;4—Z1型胀套;5—轮毂;6—轴 法兰的基本尺寸(图2): dfa=D+10+d1(mm) dfi=D-10-d1(mm)
式中 d1——螺栓直径,mm; Z——螺栓数; a——螺栓布置系数,查下表; a1——系数 对于法兰的屈服极限σs≥295MPa、螺栓的强度级为8.8级时,a1=1;对于法兰的屈服极限σs≥345MPa、螺栓的强度级为10.9级时,a1=1.5 |
||||||||
|
螺栓布置系数a |
||||||||
|
a |
六角头螺栓直径d1 |
|||||||
|
M5 |
M6 |
M8 |
M10 |
M12 |
M16 |
M20 |
M24 |
|
|
dfa或dfi/mm |
||||||||
|
3 |
18 |
19 |
26 |
30 |
33 |
41 |
51 |
60 |
|
4 |
22 |
23 |
32 |
37 |
41 |
50 |
63 |
74 |
|
5 |
26 |
28 |
38 |
44 |
49 |
60 |
75 |
88 |
|
6 |
30 |
32 |
44 |
52 |
58 |
71 |
88 |
104 |
|
7 |
35 |
37 |
51 |
60 |
66 |
82 |
102 |
119 |
|
8 |
39 |
42 |
58 |
68 |
75 |
92 |
115 |
135 |
|
9 |
44 |
47 |
65 |
76 |
84 |
103 |
129 |
152 |
|
10 |
49 |
52 |
72 |
84 |
93 |
114 |
143 |
168 |
|
11 |
53 |
57 |
78 |
92 |
102 |
125 |
156 |
184 |
|
12 |
58 |
62 |
85 |
100 |
111 |
136 |
170 |
200 |
|
13 |
63 |
67 |
92 |
108 |
119 |
147 |
184 |
216 |
|
14 |
67 |
72 |
99 |
116 |
128 |
158 |
198 |
222 |
|
15 |
72 |
77 |
106 |
124 |
138 |
170 |
212 |
249 |
|
16 |
77 |
82 |
113 |
133 |
147 |
181 |
226 |
266 |
|
17 |
81 |
87 |
120 |
141 |
156 |
192 |
240 |
281 |
|
18 |
86 |
93 |
127 |
149 |
165 |
203 |
254 |
298 |
|
19 |
91 |
98 |
134 |
157 |
174 |
214 |
268 |
314 |
|
20 |
96 |
103 |
141 |
165 |
183 |
225 |
282 |
330 |
|
21 |
100 |
108 |
148 |
174 |
192 |
237 |
296 |
347 |
|
22 |
105 |
113 |
155 |
182 |
201 |
247 |
309 |
363 |
|
23 |
110 |
118 |
162 |
190 |
211 |
259 |
324 |
380 |
|
24 |
115 |
123 |
169 |
198 |
219 |
270 |
338 |
396 |
|
25 |
119 |
128 |
176 |
206 |
228 |
281 |
351 |
412 |
|
26 |
124 |
133 |
183 |
215 |
238 |
293 |
365 |
429 |
|
27 |
129 |
138 |
190 |
222 |
246 |
304 |
379 |
445 |
|
28 |
134 |
143 |
197 |
231 |
256 |
315 |
394 |
463 |
|
29 |
138 |
148 |
204 |
239 |
265 |
326 |
407 |
479 |
|
30 |
143 |
153 |
211 |
247 |
274 |
337 |
421 |
495 |


