|
被连接件的尺寸 |
||||||||||
|
表1 空心轴内径 |
||||||||||
|
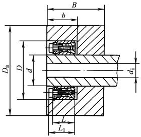
图 示 |
与胀套连接的空心轴内径di |
|||||||||
|
|
|
σs——空心轴材料的屈服极限,MPa pf——胀套与轴结合面上的压强,MPa d——胀套内径,mm |
||||||||
|
胀套 型式 |
Z1 |
Z2 |
Z3 |
Z4 |
Z5 |
|||||
|
一个连接中的胀套数 |
||||||||||
|
1 |
2 |
>2 |
1 |
2 |
||||||
|
系数C |
0.6 |
0.8 |
1 |
0.6 |
0.8 |
0.8 |
0.85 |
0.9 |
||
|
表2 轮毂外径 |
||||||||||
|
毂孔与胀套连接型式 |
||||||||||
|
毂孔与胀套连接有A、B、C三种型式,如图a~图h所示。最好采用毂型A、C,因其用料少,省工时。毂型B用后会产生锈蚀,拆卸困难 毂型A:C1=1
毂型B:C1=0.8
毂型C:C1=0.6
|
||||||||||
|
与胀套连接的轮毂外径Da |
||||||||||
|
式中 D——胀套外径,mm; σs——轮毂材料的屈服极限,MPa; p'f——胀套与轮毂结合面上的压强,MPa; C1——系数,轮毂与装在毂孔中的胀套宽度相同时C1=1 |
||||||||||




