|
圆柱面过盈连接的计算 (GB/T 5371—2004) |
||||||
|
|
||||||
|
序号 |
计 算 项 目 |
计 算 公 式 |
单 位 |
说 明 |
||
|
一、传递载荷所需的最小过盈量 |
||||||
|
1 |
传递载荷所需的最小结合压强 |
传递转矩 |
|
MPa |
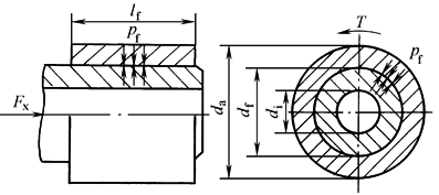
T——传递的转矩,N·mm df——接合直径,mm lf——接合长度,mm,一般取 lf=(0.9~1.6)df μ——被连接件摩擦副的摩擦因数,见表纵向过盈连接的摩擦因数μ、横向过盈连接的摩擦因数μ Fx——传递的轴向力,N Ft——传递力,N |
|
|
承受轴向力 |
|
MPa |
||||
|
传递力 |
|
MPa |
||||
|
|
N |
|||||
|
2 |
直径比 |
包容件 |
|
|
da——包容件外径,mm di——被包容件内径,mm |
|
|
3 |
被包容件 |
|
|
|||
|
4 |
传递载荷所需的最小直径变化量 |
包容件 |
|
mm |
E——被连接件材料的弹性模量,MPa,见表常用材料的弹性模量、泊松比和线胀系数 v——被连接件材料的泊松比,见表常用材料的弹性模量、泊松比和线胀系数 下标 a 表示包容件, 下标 i 表示被包容件(下同),C值可查表系数Ca和Ci |
|
|
5 |
被包容件 |
|
mm |
|||
|
6 |
传递载荷所需的最小有效过盈量 |
δemin=eamin+eimin |
mm |
有效过盈量是指过盈连接中起作用的过盈量 |
||
|
7 |
考虑压平量的所需最小过盈量 |
用胀缩法装配 δmin=δemin 用压入法装配 δmin=δemin+2(Sa+Si) 或Sa=1.6Raa,Si=1.6Rai |
mm |
S——压平深度(结合面的表面粗糙度被压平部分的深度,见图),mm Ra——轮廓算术平均偏差,mm |
||
|
二、不产生塑性变形所允许的最大有效过盈量 |
||||||
|
8 |
不产生塑性变形所允许的最大结合压强 |
包容件 |
|
MPa |
σs——包容件与被包容件材料的屈服点,MPa σb——包容件与被包容件材料的抗拉强度,MPa a、b、c——系数,可查图 |
|
|
|
MPa |
|||||
|
9 |
被包容件 |
|
MPa |
|||
|
|
MPa |
|||||
|
10 |
被连接件 |
pfmax取pfamax和pfimax中的较小者 |
|
|||
|
11 |
被连接件不产生塑性变形的传递力 |
Ft=pfmaxp df lf μ |
N |
|
||
|
12 |
不产生塑性变形所允许的最大直径变化量 |
包容件 |
|
mm |
|
|
|
13 |
被包容件 |
|
mm |
|
||
|
14 |
被连接件不产生塑性变形所容许的最大有效过盈量 |
δemax=eamax+eimax |
mm |
|
||
|
三、配合选择 |
||||||
|
15 |
初选基本过盈量 |
一般情况下,取 |
|
δb——基本过盈量(选择过盈配合的基准值。基孔制时,其值等于轴的基本偏差的绝对值;基轴制时,其值等于孔的基本偏差的绝对值),mm,见图 |
||
|
16 |
确定基本偏差代号 |
按 δb 及 df 由图查出 |
|
|
||
|
17 |
选定配合 |
按基本偏差代号和δemax、δmin查GB/T 1801和GB/T 1800.4确定选用的配合和孔、轴公差带。要求选出配合的最大和最小过盈量能满足: [δmax]≤δemax(保证连接件不产生塑性变形) [δmin]>δmin(保证过盈连接件传递给定载荷) |
|
选择配合种类时,在过盈量的上、下限范围内常有几种配合可供选用,一般应选择其最小过盈[δmin]等于或稍大于所需过盈δmin的配合;[δmin]过大会增加装配困难。选择较高精度的配合,其实际过盈变动范围较小,连接性能较稳定,但加工要求较高。配合精度较低时,虽可降低加工精度要求,但实际配合过盈变动范围较大,如成批生产,则各连接的承载能力和装配性能相差较大,这时,宜分组选择装配,即可保证加工的经济性,又可使各连接的过盈量接近 当包容件和被包容件的工作温度不同时,应计入温差引起的过盈量的变化,见表注1 当工作角速度很高时,应考虑由于离心力使配合过盈减小而引起连接可靠性降低的情况 |
||
|
四、校核计算(需要时进行) |
||||||
|
18 |
过盈连接的最小传递力 |
|
N |
|
||
|
|
MPa |
|||||
|
19 |
连接件的 最大应力 |
包容件 |
|
MPa |
|
|
|
|
MPa |
|||||
|
|
MPa |
|||||
|
20 |
被包容件 |
|
MPa |
|||
|
五、被连接件的直径变化量(需要时求) |
||||||
|
21 |
包容件的外径增大量 |
|
mm |
pf 取[pfmax]与[pfmin]分别计算,其结果为最大增大(减小)量和最小增大(减小)量 |
||
|
22 |
被包容件的内径减小量 |
|
mm |
|||
|
六、过盈连接的装配参数 |
||||||
|
23 |
采用压入法时 |
需要的压入力 |
Pxi=[pfmax]p df lf μ |
N |
Δ——装配的最小间隙,mm,见表装配的最小间隙 α——材料的线膨胀系数,见表常用材料的弹性模量、泊松比和线胀系数 eit——被包容件外径的冷缩量,为实际过盈量与冷装的最小间隙之和,mm t——装配环境的温度见图,℃ |
|
|
24 |
需要的压出力 |
Pxe=(1.3~1.5) Pxi |
N |
|||
|
25 |
采用胀缩法时 |
包容件加热温度 |
|
℃ |
||
|
26 |
被包容件冷却温度 |
|
℃ |
|||
|
注:1.包容件和被包容件的工作温度不同时温差引起的过盈量变化为: δt=[αa(ta-tg)-αi(ti-tg)]df mm 式中 ti、ta——被包容件和包容件的工作温度,℃; tg——工作环境温度,℃。 2.压装设备应有足够的压力吨位,该值约为压出力的2.5倍。 |
||||||







