|
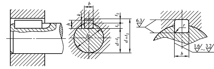
薄型平键键槽的尺寸与公差(GB/T 1566—2003) mm |
||||||||||||||
|
|
||||||||||||||
|
轴的公称 直径 d |
键尺寸 b×h |
键 槽 |
||||||||||||
|
宽度b |
深度 |
半径 r |
||||||||||||
|
基本 尺寸 |
极限偏差 |
轴 t1 |
毂 t2 |
|||||||||||
|
松连接 |
正常连接 |
紧密连接 |
基本 尺寸 |
极限 偏差 |
基本 尺寸 |
极限 偏差 |
||||||||
|
轴H9 |
毂D10 |
轴N9 |
毂JS9 |
轴和毂P9 |
最小 |
最大 |
||||||||
|
12~17 |
5×3 |
5 |
+0.030 0 |
+0.078 +0.030 |
0 -0.030 |
±0.015 |
-0.012 -0.042 |
1.8 |
+0.1 0 |
1.4 |
+0.1 0 |
0.16 |
0.25 |
|
|
>17~22 |
6×4 |
6 |
2.5 |
1.8 |
||||||||||
|
>22~30 |
8×5 |
8 |
+0.036 0 |
+0.098 +0.040 |
0 -0.036 |
±0.018 |
-0.015 -0.051 |
3.0 |
2.3 |
|||||
|
>30~38 |
10×6 |
10 |
3.5 |
2.8 |
0.25 |
0.40 |
||||||||
|
>38~44 |
12×6 |
12 |
+0.043 0 |
+0.120 +0.050 |
0 -0.043 |
±0.0215 |
-0.018 -0.061 |
3.5 |
2.8 |
|||||
|
>44~50 |
14×6 |
14 |
3.5 |
2.8 |
||||||||||
|
>50~58 |
16×7 |
16 |
4.0 |
+0.2 0 |
3.3 |
+0.2 0 |
||||||||
|
>58~65 |
18×7 |
18 |
4.0 |
3.3 |
||||||||||
|
>65~75 |
20×8 |
20 |
+0.052 0 |
+0.149 +0.065 |
0 -0.052 |
±0.026 |
-0.022 -0.074 |
5.0 |
3.3 |
0.40 |
0.60 |
|||
|
>75~85 |
22×9 |
22 |
5.5 |
3.8 |
||||||||||
|
>85~95 |
25×9 |
25 |
5.5 |
3.8 |
||||||||||
|
>95~110 |
28×10 |
28 |
6.0 |
4.3 |
||||||||||
|
>110~130 |
32×11 |
32 |
+0.062 0 |
+0.180 +0.080 |
0 -0.062 |
±0.031 |
-0.026 -0.088 |
7.0 |
4.4 |
|||||
|
>130~150 |
36×12 |
36 |
7.5 |
4.9 |
0.70 |
1.00 |
||||||||
|
注:1.导向平键的轴槽与轮毂槽用较松键连接的公差。 2.除轴伸外,在保证传递所需转矩条件下,允许采用较小截面的键,但t1和t2的数值必要时应重新计算,使键侧与轮毂槽接触高度各为h/2。 3.平键轴槽的长度公差用H14。 4.键槽的对称度公差:为便于装配,轴槽及轮毂槽对轴及轮毂轴心的对称度公差根据不同要求,一般可按GB/T 1184—1996中附表对称度公差7~9级选取。键槽(轴槽及轮毂槽)的对称度公差的公称尺寸是指键宽b。 5.表中(d-t1)和(d+t2)两组组合尺寸的极限偏差按相应的t1和t2的极限偏差选取,但(d-t1)的极限偏差值应取负号。 6.表中“轴的公称直径d”是沿用旧标准(1979年)的数据,仅供设计者初选时参考,然后根据工况验算确定键的规格。 |
||||||||||||||

