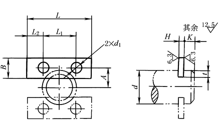
轴端挡板(JB/ZQ 4348—2006) mm | ||||||||||||
| ||||||||||||
标记示例 轴径d=50mm的轴端挡板,标记为:挡板50 JB/ZQ 4348 | ||||||||||||
d | L | B | L1 | L2 | H | d1 | 一端板数 | 螺栓直径 | t | K(最小) | A | 每个质量 /kg≈ |
40 45 50 55 | 100 | 30 | 60 | 20 | 6 | 14 | 1 | M12 | 5 6 7 8 | 10 10 12 12 | 30 31.5 33 34.5 | 0.13 |
60 65 70 75 80 | 130 | 40 | 90 | 20 | 8 | 18 | 1 | M16 | 9 9 10 11 12 | 14 14 14 14 15 | 41 43.5 45 46.5 48 | 0.3 |
90 100 110 | 170 | 50 | 120 | 25 | 10 | 22 | 1 | M20 | 13 14 16 | 15 15 20 | 57 61 64 | 0.52 |
120 130 140 | 200 | 60 | 150 | 25 | 12 | 22 | 2 | M20 | 17 19 20 | 20 20 20 | 73 76 80 | 1.07 |
150 160 170 | 240 | 70 | 180 | 30 | 12 | 22 | 2 | M20 | 22 23 25 | 20 25 25 | 88 92 95 | 1.5 |
180 190 200 210 220 | 280 | 80 | 210 | 35 | 14 | 22 | 2 | M20 | 26 28 30 30 30 | 25 | 104 107 110 115 120 | 2.4 |
250 | 280 | 80 | 210 | 35 | 19 | 26 | 2 | M24 | 30 | 25 | 135 | 2.4 |
280 300 320 | 320 | 80 | 240 | 40 | 22 | 26 | 2 | M24 | 30 | 25 | 150 160 170 | 4.24 |
350 400 | 370 | 90 | 280 | 45 | 25 | 33 | 2 | M30 | 35 | 25 | 185 210 | 6.2 |
注:1.挡板适用于不受轴向载荷的部位。2.锐角倒钝。3.材料为Q235-A。 | ||||||||||||

