双孔轴端挡圈(JB/ZQ 4349—2006) mm | |||||||||
| |||||||||
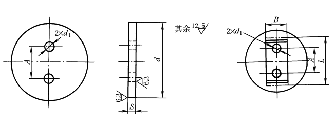
标记示例 d=50mm的双孔轴端挡圈,标记为:挡圈 50 JB/ZQ 4349 | |||||||||
d | A | d1 | JB/ZQ 4349 | ||||||
S | 每个质量 /kg≈ | 螺钉尺寸 | 轴径d0 | ||||||
基本尺寸 | 极限偏差 | 球轴承 | 柱轴承 | 联轴器 | |||||
40 | 20 | 7 | 5 | +0.5 -1.0 | 0.05 | M6×16 | — | — | 35 |
45 | 0.06 | — | — | 40 | |||||
50 | 0.07 | 35 | 35 | 45 | |||||
60 | 25 | 6 | 0.125 | 40,45,50 | 40 | >45~50 | |||
70 | 12 | 0.17 | M10×20 | 55,60 | 45,50 | >50~60 | |||
80 | 30 | 14 | 0.22 | M12×25 | 65,70 | 55,60 | >60~70 | ||
90 | 40 | 0.28 | 75,80 | 65,70 | >70~80 | ||||
100 | 8 | 0.47 | 85,90 | 75,80 | >80~90 | ||||
125 | 50 | 0.74 | 100,110 | 90 | >90~110 | ||||
150 | 60 | 1.08 | 120,130 | 100,110 | >110~130 | ||||
180 | 80 | 18 | 12 | +0.5 -1.5 | 2.33 | M16×30 | 140,150,160 | 120,140 | >130~160 |
220 | 110 | 3.57 | 180,200 | 160 | >160~200 | ||||
260 | 140 | 4.93 | — | 180,200 | >200~240 | ||||
注:1.挡圈适用于不受轴向载荷的部位,当用于受轴向载荷的部位时,应验算螺栓的强度。 2.挡圈锐角倒钝。 3.材料为Q235-A,轴端止动垫片退火处理,表面氧化处理。 | |||||||||

