|
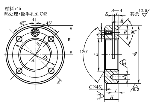
带锁紧槽圆螺母 mm |
||||||||||||||||||
|
|
||||||||||||||||||
|
标记示例 细牙普通螺纹、直径24mm、螺距1.5mm的带锁紧槽圆螺母,标记为:圆螺母 JB 24-59 M24×1.5 |
||||||||||||||||||
|
D×P |
dk |
D1 |
H |
d1 |
d2 |
d3 |
R |
t |
h |
t |
K |
m |
C |
螺钉 GB 68 —1985 |
||||
|
公称 尺寸 |
允差 |
公称 尺寸 |
允差 |
公称 尺寸 |
允差 |
公称 尺寸 |
允差 |
|||||||||||
|
M10×1 |
22 |
16 |
+0.12 |
6 |
-0.3 |
3 |
+0.25 |
M2 |
2.5 |
8 |
3 |
1.2 |
-0.3 |
1.2 |
1.5 |
15 |
0.2 |
M2×4 |
|
M12×1.25 |
25 |
18 |
9 |
|||||||||||||||
|
M16×1.5 |
30 |
22 |
+0.14 |
8 |
-0.36 |
3.5 |
+0.25 |
M3 |
3.6 |
11.5 |
4 |
1.5 |
-0.3 |
1.5 |
1.5 |
20 |
0.5 |
M3×6 |
|
M18×1.5 |
32 |
24 |
+0.3 |
12.5 |
||||||||||||||
|
M20×1.5 |
35 |
27 |
4 |
13.5 |
||||||||||||||
|
(M22×1.5) |
38 |
30 |
10 |
M4 |
4.8 |
15 |
5 |
2 |
-0.4 |
2 |
2 |
25 |
M4×8 |
|||||
|
M24×1.5 |
42 |
34 |
+0.17 |
16.5 |
1 |
|||||||||||||
|
(M27×1.5) |
45 |
4.5 |
18 |
30 |
||||||||||||||
|
M30×1.5 |
48 |
38 |
19.5 |
6 |
||||||||||||||
|
(M33×1.5) |
52 |
42 |
M5 |
6 |
20.5 |
2.5 |
3 |
35 |
M5×8 |
|||||||||
|
M36×1.5 |
55 |
46 |
23 |
|||||||||||||||
|
(M39×1.5) |
58 |
5.5 |
24.5 |
40 |
||||||||||||||
|
M42×1.5 |
62 |
54 |
+0.2 |
26 |
7 |
|||||||||||||
|
(M45×1.5) |
68 |
28.5 |
45 |
|||||||||||||||
|
M48×1.5 |
72 |
62 |
12 |
-0.43 |
M6 |
7 |
30 |
3 |
4 |
3 |
M6×10 |
|||||||
|
(M52×1.5) |
78 |
6.5 |
32.5 |
50 |
||||||||||||||
|
M56×2 |
85 |
72 |
+0.36 |
35.5 |
||||||||||||||
|
(M60×2) |
90 |
7.5 |
38 |
55 |
||||||||||||||
|
M64×2 |
95 |
80 |
40 |
8 |
||||||||||||||
|
(M68×2) |
100 |
9 |
42 |
5 |
60 |
M6×12 |
||||||||||||
|
M72×2 |
105 |
90 |
+0.23 |
15 |
44 |
10 |
1.5 |
|||||||||||
|
(M76×2) |
110 |
M8 |
9 |
46.5 |
4 |
-0.5 |
|
M8×12 |
||||||||||
|
M80×2 |
115 |
100 |
49 |
|||||||||||||||
|
(M85×2) |
120 |
51 |
65 |
|||||||||||||||
|
M90×2 |
125 |
110 |
18 |
54 |
6 |
M8×15 |
||||||||||||
|
(M95×2) |
130 |
56.5 |
||||||||||||||||
|
M100×2 |
135 |
120 |
59 |
70 |
||||||||||||||
|
注:1.括号内规格尽量不用。 2.表面发蓝处理。 |
||||||||||||||||||

