|
石墨管件(使用温度170℃,许用应力0.3MPa,螺纹按GB/T 15054.2—1994加工) mm |
||||||||||||||||||||||||||||||||||||||||
|
标记示例:直管Dg25 HG/T 3191—1980 |
标记示例:直角弯头Dg25 HG/T 3192—1980 |
|||||||||||||||||||||||||||||||||||||||
|
石墨直管(HG/T 3191—1980) |
石墨直角弯头(HG/T 3192—1980) |
|||||||||||||||||||||||||||||||||||||||
|
Dg |
内径 |
D |
δ |
质量/kg·m-1 |
Dg |
d |
a |
F |
G |
H |
||||||||||||||||||||||||||||||
|
22 |
22 |
32 |
5 |
0.76 |
25 |
38 |
25 |
75 |
50 |
50 |
||||||||||||||||||||||||||||||
|
25 |
25 |
38 |
6.5 |
1.16 |
36 |
50 |
25 |
90 |
70 |
55 |
||||||||||||||||||||||||||||||
|
30 |
30 |
43 |
6.5 |
1.22 |
50 |
67 |
32 |
115 |
90 |
70 |
||||||||||||||||||||||||||||||
|
36 |
36 |
50 |
7 |
1.69 |
65 |
85 |
32 |
130 |
110 |
75 |
||||||||||||||||||||||||||||||
|
40 |
40 |
55 |
7.5 |
2.04 |
75 |
100 |
38 |
155 |
130 |
90 |
||||||||||||||||||||||||||||||
|
50 |
50 |
67 |
8.5 |
2.81 |
102 |
133 |
38 |
195 |
170 |
110 |
||||||||||||||||||||||||||||||
|
65 |
65 |
85 |
10 |
4.25 |
127 |
159 |
44 |
230 |
200 |
130 |
||||||||||||||||||||||||||||||
|
75 |
75 |
100 |
12.5 |
6.17 |
152 |
190 |
44 |
260 |
230 |
145 |
||||||||||||||||||||||||||||||
|
102 |
102 |
133 |
15.5 |
9.95 |
|
|
|
|
|
|
||||||||||||||||||||||||||||||
|
127 |
127 |
159 |
16 |
12.9 |
|
|
|
|
|
|
||||||||||||||||||||||||||||||
|
152 |
152 |
190 |
19 |
18.7 |
|
|
|
|
|
|
||||||||||||||||||||||||||||||
|
203 |
203 |
254 |
25.5 |
33.0 |
|
|
|
|
|
|
||||||||||||||||||||||||||||||
|
254 |
254 |
330 |
38 |
62.0 |
|
|
|
|
|
|
||||||||||||||||||||||||||||||
|
标记示例:45°弯头Dg25 HG/T 3354—1981 |
标记示例:四通 Dg25 HG/T 3195—1981 |
|||||||||||||||||||||||||||||||||||||||
|
石墨45°弯头(HG/T 3354—1981) |
石墨四通(HG/T 3195—1981) |
|||||||||||||||||||||||||||||||||||||||
|
Dg |
d |
a |
G |
J |
K |
M1 |
Dg |
d |
a |
G |
H |
N |
||||||||||||||||||||||||||||
|
25 |
38 |
25 |
50 |
46 |
75 |
84 |
25 |
38 |
25 |
50 |
50 |
100 |
||||||||||||||||||||||||||||
|
36 |
50 |
25 |
70 |
52 |
85 |
92 |
36 |
50 |
25 |
70 |
55 |
110 |
||||||||||||||||||||||||||||
|
50 |
67 |
32 |
90 |
70 |
113 |
126 |
50 |
67 |
32 |
90 |
70 |
140 |
||||||||||||||||||||||||||||
|
65 |
85 |
32 |
110 |
82 |
137 |
141 |
65 |
85 |
32 |
110 |
75 |
150 |
||||||||||||||||||||||||||||
|
75 |
100 |
38 |
130 |
98 |
161 |
172 |
75 |
100 |
38 |
130 |
90 |
180 |
||||||||||||||||||||||||||||
|
102 |
133 |
38 |
170 |
117 |
201 |
198 |
102 |
133 |
38 |
170 |
110 |
220 |
||||||||||||||||||||||||||||
|
127 |
159 |
44 |
200 |
137 |
234 |
234 |
127 |
159 |
44 |
200 |
130 |
260 |
||||||||||||||||||||||||||||
|
152 |
190 |
44 |
230 |
153 |
269 |
256 |
152 |
190 |
44 |
230 |
145 |
290 |
||||||||||||||||||||||||||||
|
石墨温度计套管(HG/T 3202—1981) |
||||||||||||||||||||||||||||||||||||||||
|
石墨温度计套管 |
||||||||||||||||||||||||||||||||||||||||
|
Dg |
A |
D |
L1 |
L |
F |
标记示例:温度计套管 Dg36 HG/T 3202—1981 |
||||||||||||||||||||||||||||||||||
|
36 |
50 |
54 |
38 |
100 |
15 |
|||||||||||||||||||||||||||||||||||
|
50 |
67 |
72 |
45 |
150 |
15 |
|||||||||||||||||||||||||||||||||||
|
65 |
85 |
90 |
45 |
200 |
15 |
|||||||||||||||||||||||||||||||||||
|
75 |
100 |
106 |
50 |
250 |
15 |
|||||||||||||||||||||||||||||||||||
|
102 |
133 |
138 |
54 |
300 |
18 |
|||||||||||||||||||||||||||||||||||
|
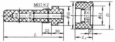
标记示例:三通 Dg25 HG/T 3194—1981 |
标记示例:Dg25,螺距2mm标记如:M25×2 HG/T 3204—1981 |
|||||||||||||||||||||||||||||||||||||||
|
石墨三通(HG/T 3194—1981) |
石墨管道用螺纹系列(HG/T 3204—1981) |
|||||||||||||||||||||||||||||||||||||||
|
Dg |
d |
a |
G |
F |
H |
N |
Dg |
d' |
d |
L |
a |
l |
螺距 |
|||||||||||||||||||||||||||
|
25 |
38 |
25 |
50 |
75 |
50 |
100 |
25 |
25 |
38 |
25 |
4 |
27 |
2 |
|||||||||||||||||||||||||||
|
36 |
50 |
25 |
70 |
90 |
55 |
110 |
36 |
36 |
50 |
25 |
4 |
27 |
3 |
|||||||||||||||||||||||||||
|
50 |
67 |
32 |
90 |
115 |
70 |
140 |
50 |
50 |
67 |
32 |
4 |
34 |
3 |
|||||||||||||||||||||||||||
|
65 |
85 |
32 |
110 |
130 |
75 |
150 |
65 |
65 |
85 |
32 |
4 |
34 |
4 |
|||||||||||||||||||||||||||
|
75 |
100 |
38 |
130 |
155 |
90 |
180 |
75 |
75 |
100 |
38 |
4 |
40 |
4 |
|||||||||||||||||||||||||||
|
102 |
133 |
38 |
170 |
195 |
110 |
220 |
102 |
102 |
133 |
38 |
5 |
40 |
6 |
|||||||||||||||||||||||||||
|
127 |
159 |
44 |
200 |
230 |
130 |
260 |
127 |
127 |
159 |
44 |
5 |
48 |
6 |
|||||||||||||||||||||||||||
|
152 |
190 |
44 |
230 |
260 |
145 |
290 |
152 |
152 |
190 |
44 |
5 |
48 |
6 |
|||||||||||||||||||||||||||
|
|
|
|
|
|
|
|
203 |
203 |
254 |
51 |
5 |
55 |
6 |
|||||||||||||||||||||||||||
|
|
|
|
|
|
|
|
254 |
254 |
330 |
63 |
5 |
57 |
6 |
|||||||||||||||||||||||||||







