|
不透明石英玻璃制品(JC/T 182—1997) mm |
||||||||||||||||
|
直 管 规 格 |
锥形管规格 |
|||||||||||||||
|
外径 |
外径偏差 |
壁厚范围 |
壁厚偏差 |
同一横截面壁厚偏差 |
|
|||||||||||
|
75~99 |
±1.0 |
2.5~10 |
±1.0 |
1.0 |
||||||||||||
|
100~149 |
±1.5 |
5~25 |
±1.0 |
1.0 |
||||||||||||
|
150~199 |
±2.0 |
5~25 |
±2.0 |
2.0 |
||||||||||||
|
200~249 |
±2.5 |
10~25 |
±3.0 |
3.0 |
||||||||||||
|
250~299 |
±3.0 |
10~25 |
±3.0 |
3.0 |
||||||||||||
|
300~349 |
±3.0 |
10~25 |
±3.0 |
3.0 |
||||||||||||
|
350~399 |
±3.5 |
25~50 |
±4.0 |
4.0 |
||||||||||||
|
400~424 |
±3.5 |
25~50 |
±4.0 |
4.0 |
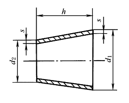
高度h |
大端外径d1 |
小端外径d2 |
壁厚s |
||||||||
|
425~459 |
±4.0 |
25~50 |
±5.0 |
5.0 |
500±5 |
300±3 |
270±3 |
20±5 |
||||||||
|
460~500 |
±5.0 |
25~50 |
±5.0 |
5.0 |
610±5 |
370±3 |
270±3 |
20±5 |
||||||||
|
备注:长度由供需双方商定。 |
660±5 |
380±3 |
270±3 |
20±5 |
||||||||||||
|
弯 管 |
玻 璃 砖 |
|||||||||||||||
|
大弯头 |
小弯头 |
长度L |
宽度H |
厚度B |
偏差 |
|||||||||||
|
200 |
150~200 |
250~300 |
±5 |
|||||||||||||
|
300 |
150~200 |
250~300 |
±5 |
|||||||||||||
|
400 |
150~200 |
250~300 |
±5 |
|||||||||||||
|
500 |
150~200 |
250~300 |
±5 |
|||||||||||||
|
600 |
150~200 |
250~300 |
±5 |
|||||||||||||
|
700 |
150~200 |
250~300 |
±5 |
|||||||||||||
|
800 |
150~200 |
250~300 |
±5 |
|||||||||||||
|
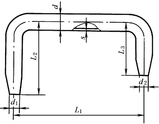
型式 |
外径d1 |
外径d2 |
L1 |
250~300 |
L3 |
壁厚s |
900 |
150~200 |
250~300 |
±5 |
||||||
|
大弯头 |
75±1.5 |
80±1.5 |
|
250~300 |
|
5±1.5 |
1000 |
150~200 |
250~300 |
±5 |
||||||
|
小弯头 |
75±1.5 |
50±1.5 |
570±3 |
350±5 |
240±5 |
5±1.5 |
|
|
|
|
||||||
|
不透明石英 玻璃板材 |
圆板 |
最大规格: f (550±5)×(30±3) |
||||||||||||||
|
矩形板 |
最大规格: (800±5)×(550±5)×(30±3) |
|||||||||||||||
|
注:1.不透明石英玻璃板材、管材的SiO2含量应≥99.5%,玻璃砖的SiO2含量应≥99%。 2.热稳定试验:一组三个试样于1100℃下恒温30min后,置于空气中冷却至室温,不出现裂纹。 3.不透明石英玻璃制品用于耐电压、耐高温、耐强酸及对热稳定性有一定要求的场合。 4.有色冶金工业用电除尘器、电除雾器上的石英管要求击穿电压达180kV/mm。 |
||||||||||||||||



