|
化工用硬聚氯乙烯管件(QB/T 3802—1999) mm |
||||||||||||||||||||||||||||||||||||||||||||||||||||||
|
(1)许用工作压力 |
|
|
||||||||||||||||||||||||||||||||||||||||||||||||||||
|
公称直径De/mm |
10~90 |
110~140 |
160 |
|||||||||||||||||||||||||||||||||||||||||||||||||||
|
工作压力p/105Pa |
16 |
10 |
6 |
|||||||||||||||||||||||||||||||||||||||||||||||||||
|
(2)用于输送0~40℃酸碱等腐蚀性液体 (3)De、D'e代表管材公称直径 |
||||||||||||||||||||||||||||||||||||||||||||||||||||||
|
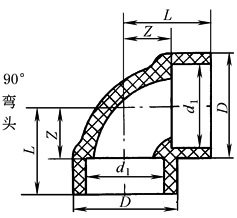
1.阴 接 头 |
2.弯 头 |
|||||||||||||||||||||||||||||||||||||||||||||||||||||
|
De |
d1 |
d2 |
l |
d 基本 尺寸 |
Dmin |
tmin |
De |
90° |
45° |
|||||||||||||||||||||||||||||||||||||||||||||
|
基本 尺寸 |
偏差 |
基本 尺寸 |
偏差 |
基本 尺寸 |
偏差 |
Z |
L |
Z |
L |
|||||||||||||||||||||||||||||||||||||||||||||
|
10 |
10.3 |
±0.10 |
10.1 |
±0.10 |
12 |
±0.5 |
6.1 |
14.1 |
2 |
10 |
6±1 |
18 |
3±1 |
15 |
||||||||||||||||||||||||||||||||||||||||
|
12 |
12.3 |
±0.12 |
12.1 |
±0.12 |
12 |
±0.5 |
8.1 |
16.1 |
2 |
12 |
7±1 |
19 |
3.5±1 |
15.5 |
||||||||||||||||||||||||||||||||||||||||
|
16 |
16.3 |
±0.12 |
16.1 |
±0.12 |
14 |
±0.5 |
12.1 |
20.1 |
2 |
16 |
9±1 |
23 |
4.5±1 |
18.5 |
||||||||||||||||||||||||||||||||||||||||
|
20 |
20.4 |
±0.14 |
20.2 |
±0.14 |
16 |
±0.8 |
15.6 |
24.8 |
2.3 |
20 |
11±1 |
27 |
5±1 |
21 |
||||||||||||||||||||||||||||||||||||||||
|
25 |
25.5 |
±0.16 |
25.2 |
±0.16 |
19 |
±0.8 |
19.6 |
30.8 |
2.8 |
25 |
|
32.5 |
|
25 |
||||||||||||||||||||||||||||||||||||||||
|
32 |
32.5 |
±0.18 |
32.2 |
±0.18 |
22 |
±0.8 |
25 |
39.4 |
3.6 |
32 |
|
39 |
|
29.5 |
||||||||||||||||||||||||||||||||||||||||
|
40 |
40.7 |
±0.20 |
40.2 |
±0.20 |
26 |
±1 |
31.2 |
49.2 |
4.5 |
40 |
|
47 |
|
35.5 |
||||||||||||||||||||||||||||||||||||||||
|
50 |
50.7 |
±0.22 |
50.2 |
±0.22 |
31 |
±1 |
39 |
61.4 |
5.6 |
50 |
|
57 |
|
42.5 |
||||||||||||||||||||||||||||||||||||||||
|
63 |
63.9 |
±0.24 |
63.3 |
±0.24 |
38 |
±1 |
49.1 |
77.5 |
7.1 |
63 |
|
70.5 |
|
52 |
||||||||||||||||||||||||||||||||||||||||
|
75 |
76 |
±0.26 |
75.3 |
±0.26 |
44 |
±1 |
58.5 |
92 |
8.4 |
75 |
|
82.5 |
|
60.5 |
||||||||||||||||||||||||||||||||||||||||
|
90 |
91.2 |
±0.30 |
90.4 |
±0.30 |
51 |
±2 |
70 |
110.6 |
10.1 |
90 |
|
97 |
|
70.5 |
||||||||||||||||||||||||||||||||||||||||
|
110 |
111.3 |
±0.34 |
110.4 |
±0.34 |
61 |
±2 |
94.2 |
127 |
8.1 |
110 |
|
117 |
|
84.5 |
||||||||||||||||||||||||||||||||||||||||
|
125 |
126.5 |
±0.38 |
125.5 |
±0.38 |
69 |
±2 |
107.1 |
143.9 |
9.2 |
125 |
|
132.5 |
|
96 |
||||||||||||||||||||||||||||||||||||||||
|
140 |
141.6 |
±0.42 |
140.5 |
±0.42 |
77 |
±2 |
119.3 |
162 |
10.6 |
140 |
|
148 |
|
107 |
||||||||||||||||||||||||||||||||||||||||
|
160 |
161.8 |
±0.46 |
160.6 |
±0.46 |
86 |
±2.5 |
145.2 |
176 |
7.7 |
160 |
|
167 |
|
120 |
||||||||||||||||||||||||||||||||||||||||
|
|
||||||||||||||||||||||||||||||||||||||||||||||||||||||
|
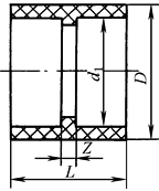
3.异 径 套 |
||||||||||||||||||||||||||||||||||||||||||||||||||||||
|
De×D'e |
Z |
D2 |
De×D'e |
Z |
D2 |
De×D'e |
Z |
D2 |
||||||||||||||||||||||||||||||||||||||||||||||
|
12×10 |
15±1 |
16±0.2 |
20×12 |
21±1 |
25±0.3 |
32×16 |
30±1 |
40±0.4 |
||||||||||||||||||||||||||||||||||||||||||||||
|
16×10 |
18±1 |
20±0.3 |
25×12 |
25±1 |
32±0.3 |
40×16 |
30±1.5 |
50±0.4 |
||||||||||||||||||||||||||||||||||||||||||||||
|
20×10 |
21±1 |
25±0.3 |
32×12 |
30±1 |
40±0.4 |
25×20 |
25±1 |
32±0.3 |
||||||||||||||||||||||||||||||||||||||||||||||
|
25×10 |
25±1 |
32±0.3 |
20×16 |
21±1 |
25±0.3 |
32×20 |
30±1 |
40±0.4 |
||||||||||||||||||||||||||||||||||||||||||||||
|
16×12 |
18±1 |
20±0.3 |
25×16 |
25±1 |
32±0.3 |
40×20 |
36±1.5 |
50±0.4 |
||||||||||||||||||||||||||||||||||||||||||||||
|
50×20 |
44±1.5 |
63±0.5 |
90×40 |
74±2 |
110±0.8 |
140×75 |
111±2 |
160±1.2 |
||||||||||||||||||||||||||||||||||||||||||||||
|
32×25 |
30±1 |
40±0.4 |
63×50 |
54±1.5 |
75±0.5 |
110×90 |
88±2 |
125±1.0 |
||||||||||||||||||||||||||||||||||||||||||||||
|
40×25 |
36±1.5 |
50±0.4 |
75×50 |
62±1.5 |
90±0.7 |
125×90 |
100±2 |
140±1.0 |
||||||||||||||||||||||||||||||||||||||||||||||
|
50×25 |
44±1.5 |
63±0.5 |
90×50 |
74±2 |
110±0.8 |
140×90 |
111±2 |
160±1.2 |
||||||||||||||||||||||||||||||||||||||||||||||
|
62×25 |
54±1.5 |
75±0.5 |
110×50 |
88±2 |
125±1.0 |
160×90 |
126±2 |
180±1.4 |
||||||||||||||||||||||||||||||||||||||||||||||
|
40×32 |
36±1.5 |
50±0.4 |
75×63 |
62±1.5 |
90±0.7 |
125×110 |
100±2 |
140±1.0 |
||||||||||||||||||||||||||||||||||||||||||||||
|
50×32 |
44±1.5 |
63±0.5 |
90×63 |
74±2 |
110±0.8 |
140×110 |
111±2 |
160±1.2 |
||||||||||||||||||||||||||||||||||||||||||||||
|
63×32 |
54±1.5 |
75±0.5 |
110×63 |
88±2 |
125±1.0 |
160×110 |
126±2 |
180±1.4 |
||||||||||||||||||||||||||||||||||||||||||||||
|
75×32 |
62±1.5 |
90±0.7 |
125×63 |
100±2 |
140±1.0 |
140×125 |
111±2 |
160±1.2 |
||||||||||||||||||||||||||||||||||||||||||||||
|
50×40 |
44±1.5 |
63±0.5 |
90×75 |
74±2 |
110±0.8 |
160×125 |
126±2 |
180±1.4 |
||||||||||||||||||||||||||||||||||||||||||||||
|
63×40 |
54±1.5 |
75±0.5 |
110×75 |
88±2 |
125±1.0 |
160×140 |
126±2 |
180±1.4 |
||||||||||||||||||||||||||||||||||||||||||||||
|
75×40 |
62±1.5 |
90±0.7 |
125×75 |
100±2 |
140±1.0 |
|
|
|
||||||||||||||||||||||||||||||||||||||||||||||
|
|
||||||||||||||||||||||||||||||||||||||||||||||||||||||
|
4. 45° 三 通 |
5. 90° 三 通 |
|||||||||||||||||||||||||||||||||||||||||||||||||||||
|
De |
Z1 |
Z2 |
Z3 |
L1 |
L2 |
L3 |
De |
Z |
L |
De |
Z |
L |
||||||||||||||||||||||||||||||||||||||||||
|
20 |
|
27±3 |
29±3 |
22 |
43 |
51 |
10 |
6±1 |
18 |
125 |
|
132.5 |
||||||||||||||||||||||||||||||||||||||||||
|
25 |
|
33±3 |
35±3 |
26 |
52 |
54 |
12 |
7±1 |
19 |
140 |
|
148 |
||||||||||||||||||||||||||||||||||||||||||
|
32 |
|
|
|
30 |
64 |
67 |
16 |
9±1 |
23 |
160 |
|
167 |
||||||||||||||||||||||||||||||||||||||||||
|
40 |
|
|
|
36 |
77 |
80 |
20 |
11±1 |
27 |
|
|
|
||||||||||||||||||||||||||||||||||||||||||
|
50 |
|
|
|
43 |
94 |
98 |
25 |
|
32.5 |
|
|
|
||||||||||||||||||||||||||||||||||||||||||
|
63 |
|
|
|
52 |
117 |
122 |
30 |
|
39 |
|
|
|
||||||||||||||||||||||||||||||||||||||||||
|
75 |
|
|
|
61 |
138 |
144 |
40 |
|
47 |
|
|
|
||||||||||||||||||||||||||||||||||||||||||
|
90 |
|
|
|
71 |
163 |
170 |
50 |
|
57 |
|
|
|
||||||||||||||||||||||||||||||||||||||||||
|
110 |
|
|
|
85 |
198 |
206 |
63 |
|
70.5 |
|
|
|
||||||||||||||||||||||||||||||||||||||||||
|
125 |
|
|
|
96 |
226 |
236 |
75 |
|
82.5 |
|
|
|
||||||||||||||||||||||||||||||||||||||||||
|
140 |
|
|
|
107 |
252 |
262 |
90 |
|
97 |
|
|
|
||||||||||||||||||||||||||||||||||||||||||
|
160 |
|
|
|
121 |
286 |
298 |
110 |
|
117 |
|
|
|
||||||||||||||||||||||||||||||||||||||||||
|
|
||||||||||||||||||||||||||||||||||||||||||||||||||||||
|
6. 法 兰 变 接 头 |
||||||||||||||||||||||||||||||||||||||||||||||||||||||
|
De |
d'1 |
d2 |
d3 |
l |
rmax |
平面结合面 |
带槽结合面 |
|||||||||||||||||||||||||||||||||||||||||||||||
|
h |
Z |
h1 |
Z1 |
|||||||||||||||||||||||||||||||||||||||||||||||||||
|
16 |
22±1 |
13 |
29 |
14 |
1 |
6 |
3 |
9 |
6 |
|||||||||||||||||||||||||||||||||||||||||||||
|
20 |
27±0.16 |
16 |
34 |
16 |
1 |
6 |
3 |
9 |
6 |
|||||||||||||||||||||||||||||||||||||||||||||
|
25 |
33±0.16 |
21 |
41 |
19 |
1.5 |
7 |
3 |
10 |
6 |
|||||||||||||||||||||||||||||||||||||||||||||
|
32 |
41±0.2 |
28 |
50 |
22 |
1.5 |
7 |
3 |
10 |
6 |
|||||||||||||||||||||||||||||||||||||||||||||
|
40 |
50±0.2 |
36 |
61 |
26 |
2 |
8 |
3 |
13 |
8 |
|||||||||||||||||||||||||||||||||||||||||||||
|
50 |
61±0.2 |
45 |
73 |
31 |
2 |
8 |
3 |
13 |
8 |
|||||||||||||||||||||||||||||||||||||||||||||
|
63 |
76±0.3 |
57 |
90 |
38 |
2.5 |
9 |
3 |
14 |
8 |
|||||||||||||||||||||||||||||||||||||||||||||
|
75 |
90±0.3 |
69 |
106 |
44 |
2.5 |
10 |
3 |
15 |
8 |
|||||||||||||||||||||||||||||||||||||||||||||
|
90 |
108±0.3 |
82 |
125 |
51 |
3 |
11 |
5 |
16 |
10 |
|||||||||||||||||||||||||||||||||||||||||||||
|
110 |
131±0.3 |
102 |
150 |
61 |
3 |
12 |
5 |
18 |
11 |
|||||||||||||||||||||||||||||||||||||||||||||
|
125 |
148±0.4 |
117 |
170 |
69 |
3 |
13 |
5 |
19 |
11 |
|||||||||||||||||||||||||||||||||||||||||||||
|
140 |
165±0.4 |
132 |
188 |
77 |
4 |
14 |
5 |
20 |
11 |
|||||||||||||||||||||||||||||||||||||||||||||
|
160 |
188±0.4 |
152 |
213 |
86 |
4 |
16 |
5 |
22 |
11 |
|||||||||||||||||||||||||||||||||||||||||||||
|
管 套 |
||||||||||||||||||||||||||||||||||||||||||||||||||||||
|
7. 管 套 |
||||||||||||||||||||||||||||||||||||||||||||||||||||||
|
De |
Z |
L |
De |
Z |
L |
De |
Z |
L |
||||||||||||||||||||||||||||||||||||||||||||||
|
10 |
3±1 |
27 |
32 |
|
47 |
90 |
|
107 |
||||||||||||||||||||||||||||||||||||||||||||||
|
12 |
3±1 |
27 |
40 |
|
55 |
110 |
|
128 |
||||||||||||||||||||||||||||||||||||||||||||||
|
16 |
3±1 |
31 |
50 |
|
65 |
125 |
|
144 |
||||||||||||||||||||||||||||||||||||||||||||||
|
20 |
3±1 |
35 |
63 |
|
79 |
140 |
|
152 |
||||||||||||||||||||||||||||||||||||||||||||||
|
25 |
|
41 |
75 |
|
92 |
160 |
|
180 |
||||||||||||||||||||||||||||||||||||||||||||||
|
法 兰 |
||||||||||||||||||||||||||||||||||||||||||||||||||||||
|
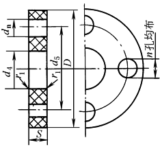
8. 法 兰 |
||||||||||||||||||||||||||||||||||||||||||||||||||||||
|
配合使用实例: |
De |
d4 |
D |
d5 |
r1min |
dn |
n |
螺栓 |
S |
|||||||||||||||||||||||||||||||||||||||||||||
|
16 |
|
90 |
60 |
1 |
14 |
4 |
M12 |
根 据 使 用 温 度 、 压 力 而 定 |
||||||||||||||||||||||||||||||||||||||||||||||
|
|
20 |
|
95 |
65 |
1 |
14 |
4 |
M12 |
||||||||||||||||||||||||||||||||||||||||||||||
|
25 |
|
105 |
75 |
1.5 |
14 |
4 |
M12 |
|||||||||||||||||||||||||||||||||||||||||||||||
|
32 |
|
115 |
85 |
1.5 |
14 |
4 |
M12 |
|||||||||||||||||||||||||||||||||||||||||||||||
|
40 |
|
140 |
100 |
2 |
18 |
4 |
M16 |
|||||||||||||||||||||||||||||||||||||||||||||||
|
50 |
|
150 |
110 |
2 |
18 |
4 |
M16 |
|||||||||||||||||||||||||||||||||||||||||||||||
|
63 |
|
165 |
125 |
2.5 |
18 |
4 |
M16 |
|||||||||||||||||||||||||||||||||||||||||||||||
|
75 |
|
185 |
145 |
2.5 |
18 |
8 |
M16 |
|||||||||||||||||||||||||||||||||||||||||||||||
|
90 |
|
200 |
160 |
3 |
18 |
8 |
M16 |
|||||||||||||||||||||||||||||||||||||||||||||||
|
110 |
|
220 |
180 |
3 |
18 |
8 |
M16 |
|||||||||||||||||||||||||||||||||||||||||||||||
|
125 |
|
250 |
210 |
3 |
18 |
8 |
M16 |
|||||||||||||||||||||||||||||||||||||||||||||||
|
140 |
|
250 |
210 |
4 |
18 |
8 |
M16 |
|||||||||||||||||||||||||||||||||||||||||||||||
|
160 |
|
285 |
240 |
4 |
22 |
8 |
M20 |
|||||||||||||||||||||||||||||||||||||||||||||||
|
注:1.配合时的最小承插深度为1/2 De。 2.2、3、4、5、6、7中的其他尺寸按阴接头相同尺寸确定,3的d0 按d1 相应比例确定。 3.法兰变接头密封圈槽处均按O形橡胶密封圈的公称尺寸配合加工。 4.n为螺栓数。 |
||||||||||||||||||||||||||||||||||||||||||||||||||||||








