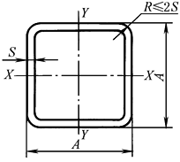
冷拔异型方形钢管(GB/T 3094—2012) | |||||
| |||||
基本尺寸 | 截面面积 | 理论重量a | 惯性矩 | 截面模数 | |
A | S | F | G | Jx=Jy | Wx=Wy |
mm | cm2 | kg/m | cm4 | cm3 | |
12 | 0.8 | 0.347 | 0.273 | 0.072 | 0.119 |
1 | 0.423 | 0.332 | 0.084 | 0.140 | |
14 | 1 | 0.503 | 0.395 | 0.139 | 0.199 |
1.5 | 0.711 | 0.558 | 0.181 | 0.259 | |
16 | 1 | 0.583 | 0.458 | 0.216 | 0.270 |
1.5 | 0.831 | 0.653 | 0.286 | 0.357 | |
18 | 1 | 0.663 | 0.520 | 0.315 | 0.351 |
1.5 | 0.951 | 0.747 | 0.424 | 0.471 | |
2 | 1.211 | 0.951 | 0.505 | 0.561 | |
20 | 1 | 0.743 | 0.583 | 0.442 | 0.442 |
1.5 | 1.071 | 0.841 | 0.601 | 0.601 | |
2 | 1.371 | 1.076 | 0.725 | 0.725 | |
2.5 | 1.643 | 1.290 | 0.817 | 0.817 | |
22 | 1 | 0.823 | 0.646 | 0.599 | 0.544 |
1.5 | 1.191 | 0.935 | 0.822 | 0.748 | |
2 | 1.531 | 1.202 | 1.001 | 0.910 | |
2.5 | 1.843 | 1.447 | 1.140 | 1.036 | |
25 | 1.5 | 1.371 | 1.077 | 1.246 | 0.997 |
2 | 1.771 | 1.390 | 1.535 | 1.228 | |
2.5 | 2.143 | 1.682 | 1.770 | 1.416 | |
3 | 2.485 | 1.951 | 1.955 | 1.564 | |
30 | 2 | 2.171 | 1.704 | 2.797 | 1.865 |
3 | 3.085 | 2.422 | 3.670 | 2.447 | |
3.5 | 3.500 | 2.747 | 3.996 | 2.664 | |
4 | 3.885 | 3.050 | 4.256 | 2.837 | |
32 | 2 | 2.331 | 1.830 | 3.450 | 2.157 |
3 | 3.325 | 2.611 | 4.569 | 2.856 | |
3.5 | 3.780 | 2.967 | 4.999 | 3.124 | |
4 | 4.205 | 3.301 | 5.351 | 3344 | |
35 | 2 | 2.571 | 2.018 | 4.610 | 2.634 |
3 | 3.685 | 2.893 | 6.176 | 3.529 | |
3.5 | 4.200 | 3.297 | 6.799 | 3.5885 | |
4 | 4.685 | 3.678 | 7.324 | 4.185 | |
36 | 2 | 2.651 | 2.081 | 5.148 | 28.04 |
3 | 3.0805 | 2.987 | 6.785 | 3.769 | |
4 | 4.845 | 3.804 | 8.076 | 4.487 | |
5 | 5.771 | 4.530 | 8.975 | 4.986 | |
40 | 2 | 2.971 | 3.332 | 7.075 | 3.537 |
3 | 4.285 | 3.364 | 9.622 | 4.811 | |
4 | 5.485 | 4.306 | 11.60 | 5.799 | |
5 | 6.571 | 5.158 | 13.06 | 6.532 | |
42 | 2 | 3.131 | 2.458 | 8.265 | 3.936 |
3 | 4.525 | 3.553 | 11.30 | 5.380 | |
4 | 5.805 | 4.557 | 13.69 | 6.519 | |
5 | 6.971 | 5.472 | 15.51 | 7.385 | |
45 | 2 | 3.371 | 2.646 | 10.29 | 4.574 |
3 | 4.885 | 3.835 | 14.16 | 6.293 | |
4 | 6.285 | 4.934 | 17.28 | 7.679 | |
5 | 7.571 | 5.943 | 19.72 | 8.763 | |
50 | 2 | 3.771 | 2.960 | 14.36 | 5.743 |
3 | 5.485 | 4.306 | 19.94 | 7.975 | |
4 | 7.085 | 5.562 | 24.56 | 9.826 | |
5 | 8.571 | 6.728 | 28.32 | 11.33 | |
55 | 2 | 4.171 | 3.274 | 19.38 | 7.046 |
3 | 6.085 | 4.777 | 27.11 | 9.857 | |
4 | 7.885 | 6.190 | 33.66 | 12.24 | |
5 | 9.571 | 7.513 | 39.11 | 14.22 | |
60 | 3 | 6.685 | 5.248 | 35.82 | 11.94 |
4 | 8.685 | 6.818 | 44.75 | 17.45 | |
5 | 10.57 | 8.298 | 52.35 | 19.57 | |
6 | 12.34 | 9.688 | 58.72 | 14.22 | |
65 | 3 | 7.285 | 5.719 | 46.22 | 17.86 |
4 | 9.485 | 7.446 | 58.05 | 21.01 | |
5 | 11.57 | 9.083 | 68.29 | 23.70 | |
6 | 13.54 | 10.63 | 77.03 | 16.70 | |
70 | 3 | 7.885 | 6.190 | 58.46 | 16.70 |
4 | 10.29 | 8.074 | 73.76 | 21.08 | |
5 | 12.57 | 9.868 | 87.18 | 24.91 | |
6 | 14.74 | 11.57 | 98.81 | 28.23 | |
75 | 4 | 11.09 | 8.702 | 92.08 | 24.55 |
5 | 13.57 | 10.65 | 109.3 | 29.14 | |
6 | 15.94 | 12.51 | 124.4 | 33.16 | |
8 | 19.79 | 15.54 | 141.4 | 37.72 | |
80 | 4 | 11.89 | 9.330 | 113.2 | 28.30 |
5 | 14.57 | 11.44 | 134.8 | 33.70 | |
6 | 17.14 | 13.46 | 154.0 | 38.49 | |
8 | 21.39 | 16.79 | 177.2 | 44.30 | |
90 | 4 | 13.49 | 10.59 | 164.7 | 36.59 |
5 | 16.57 | 13.01 | 197.2 | 43.82 | |
6 | 19.54 | 15.34 | 226.6 | 50.35 | |
8 | 24.59 | 19.30 | 265.8 | 59.06 | |
100 | 5 | 18.57 | 14.58 | 276.4 | 55.27 |
6 | 21.94 | 17.22 | 319.0 | 63.80 | |
8 | 27.79 | 21.82 | 379.8 | 75.95 | |
10 | 33.42 | 26.24 | 432.6 | 86.52 | |
108 | 5 | 20.17 | 15.83 | 351.1 | 65.39 |
6 | 23.86 | 18.73 | 408.9 | 75.72 | |
8 | 30.35 | 23.83 | 491.4 | 91.00 | |
10 | 36.62 | 28.75 | 546.3 | 104.5 | |
120 | 6 | 26.74 | 20.99 | 573.1 | 95.51 |
8 | 34.19 | 26.84 | 696.8 | 116.1 | |
10 | 41.42 | 32.52 | 807.9 | 134.7 | |
12 | 48.13 | 37.78 | 897.0 | 149.5 | |
125 | 6 | 27.94 | 21.93 | 652.7 | 104.4 |
8 | 35.79 | 28.10 | 797.0 | 127.5 | |
10 | 43.42 | 34.09 | 927.2 | 148.3 | |
12 | 50.53 | 39.67 | 1033.2 | 165.3 | |
130 | 6 | 29.14 | 22.88 | 739.5 | 113.8 |
8 | 37.39 | 29.35 | 906.3 | 139.4 | |
10 | 45.42 | 35.66 | 1057.6 | 162.7 | |
12 | 52.93 | 41.55 | 1182.5 | 181.9 | |
140 | 6 | 31.54 | 24.76 | 935.3 | 133.6 |
8 | 40.59 | 31.86 | 1153.9 | 164.8 | |
10 | 49.42 | 38.8. | 1354.1 | 193.4 | |
12 | 57.73 | 45.32 | 1522.8 | 217.5 | |
150 | 8 | 43.79 | 34.38 | 1443.0 | 192.4 |
10 | 53.42 | 41.94 | 1701.2 | 226.8 | |
12 | 62.53 | 49.09 | 1922.6 | 256.3 | |
14 | 71.11 | 55.82 | 2109.2 | 281.2 | |
160 | 8 | 46.99 | 36.89 | 1776.7 | 222.1 |
10 | 57.42 | 45.08 | 2103.1 | 262.9 | |
12 | 67.33 | 52.86 | 2386.8 | 298.4 | |
14 | 76.71 | 60.22 | 2630.1 | 328.8 | |
180 | 8 | 53.39 | 41.91 | 2590.7 | 287.9 |
10 | 65.42 | 41.36 | 3086.9 | 343.0 | |
12 | 76.93 | 60.39 | 3527.6 | 392.0 | |
14 | 87.91 | 69.01 | 3915.3 | 435.0 | |
200 | 10 | 73.42 | 57.64 | 4337.6 | 433.8 |
12 | 86.53 | 67.93 | 4983.6 | 498.4 | |
14 | 99.11 | 77.80 | 5562.3 | 556.2 | |
16 | 111.2 | 87.27 | 6076.4 | 607.6 | |
250 | 10 | 93.42 | 73.34 | 8841.9 | 707.3 |
12 | 110.5 | 86.77 | 10254.2 | 820.3 | |
14 | 127.1 | 99.78 | 11556.2 | 924.5 | |
16 | 143.2 | 112.4 | 12751.4 | 1020.1 | |
280 | 10 | 105.4 | 82.76 | 12648.9 | 903.5 |
12 | 124.9 | 98.07 | 14726.8 | 1051.9 | |
14 | 143.9 | 113.0 | 16663.5 | 1190.2 | |
16 | 162.4 | 127.5 | 18462.8 | 1318.8 | |
a当S≤6mm时,R=1.5S,方型钢管理论重量推荐计算公式见式(A.1);当S>6mm时,R=2S,方形钢管理论重量推荐计算公式见式(A.2)。 G=0.015 7S(2A-2.858 4S)....................(A.1) G=0.015 7S(2A-3.287 6S)....................(A.2) G——矩形钢管的理论重量(钢的密度按7.85kg/dm3),单位为公斤每米(kg/m); A——矩形钢管的长、宽,单位为毫米(mm); S——矩形钢管的公称壁厚,单位为毫米(mm)。 | |||||

