|
标注表面结构的方法(GB/T 131—2006) |
||||||||||||||||||||||||||||
|
1.标注表面结构的图形符号 |
符 号 |
意义及说明 |
||||||||||||||||||||||||||
|
基本图形符号 |
|
表示对表面结构有要求的图形符号。当不加注粗糙度参数值或有关说明(如表面处理、局部热处理状况等)时,仅适用于简化代号标注,没有补充说明时不能单独使用 |
||||||||||||||||||||||||||
|
扩展图形符号 |
|
要求去除材料的图形符号。在基本图形符号上加一短横,表示指定表面是用去除材料的方法获得,如通过机械加工获得的表面 |
||||||||||||||||||||||||||
|
|
不允许去除材料的图形符号。在基本图形符号上加一个圆圈,表示指定表面是用不去除材料方法获得 |
|||||||||||||||||||||||||||
|
完整图形符号 |
允许任何工艺 去除材料 不去除材料 |
当要求标注表面结构特征的补充信息时,应在基本图形符号和扩展图形符号的长边上加一横线 |
||||||||||||||||||||||||||
|
工件轮廓各表面的图形符号 |
|
当在图样某个视图上构成封闭轮廓的各表面有相同的表面结构要求时,应在完整图形符号上加一圆圈,标注在图样中工件的封闭轮廓线上。如果标注会引起歧义时,各表面应分别标注 注:图示的表面结构符号是指对图形中封闭轮廓的六个面的共同要求(不包括前后面) |
||||||||||||||||||||||||||
|
2.表面结构完整图形符号的组成 |
为了明确表面结构要求,除了标注表面结构参数和数值外,必要时应标注补充要求,补充要求包括传输带、取样长度、加工工艺、表面纹理及方向、加工余量等。即在完整图形符号中,对表面结构的单一要求和补充要求,注写在图1所示位置。为了保证表面的功能特征,应对表面结构参数规定不同要求。图中a~e位置注写以下内容:
图1 表面结构完整图形符号的组成 a——注写表面结构的单一要求,标注表面结构参数代号、极限值和传输带(传输带是两个定义的滤波器之间的波长范围,见GB/T 6062和GB/T 1877)或取样长度。为了避免误解,在参数代号和极限值间应插入空格。传输带或取样长度后应有一斜线“/”,之后是表面结构参数代号,最后是数值 示例1:0.0025—0.8/Rz6.3(传输带标注) 示例2:-0.8/Rz6.3(取样长度标注) a、b——注写两个或多个表面结构要求,在位置a注写第一个表面结构要求,在位置b注写第二个表面结构要求。如果要注写第三个或更多个表面结构要求,图形符号应在垂直方向扩大,以空出足够的空间。扩大图形符号时,a和b的位置随之上移 c——注写加工方法、表面处理、涂层或其他加工工艺要求,如车、磨、镀等 d——注写表面纹理和方向,如“ e——注写加工余量,以毫米为单位给出数值 |
|||||||||||||||||||||||||||
|
3.文本中用文字表达图形符号 |
在报告和合同的文本中用文字表达完整图形符号时,应用字母分别表示:APA,允许任何工艺;MRR,去除材料;NMR,不去除材料 示例:MRRRa08:Rz13.2 |
|||||||||||||||||||||||||||
|
4.表面结构参数的标注 |
给出表面结构要求时,应标注其参数代号和相应数值,并包括要求解释的以下四项重要信息:三种轮廓(R、W、P)中的一种;轮廓特征;满足评定长度要求的取样长度的个数;要求的极限值 |
|||||||||||||||||||||||||||
|
参数代号的标注 |
根据GB/T 3505定义的轮廓参数标注三个(R、W、P)主要表面结构参数时,应使用完整符号。由于波纹度W和原始轮廓P的轮廓参数目前缺乏数值,所以此二者参数代号未编入。同样,图形参数和支承率曲线参数也缺乏数值未编入 |
|||||||||||||||||||||||||||
|
|
高度参数 |
间距 参数 |
混合 参数 |
曲线和相关参数 |
||||||||||||||||||||||||
|
峰谷值 |
平均值 |
|||||||||||||||||||||||||||
|
R轮廓参数 (粗糙度参数) |
Rp |
Rv |
Rz |
Rc |
Rt |
Ra |
Rq |
Rsk |
Rku |
RSm |
RΔq |
Rmr(c) |
Rδc |
Rmr |
||||||||||||||
|
如果标注参数代号后无“max”,则是引用给定极限的默认解释(即GB/T10610定义的16%规则),否则应用最大规则(即GB/T10610定义的最大规则)解释其给定的极限 |
||||||||||||||||||||||||||||
|
评定长度(ln)的标注 |
若所注参数代号后无“max”,则采用的是有关标准中默认的评定长度。R轮廓粗糙度参数默认评定长度在GB/T 10610中定义,默认评定长度ln,由5个取样长度lr构成,即ln=5×lr。若不存在默认的评定长度时,参数代号中应标注取样长度个数,如Rp3、Rv3、Rz3、Rc3、Rt3、Ra3、RSm3等(要求评定长度为3个取样长度)。其他如W轮廓、P轮廓、图形参数、支承率曲线参数的评定长度的注法未编入 |
|||||||||||||||||||||||||||
|
极限值判断规则的标注 |
表面结构要求中给定极限值的判断规则有两种(见GB/T 10610): ① 16%规则:是所有表面结构要求标注的默认规则,见图2 ② 最大规则:此规则用于表面结构要求时,则参数代号中应加上“max”,见图3
图2 当应用16%规则(默认传输带)时参数的注法
图3 当应用最大规则(默认传输带)时参数的注法 16%规则和最大规则均适用于GB/T 3505中定义的轮廓参数。图形参数和支承率曲线的参数标注未编入 |
|||||||||||||||||||||||||||
|
传输带和取样长度的标注 |
① 当参数代号中没有标注传输带时(图2、图3),表面结构要求采用默认的传输带(默认传输带定义见GB/T 131—2006附录G,而传输带是评定时的波长范围,传输带的波长范围在两个定义的滤波器(见GB/T 6062)之间。传输带被一个截止短波的滤波器(短波滤波器)和另一个截止长波的滤波器(长波滤波器)所限制。长波滤波器的截止波长值也就是取样长度。其数值见表表面粗糙度参数数值及取样长度l与评定长度ln数值中表1 如果表面结构参数没有定义默认传输带、默认的短波滤波器或默认的取样长度(长波滤波器),则表面结构标注应该指定传输带,即短波滤波器或长波滤波器,以保证表面结构明确的要求。传输带应标注在参数代号的前面,并用斜线“/”隔开,见图4。传输带标注包括滤波器截止波长(mm),短波滤波器在前,长波滤波器在后,并用连字号“-”隔开,见图4
图4 与表面结构要求相关的传输带的注法 在某些情况下,在传输带中只标注两个滤波器中的一个。如果存在第二个滤波器,使用默认的截止波长值。如果只标注一个滤波器,应保留连字号“-”来区分是短波滤波器还是长波滤波器 示例1:0.008-(短波滤波器标注) 示例2:-0.25(长波滤波器标注) ② R轮廓参数参见GB/T 3505 如果标注传输带,可能只需要标注长波滤波器λc(如“-0.8”)。短波滤波器λs值由GB/T 6062—2002的4.4表1中给定,即轮廓滤波器截止波长的标准值系列为0.08mm、0.25mm、0.8mm、2.5mm、8mm 如果要求控制用于粗糙度参数的传输带内的短波滤波器和长波滤波器,二者应与参数代号一起标注 轮廓参数中的W、P及图形参数、支承率曲线参数的传输带和取样长度的标注未编入 |
|||||||||||||||||||||||||||
|
单向极限或双向极限的标注 |
表面结构参数的单向极限:当只标注参数代号、参数值和传输带时,它们应默认为参数的上限值(16%规则或最大化规则的极限值);当参数代号、参数值和传输带作为参数的单向下限值(16%规则或最大化规则的极限值)标注时,参数代号前应加L 示例:L Ra 0.32 表面结构参数的双向极限:在完整符号中表示双向极限时应标注极限代号,上限值在上方用U表示,下极限在下方用L表示,上、下极限值为16%规则或最大化规则的极限值(图5)。如果同一参数具有双向极限要求,在不引起歧义的情况下,可以不加U、L 上、下极限值可以用不同的参数代号和传输带表达
图5 双向极限的注法 |
|||||||||||||||||||||||||||
|
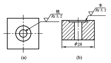
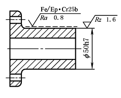
5.加工方法或相关信息的标注 |
轮廓曲线的特征对实际表面的表面结构参数值影响很大。标注的参数代号、参数值和传输带只作为表面结构要求,有时不一定能够完全准确地表示表面功能。加工工艺在很大程度上决定了轮廓曲线的特征,因此,一般应注明加工工艺。加工工艺用文字按图6和图7所示方式在完整符号中注明。图7表示的是镀覆的示例,使用了GB/T 13911《金属镀覆和化学处理表示方法》中规定的符号
图6 加工工艺和表面粗糙度要求的注法
图7 镀覆和表面粗糙度要求的注法 |
|||||||||||||||||||||||||||
|
6.表面纹理的标注 |
表面纹理及其方向用下面规定的符号按图8标注在完整符号中。采用定义的符号标注表面纹理(如图8中的垂直符号)不适用于文本标注 注:纹理方向是指表面纹理的主要方向,通常由加工工艺决定 |
图8 垂直于视图所在投影面的表面纹理方向的注法 |
||||||||||||||||||||||||||
|
符号 |
解释和示例 |
符号 |
解释和示例 |
|||||||||||||||||||||||||
|
|
纹理平行于视图所在的投影面 |
|
|
纹理呈近似同心圆且圆心与表面中心相关 |
|
|||||||||||||||||||||||
|
|
纹理垂直于视图所在的投影面 |
|
|
纹理呈近似放射状且与表面圆心相关 |
|
|||||||||||||||||||||||
|
|
纹理呈两斜向交叉且与视图所在的投影面相交 |
|
|
纹理呈微粒、凸起,无方向 |
|
|||||||||||||||||||||||
|
|
纹理呈多方向 |
|
注:如果表面纹理不能清楚地用这些符号表示,必要时,可以在图样上加注说明 |
|||||||||||||||||||||||||
|
7.加工余量的标注 |
只有在同一图样中有多个加工工序的表面可标注加工余量,例如,在表示完工零件形状的铸锻件图样中给出加工余量(图9)。加工余量可以是加注在完整符号上的唯一要求,也可以同表面结构要求一起标注(如图9)。图9中给出加工余量的这种方式不适用于文本 |
图9 在表示完工零件的图样中给出加工余量的注法 (示例为所有表面均有3mm加工余量) |
||||||||||||||||||||||||||
|
8.表面结构要求及数值标注方法的总结 |
技术图样上标注的表面结构要求,由本表第1项中至少一个符号和相关的要求按本表第2项至第7项中的规定进行标注 独立使用图形符号作为表面结构要求,只有在下列两情况下才有意义: ① 根据本表第9项中“表面结构要求的简化注法”进行简化标注时 ② 当基本图形符号使用在加工工艺的图样中时,即无论是通过不去除材料的方法还是通过其他方法获得的特定表面,判断其合格与否,其状态由最后一道加工工序确定,并根据GB/T 187791—2002判定一个特定的表面是否符合表面结构要求。此外,应考虑本标准的解释规则和相关的标准规定 |
|||||||||||||||||||||||||||
|
9.表面结构要求在图样和其他技术产品文件中的标注 |
表面结构要求对每一表面一般只标注一次,并尽可能注在相应的尺寸及其公差的同一视图上。除非另有说明,所标注的表面结构要求是对完工零件表面的要求 |
|||||||||||||||||||||||||||
|
表 面 结 构 符 号 、 代 号 的 标 注 位 置 与 方 向 |
图 例 |
意义及说明 |
||||||||||||||||||||||||||
|
总 原 则 |
图10 表面结构要求标注总原则 |
总原则是根据GB/T 44584—2003《机械制图 尺寸注法》的规定,使表面结构的注写和读取方向与尺寸的注写和读取方向一致,见图10 |
||||||||||||||||||||||||||
|
标 注 在 轮 廓 线 上 或 指 引 线 上 |
图11 表面结构要求在轮廓线上的标注
图12 用指引线引出标注表面结构要求 |
表面结构要求可标注在轮廓线上,其符号应从材料外指向并接触表面,见图11。必要时,表面结构符号也可用带箭头或黑点的指引线引出标注,见图12 |
||||||||||||||||||||||||||
|
标注 在特 征尺 寸的 尺寸 线上 |
图13 标注在特征尺寸的尺寸线上 |
在不致引起误解时,表面结构要求可以标注在给定的尺寸线上,见图13 |
||||||||||||||||||||||||||
|
标注 在形 位公 差的 框格 上 |
图14 标注在形位公差的框格上(一) |
图15 标注在形位公差的框格上(二) |
表面结构要求可标注在形位公差框格的上方,见图14、图15 |
|||||||||||||||||||||||||
|
标 注 在 延 长 线 上 |
图16 标注在延长线上 |
表面结构要求可以直接标注在延长线上,或用带箭头的指引线引出标注,见图16 |
||||||||||||||||||||||||||
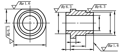
|
标注 在圆 柱和 棱柱 表面 上 |
图17 标注在圆柱或棱柱表面上 |
圆柱和棱柱表面的表面结构要求只标注一次,见图16。如果每个棱柱表面有不同的表面结构要求,则应分别单独标注,见图17 |
||||||||||||||||||||||||||
|
表 面 结 构 要 求 的 简 化 注 法 |
有相 同表 面结 构要 求的 简化 注法 |
图18 简化注法(一) 图19 简化注法(二) |
如果在工件的多数(包括全部)表面有相同的表面结构要求,则其表面结构要求可统一标注在图样的标题栏附近。此时,表面结构要求的符号后面应有: ① 在圆括号内给出无任何其他标注的基本符号,见图18 ② 在圆括号内给出不同的表面结构要求,见图19。不同的表面结构要求应直接标注在图形中,见图18、图19 |
|||||||||||||||||||||||||
|
多个 表面 有共 同要 求的 注法 |
当多个表面具有相同的表面结构要求或图纸空间有限时,可以采用简化注法 |
|||||||||||||||||||||||||||
|
用带 字母 的完 整符 号的 简化 注法 |
图20 简化注法(三) |
可用带字母的完整符号,以等式的形式,在图形或标题栏附近,对有相同表面结构要求的表面进行简化标注,见图20 |
||||||||||||||||||||||||||
|
只用 表面 结构 符号 的简 化注 法 |
图21 简化注法(四)
图22 简化注法(五)
图23 简化注法(六) |
可用本表第1项的基本图形符号和扩展图形符号,以等式的形式给出对多个表面共同的表面结构要求,见图21~图23 |
||||||||||||||||||||||||||
|
两种 或多 种工 艺获 得的 同一 表面 的注 法 |
图24 两种或多种工艺获得的同一表面的注法 |
由几种不同的工艺方法获得的同一表面,当需要明确每种工艺方法的表面结构要求时,可按图24进行标注 |
||||||||||||||||||||||||||
|
10.控制表面功能的最少标注(标准附录D) |
图25 控制表面功能的最少标注 a 上限或下限符号U或L,详见本表第4项“单项极限或双向极限的标注” b 滤波器类型“X”。标准滤波器是高斯滤波器(GB/T 18777)。以前的标准滤波器是2RC滤波器。将来也可能对其他的滤波器进行标准化。在转换期间,在图样上标注滤波器类型对某些公司比较方便。滤波器类型可以标注为“高斯滤波器”或“2RC”。滤波器名称并没有标准化,但这里所建议的标注名称是明确的,无争议的 c 传输带标注为短波或长波滤波器,详见本表第4项“传输带和取样长度的标注” d 轮廓(R、W或P),详见本表第4项“参数代号的标注” e 特征/参数,详见本表第4项 f 评定长度包含若干取样长度,详见本表第4项“评定长度(ln)的标注” g 极限判断规则(“16%规则”或“最大化规则”),详见本表第4项“极限值判断规则的标注” h 以微米为单位的极限值 i 加工工艺类型,详见本表第1项“标注表面结构的图形符号” j 表面结构纹理,详见本表第6项“表面纹理的标注” k 加工工艺,详见本表第5项“加工方法或相关信息的标注” |
表面结构要求通过几个不同的控制元素建立,它们可以是图样中标注的一部分或在其他文件中给出的文本标注,这些元素见图25 经验证明,所有这些元素对于表面结构要求和表面功能之间形成明确关系是必要的。只有在很少的情况下,当不会导致歧义时,其中的一些元素才可以省略。而多数元素对于设置仪器的测量条件(图25中b、c、d、e、f)是必要的,其余元素对于明确评价测量结果并与所要求的极限进行比较也是必要的 为了简化表面结构要求的标注,定义了一系列的默认值,例如,极限值判断规则、传输带和评定长度(如标注Ra16和Rz63),如果默认定义不存在,全部的信息都应该标注在图样的表面结构要求中 当表面结构参数存在默认定义时,标注有如下的两种可能性: ① 使用全部默认定义(标准中给出),在图样中虽能简化注法,但它不能保证按照标准的默认定义作出的选择适合于具体的表面功能控制任务 ② 在图样中标注所有可能的要求和细节,是根据表面结构要求和表面功能之间已知的客观关系确定。此情况通常应用于对工件功能重要的表面,即表面结构对功能是关键的 |
||||||||||||||||||||||||||






































