|
圆形拉深件的孔径和孔距及毛坯直径D的计算(JB/T 6959—1993) |
|||
|
|
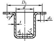
底部孔径d1 d1≤d -2r1- t 孔距D1 D1≥d +3t +2r2 + d2 |
|
壁上的冲孔中心与底部或凸缘边的距离h h≥2d + t |
|
有凸缘圆筒拉深毛坯直径D
式中 D——毛坯直径,mm d——凸缘直径,mm d1——拉深直径,mm r1、r2——圆角半径,mm h——拉深高度,mm |
无凸缘圆筒拉深毛坯直径D
式中 D——毛坯直径,mm d1——工作直径(按料厚中心计),mm r——工作圆角半径(按料厚中心计),mm h——工作高度(加上修边余量δ),mm |
||




