|
配管通用技术条件(JB/T 5000.11—1998) |
|||||||||||||||||||||||||||||||||||||||||||||||||||||||||||||||||||||||||||||||||||||||||||||||||||||||||||||||||||||||
|
1) 本标准适用于油润滑、脂润滑、液压、气动和工业用水配管。但不适用于压力容器配管。 2) 管子应用锯切割,也可以使用砂轮切割,但不允许使用火焰切割。 3) 弯曲半径R见焊接件通用技术要求(JB/T 5000.3—1998)。管子弯曲后的各段尺寸及总长偏差均不大于±2mm,见下图管子弯曲后的尺寸偏差。弯制焊接钢管时,应使焊缝位于弯曲方向的侧面。
管子弯曲后的尺寸偏差 4) 同一机体上排列的各种管路应相互不干涉,并便于拆装。同平面交叉的管路不得接触。 5) 装配前,所有钢管(包括预制成型管路)都要进行脱脂、酸洗、中和、水洗及防锈处理。焊接后的不锈钢管只用酸洗,不作防锈处理。不锈钢管及铜管不用酸洗,也不作防锈处理。除锈要达到JB/T 5000.12—1998(涂装通用技术条件)中附录A规定的Be级。 6) 工业用水管路经酸洗、预装完成后,要进行通水冲洗检验(阀类件除外),保证达到管路清洁度要求,见下表管路清洁度要求;对于脂润滑系统,在配管完成后,拆下各给脂装置(分配阀等)入口的连接,进行油脂清洗,直至流出的油脂清洁无异色后再进行连接;对于普通油润滑、液压系统应通油清洗,清洗一段时间后用清洗液清洗过的烧杯或玻璃杯采100mL的清洗液放在明亮的场所30min后,目测确认无杂质后为合格。对于清洁度高于此要求的油润滑、液压系统应在图样上注明。
7) 管螺纹部位缠绕密封带时,应从根部往前右缠绕,顶端剩1~2牙,见下图管螺纹部分密封带的缠绕。对小于3/8的管螺纹,在缠绕密封胶带时,用1/2胶带宽度进行缠绕。
管螺纹部分密封带的缠绕 8) 采用卡套式管接头连接的钢管应先酸洗,然后将卡套预先紧固在管端上。卡套式管接头应按GB/T 3765—1983(卡套式管接头技术条件)中附录A装配。 9) 预制完成的管子焊接部位都要进行耐压试验。试验压力为工作压力的1.5倍,保压10min,应无泄漏及其他异常现象发生。试验完成的管子应打标记。 10) 对装配完成的管路按不同的系统做密封及耐压试验,试验压力见下表管路系统试验压力。
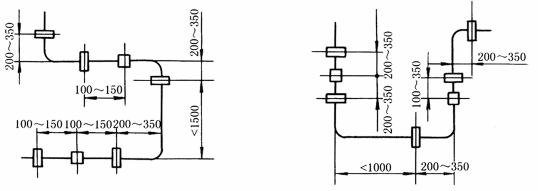
11) 固定管件用的管夹装配位置及装配方法见下表管夹装配位置及装配方法。
12) 完全按图样预装完成的管路,要结合总装要求,留出调整管,最后确定尺寸。 13) 焊接钢管时,对于液压、润滑管路必须用钨极氩弧焊或钨极氩弧焊打底,压力超过21MPa时应同时在管内部通约5L/min氩气。其他管路一般也采用钨极氩弧焊打底。焊缝单面焊双面成型。焊缝不得有未熔合、未焊透、夹渣等现象出现。配管对接焊的坡口形状、尺寸见下表配管对接焊的坡口形状、尺寸。
14) 支座等部件点焊定位时,点焊长度L1为6~10mm,点焊距离L为100mm,见下图点焊定位。管子点焊定位时可沿圆周均匀点焊3~4点。
点焊定位 15) 管路应设放气阀,充液体的管路内气体应排尽,泵和管路末端各装一块压力表(刻度极限值应大于试验压力的1.5倍)。 16) 严禁用管路(特别是装有易燃介质的管路)作为地线。 |
|||||||||||||||||||||||||||||||||||||||||||||||||||||||||||||||||||||||||||||||||||||||||||||||||||||||||||||||||||||||















