|
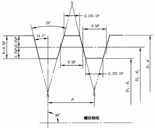
对中爱克母螺纹的牙型 |
|
|
基
本
牙
型 |
|
|
设
计
牙
型 |
图中:大径间隙ac1为:0.001 小径间隙(ac+ac2)为:(0.020+0.1P)/2=0.010+0.05P in(牙数小于和等于10牙); (0.010+0.1P)/2=0.005+0.05P in(牙数大于10牙)。 |
|
注:外螺纹的牙顶要倒角(45°,最小深度为P/20);外螺纹牙底及内螺纹牙底和牙顶可以倒圆。见图。 滚压加工时,外螺纹牙底可能需要进行修正,以获得较大的圆弧牙底,在供需双方同意的条件下,d3的基本尺寸允许减小0.15P。 |
|


