|
牙型 |
|
|
类 型 |
图 形 |
|
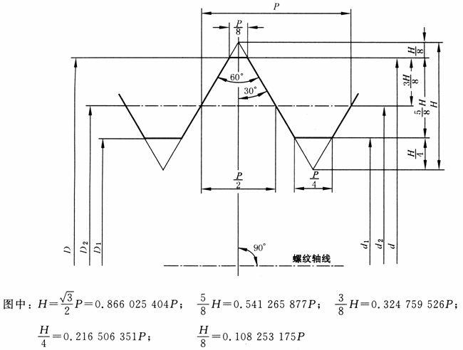
米 制 普 通 螺 纹 基 本 牙 型 |
|
|
米 制 普 通 螺 纹 设 计 牙 型 |
外螺纹的设计牙型 |
|
对机械性能等级高于和等于8.8级的螺纹件,其牙底圆弧半径R不能小于0.125 P。Rmin值见表外螺纹最小牙底圆弧半径。对机械性能等级低于8.8级的螺纹件,其牙底形状尽可能地与机械性能等级高于和等于8.8级的螺纹牙底形状一致。 内螺纹的设计牙型与其基本牙型相同 |
|


