|
牙型 |
|
|
类型 |
图 形 |
|
基
本
牙
型 |
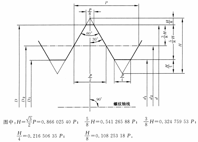
统一螺纹的基本牙型 |
|
|
|
|
设
计
牙
型 |
外螺纹的设计牙型 |
|
|
|
|
如果要求外螺纹的牙底为圆弧形状,并且牙底圆弧半径不小于0.108 253 18 P,则在统一螺纹代号(UN)后加注字母“R”。即这种统一螺纹的代号为“UNR” 内螺纹的设计牙型与基本牙型相同 |
|
|
牙型 |
|
|
类型 |
图 形 |
|
基
本
牙
型 |
统一螺纹的基本牙型 |
|
|
|
|
设
计
牙
型 |
外螺纹的设计牙型 |
|
|
|
|
如果要求外螺纹的牙底为圆弧形状,并且牙底圆弧半径不小于0.108 253 18 P,则在统一螺纹代号(UN)后加注字母“R”。即这种统一螺纹的代号为“UNR” 内螺纹的设计牙型与基本牙型相同 |
|