|
双面对接焊坡口(摘自GB/T 985.2—2008) mm |
|||||||||||
|
焊 缝 |
坡口形式和尺寸 |
焊接 位置 |
备 注 |
||||||||
|
序号 |
工件厚度 t |
名称 |
基本 符号 |
焊缝示意图 |
横截面示意图 |
坡口角α或 坡口面角β |
间隙b、圆弧半径R |
钝边 c |
坡口 深度 h |
||
|
1 |
3≤t≤12 |
平对接 焊缝 |
|
|
|
— |
b≤2 |
— |
— |
PA |
间隙应符合公差要求 |
|
2 |
10≤t≤35 |
带钝边V 形焊缝/ 封底 |
|
|
|
30°≤α≤60° |
b≤4 |
4≤c≤10 |
— |
PA |
根部焊道可用其他方法焊接 |
|
3 |
10≤t≤20 |
V形焊缝/平对接 焊缝 |
|
|
|
60°≤α≤80° |
b≤4 |
5≤c≤15 |
— |
PA |
根部焊道可用其他方法焊接 |
|
4 |
t≥16 |
带钝边的 双V形 焊缝 |
|
|
|
30°≤α≤70° |
b≤4 |
4≤c≤10 |
h1=h2 |
PA |
— |
|
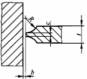
5 |
t≥30 |
U形焊缝/ 封底焊缝 |
|
|
|
5°≤β≤10° |
b≤4 5≤R≤10 |
4≤c≤10 |
— |
PA |
— |
|
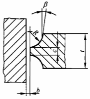
6 |
t≥50 |
双U形 焊缝 |
|
|
|
5°≤β≤10° |
b≤4 5≤R≤10 |
4≤c≤10 |
h=0.5 (t-c) |
PA |
与双V形对称坡口相似,这种坡口可制成对称的形式 |
|
7 |
t≥12 |
带钝边的 K形焊缝 |
|
|
|
30°≤β≤50° |
b≤4 |
4≤c≤10 |
— |
PA PB |
与双V形对称坡口相似,这种坡口可制成对称的形式。 必要时可进行打底焊 |
|
8 |
t≥20 |
J形焊缝/ 封底焊缝 |
|
|
|
5°≤β≤10° |
b≤4 5≤R≤10 |
4≤c≤10 |
— |
PA PB |
必要时可进行打底焊接 |
|
9 |
t<12 |
单边V形 焊缝 |
|
|
|
30°≤β≤50° |
b≤4 |
c≤2 |
— |
PA PB |
必要时可进行打底焊接 |
|
10 |
t≥30 |
双面J形 焊缝 |
|
|
|
5°≤β≤10° |
b≤4 5≤R≤10 |
2≤c≤7 |
— |
PA PB |
与双V形对称坡口相似,这种坡口可制成对称的形式。 必要时可进行打底焊 |
|
11 |
t≤12 |
双面J形 焊缝 |
|
|
|
— |
b≤2 5≤R≤10 |
2≤c≤3 |
— |
PA PB |
单道焊坡口 |
|
12 |
t>12 |
双面J形 焊缝 |
|
|
|
5°≤β≤10° |
b≤4 5≤R≤10 |
2≤c≤7 |
— |
PA PB |
多道焊坡口。 必要时可进行打底焊接 |























