|
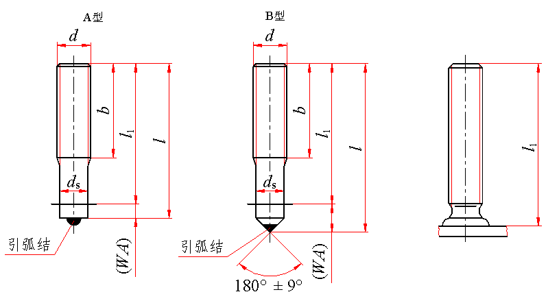
机动弧焊用焊接螺柱(GB/T 902.2—1989) mm |
||||
|
|
||||
|
ds约等于螺纹中径;l=l1+WA;末端按GB/T 2的规定制成倒角端,如需方同意亦可制成辗制末端 |
||||
|
标记示例: 螺纹规格d=M10、公称长度l1=50mm、性能等级为4.8级、不经表面处理、按A型制造的机动弧焊用焊接螺柱的标记: 螺柱 GB/T 902.2 M10×50 按B型制造时应加标记B: 螺柱 GB/T 902.2 BM10×50 |
||||
|
螺纹规格 d |
b |
WA 参考 |
公称长度l1 |
|
|
max |
min |
|||
|
M3 |
13 |
12 |
2 |
12~30 |
|
M4 |
15.5 |
14 |
2 |
12~40 |
|
M5 |
17.6 |
16 |
3 |
12~50 |
|
M6 |
20 |
18 |
3 |
12~60 |
|
M8 |
24.5 |
22 |
4 |
16~80 |
|
M10 |
29 |
26 |
4 |
20~100 |
|
M12 |
33.5 |
30 |
5 |
25~100 |
|
M16 |
42 |
38 |
5 |
30~100 |
|
M20 |
51 |
46 |
6 |
35~100 |
|
技术条件 |
材料 |
螺纹公差 |
机械性能等级 |
表面处理 |
|
普碳钢 |
6g |
4.8级 |
不经处理或镀铜或镀锌钝化 |
|
|
注:WA为焊接螺柱的熔化长度。 |
||||
|
质量 kg |
|||||||||
|
螺纹规格 |
M3 |
M4 |
M5 |
M6 |
M8 |
M10 |
M12 |
M16 |
M20 |
|
公称长度/mm |
每1000件钢制品的质量 ≈ |
||||||||
|
12 |
0.59 |
1.05 |
1.80 |
2.57 |
|
|
|
|
|
|
16 |
0.76 |
1.35 |
2.28 |
3.26 |
6.22 |
|
|
|
|
|
20 |
0.93 |
1.65 |
2.76 |
3.94 |
7.46 |
11.79 |
|
|
|
|
25 |
1.15 |
2.02 |
3.36 |
4.80 |
9.02 |
14.24 |
21.37 |
|
|
|
30 |
1.36 |
2.40 |
3.96 |
5.66 |
10.57 |
16.70 |
24.94 |
45.80 |
|
|
35 |
|
2.77 |
4.56 |
6.51 |
12.13 |
19.16 |
28.50 |
52.34 |
83.96 |
|
40 |
|
3.14 |
5.16 |
7.37 |
13.68 |
21.61 |
32.06 |
58.88 |
94.20 |
|
45 |
|
|
5.77 |
8.23 |
15.24 |
24.07 |
35.62 |
65.43 |
104.4 |
|
50 |
|
|
6.37 |
9.09 |
16.79 |
26.52 |
39.18 |
71.97 |
114.7 |
|
55 |
|
|
|
9.75 |
18.35 |
28.98 |
42.75 |
78.57 |
125.0 |
|
60 |
|
|
|
10.80 |
19.90 |
31.43 |
46.31 |
85.05 |
135.2 |
|
70 |
|
|
|
|
23.01 |
36.35 |
53.43 |
98.14 |
155.6 |
|
80 |
|
|
|
|
26.12 |
41.26 |
60.56 |
111.2 |
176.1 |
|
90 |
|
|
|
|
|
46.17 |
67.68 |
124.3 |
196.6 |
|
100 |
|
|
|
|
|
51.08 |
74.81 |
137.4 |
217.1 |

