|
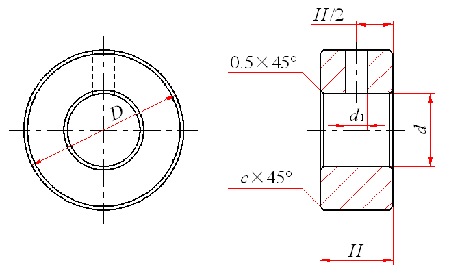
锥销锁紧挡圈(GB/T 883—1986) mm |
|||||||
|
|
|||||||
|
标记示例: 公称直径d=20mm、材料为Q235、不经表面处理的锥销锁紧挡圈的标记: 挡圈 GB/T 883 20 |
|||||||
|
公称直径d |
H |
D |
d1 |
c |
圆锥销 GB117 (推荐) |
||
|
基本尺寸 |
极限偏差 |
基本尺寸 |
极限偏差 |
||||
|
8 |
+0.036 0 |
10 |
0 -0.36 |
20 |
3 |
0.5 |
3×22 |
|
(9) |
+0.036 0 |
10 |
0 -0.36 |
22 |
3 |
0.5 |
3×22 |
|
10 |
+0.036 0 |
10 |
0 -0.36 |
22 |
3 |
0.5 |
3×22 |
|
12 |
+0.043 0 |
10 |
0 -0.36 |
25 |
3 |
0.5 |
3×25 |
|
(13) |
+0.043 0 |
10 |
0 -0.36 |
25 |
3 |
0.5 |
3×25 |
|
14 |
+0.043 0 |
12 |
0 -0.43 |
28 |
4 |
0.5 |
4×28 |
|
(15) |
+0.043 0 |
12 |
0 -0.43 |
30 |
4 |
0.5 |
4×32 |
|
16 |
+0.043 0 |
12 |
0 -0.43 |
30 |
4 |
0.5 |
4×32 |
|
(17) |
+0.043 0 |
12 |
0 -0.43 |
32 |
4 |
0.5 |
4×32 |
|
18 |
+0.043 0 |
12 |
0 -0.43 |
32 |
4 |
0.5 |
4×32 |
|
(19) |
+0.052 0 |
12 |
0 -0.43 |
35 |
4 |
0.5 |
4×35 |
|
20 |
+0.052 0 |
12 |
0 -0.43 |
35 |
4 |
0.5 |
4×35 |
|
22 |
+0.052 0 |
12 |
0 -0.43 |
38 |
5 |
1 |
5×40 |
|
25 |
+0.052 0 |
14 |
0 -0.43 |
42 |
5 |
1 |
5×45 |
|
28 |
+0.052 0 |
14 |
0 -0.43 |
45 |
5 |
1 |
5×45 |
|
30 |
+0.052 0 |
14 |
0 -0.43 |
48 |
6 |
1 |
6×50 |
|
32 |
+0.062 0 |
14 |
0 -0.43 |
52 |
6 |
1 |
6×55 |
|
35 |
+0.062 0 |
16 |
0 -0.43 |
56 |
6 |
1 |
6×55 |
|
40 |
+0.062 0 |
16 |
0 -0.43 |
62 |
6 |
1 |
6×60 |
|
45 |
+0.062 0 |
18 |
0 -0.43 |
70 |
6 |
1 |
6×70 |
|
50 |
+0.062 0 |
18 |
0 -0.43 |
80 |
8 |
1 |
8×80 |
|
55 |
+0.074 0 |
18 |
0 -0.43 |
85 |
8 |
1 |
8×90 |
|
60 |
+0.074 0 |
20 |
0 -0.52 |
90 |
8 |
1 |
8×90 |
|
65 |
+0.074 0 |
20 |
0 -0.52 |
95 |
10 |
1 |
10×100 |
|
70 |
+0.074 0 |
20 |
0 -0.52 |
100 |
10 |
1 |
10×100 |
|
75 |
+0.074 0 |
22 |
0 -0.52 |
110 |
10 |
1 |
10×110 |
|
80 |
+0.074 0 |
22 |
0 -0.52 |
115 |
10 |
1 |
10×120 |
|
85 |
+0.087 0 |
22 |
0 -0.52 |
120 |
10 |
1 |
10×120 |
|
90 |
+0.087 0 |
22 |
0 -0.52 |
125 |
10 |
1 |
10×120 |
|
95 |
+0.087 0 |
25 |
0 -0.52 |
130 |
10 |
1.5 |
10×130 |
|
100 |
+0.087 0 |
25 |
0 -0.52 |
135 |
10 |
1.5 |
10×140 |
|
105 |
+0.087 0 |
25 |
0 -0.52 |
140 |
10 |
1.5 |
10×140 |
|
110 |
+0.087 0 |
30 |
0 -0.52 |
150 |
12 |
1.5 |
12×150 |
|
115 |
+0.087 0 |
30 |
0 -0.52 |
155 |
12 |
1.5 |
12×150 |
|
120 |
+0.087 0 |
30 |
0 -0.52 |
160 |
12 |
1.5 |
12×160 |
|
(125) |
+0.10 0 |
30 |
0 -0.52 |
165 |
12 |
1.5 |
12×160 |
|
130 |
+0.10 0 |
30 |
0 -0.52 |
170 |
12 |
1.5 |
12×180 |
|
注:① 尽可能不采用括号内的规格。 ② d1孔在加工时,只钻一面;在装配时钻透并铰孔。 |
|||||||
|
质量 kg |
||||||||||||||||||
|
公称直径/mm |
8 |
9 |
10 |
12 |
13 |
14 |
15 |
16 |
17 |
18 |
||||||||
|
每1000件钢制品的质量 ≈ |
20.25 |
24.33 |
23.19 |
29.11 |
27.60 |
42.54 |
48.89 |
46.66 |
53.30 |
50.77 |
||||||||
|
公称直径/mm |
19 |
20 |
22 |
25 |
28 |
30 |
32 |
35 |
40 |
|||||||||
|
每1000件钢制品的质量 ≈ |
62.73 |
59.91 |
69.35 |
96.39 |
105.1 |
118.4 |
141.9 |
185.0 |
217.5 |
|||||||||
|
公称直径/mm |
45 |
50 |
55 |
60 |
65 |
70 |
75 |
80 |
85 |
|||||||||
|
每1000件钢制品的质量 ≈ |
314.3 |
424.2 |
457.3 |
545.5 |
578.9 |
615.7 |
861.9 |
909.1 |
956.3 |
|||||||||
|
公称直径/mm |
90 |
95 |
100 |
105 |
110 |
115 |
120 |
125 |
130 |
|||||||||
|
每1000件钢制品的质量 ≈ |
1004 |
1195 |
1249 |
1303 |
1894 |
1967 |
2041 |
2114 |
2188 |
|||||||||

