|
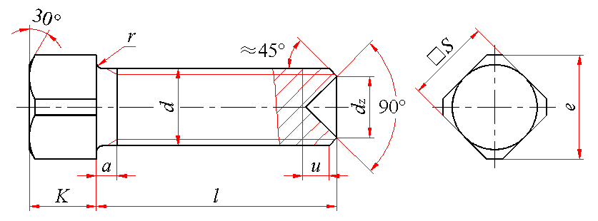
方头凹端紧定螺钉(GB/T 84—1988) mm |
|||||||||||
|
|
|||||||||||
|
a≤4P;u(不完整螺纹的长度)≤2P;P—螺距 |
|||||||||||
|
标记示例: 螺纹规格d=M10、公称长度l=30mm、性能等级为33H、表面氧化的方头凹端紧定螺钉的标记: 螺钉 GB/T 84 M10×30 |
|||||||||||
|
螺纹规格 d |
dz |
e |
K |
r |
S |
l的范围 |
|||||
|
max |
min |
min |
公称 |
min |
max |
min |
公称 |
min |
max |
||
|
M5 |
2.5 |
2.25 |
6 |
5 |
4.85 |
5.15 |
0.2 |
5 |
4.82 |
5 |
10~30 |
|
M6 |
3 |
2.75 |
7.3 |
6 |
5.85 |
6.15 |
0.25 |
6 |
5.82 |
6 |
12~30 |
|
M8 |
5 |
4.7 |
9.7 |
7 |
6.82 |
7.18 |
0.4 |
8 |
7.78 |
8 |
14~40 |
|
M10 |
6 |
5.7 |
12.2 |
8 |
7.82 |
8.18 |
0.5 |
10 |
9.78 |
10 |
20~50 |
|
M12 |
7 |
6.64 |
14.7 |
10 |
9.82 |
10.18 |
0.6 |
12 |
11.73 |
12 |
25~60 |
|
M16 |
10 |
9.64 |
20.9 |
14 |
13.785 |
14.215 |
0.6 |
17 |
16.73 |
17 |
30~80 |
|
M20 |
13 |
12.57 |
27.1 |
18 |
17.785 |
18.215 |
0.8 |
22 |
21.67 |
22 |
40~100 |
|
技术条件 |
材料 |
螺纹公差 |
机械性能等级 |
产品公差等级 |
表面处理 |
||||||
|
钢 |
45H级为5g6g;33H级为6g |
33H、45H |
A级 |
1.氧化;2.镀锌钝化 |
|||||||
|
不锈钢 |
6g |
A1-50、C4-50 |
不经处理 |
||||||||
|
公称长度l的商品规格系列: mm |
|||||||||||||||||
|
公称 |
10 |
12 |
(14) |
16 |
20 |
25 |
30 |
35 |
40 |
45 |
50 |
(55) |
60 |
70 |
80 |
90 |
100 |
|
min |
9.71 |
11.65 |
13.65 |
15.65 |
19.58 |
24.58 |
29.58 |
34.50 |
39.50 |
44.50 |
49.50 |
54.05 |
59.05 |
69.05 |
79.05 |
88.90 |
98.90 |
|
max |
10.29 |
12.35 |
14.35 |
16.35 |
20.42 |
25.42 |
30.42 |
35.50 |
40.50 |
45.50 |
50.50 |
55.95 |
60.95 |
70.95 |
80.95 |
91.10 |
101.10 |
|
注:尽可能不采用括号内的规格。 |
|||||||||||||||||
|
质量 kg |
|||||||
|
螺纹规格 |
M5 |
M6 |
M8 |
M10 |
M12 |
M16 |
M20 |
|
公称长度/mm |
每1000件钢制品的质量 ≈ |
||||||
|
10 |
1.89 |
|
|
|
|
|
|
|
12 |
2.13 |
3.28 |
|
|
|
|
|
|
14 |
2.37 |
3.63 |
6.82 |
|
|
|
|
|
16 |
2.61 |
3.97 |
7.44 |
|
|
|
|
|
20 |
3.09 |
4.65 |
8.68 |
14.28 |
|
|
|
|
25 |
3.69 |
5.51 |
10.24 |
16.73 |
25.94 |
|
|
|
30 |
4.29 |
6.37 |
11.79 |
19.19 |
29.50 |
62.19 |
|
|
35 |
|
|
13.35 |
21.65 |
33.06 |
68.73 |
|
|
40 |
|
|
14.90 |
24.10 |
36.63 |
75.28 |
131.4 |
|
45 |
|
|
|
26.56 |
40.19 |
81.82 |
141.7 |
|
50 |
|
|
|
29.01 |
43.75 |
88.36 |
151.9 |
|
55 |
|
|
|
|
47.31 |
94.90 |
162.2 |
|
60 |
|
|
|
|
50.87 |
101.5 |
172.4 |
|
70 |
|
|
|
|
|
114.5 |
192.9 |
|
80 |
|
|
|
|
|
127.6 |
213.4 |
|
90 |
|
|
|
|
|
|
233.8 |
|
100 |
|
|
|
|
|
|
254.3 |

