|
开槽盘头不脱出螺钉(GB/T 837—1988) mm |
||||||||||||||||
|
|
||||||||||||||||
|
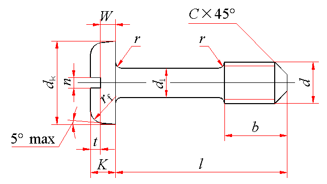
标记示例: 螺纹规格d=M5、公称长度l=16mm、性能等级为4.8级、不经表面处理的开槽盘头不脱出螺钉的标记: 螺钉 GB 837 M5×16 |
||||||||||||||||
|
螺纹规格 d |
dk |
K |
n |
rf 参考 |
t min |
W min |
d1 |
b |
r min |
C ≈ |
l的范围 |
|||||
|
max |
min |
max |
min |
公称 |
min |
max |
max |
min |
||||||||
|
M3 |
5.6 |
5.30 |
1.8 |
1.6 |
0.8 |
0.86 |
1.00 |
0.9 |
0.7 |
0.7 |
2.0 |
1.86 |
4 |
0.1 |
1.0 |
10~25 |
|
M4 |
8.0 |
7.64 |
2.4 |
2.2 |
1.2 |
1.26 |
1.51 |
1.2 |
1.0 |
1.0 |
2.8 |
2.66 |
6 |
0.2 |
1.2 |
12~30 |
|
M5 |
9.5 |
9.14 |
3.0 |
2.8 |
1.2 |
1.26 |
1.51 |
1.5 |
1.2 |
1.2 |
3.5 |
3.32 |
8 |
0.2 |
1.6 |
14~40 |
|
M6 |
12.0 |
11.57 |
3.6 |
3.3 |
1.6 |
1.66 |
1.91 |
1.8 |
1.4 |
1.4 |
4.5 |
4.32 |
10 |
0.25 |
2.0 |
20~50 |
|
M8 |
16.0 |
15.57 |
4.8 |
4.5 |
2.0 |
2.06 |
2.31 |
2.4 |
1.9 |
1.9 |
5.5 |
5.32 |
12 |
0.4 |
2.5 |
25~60 |
|
M10 |
20.0 |
19.48 |
6.0 |
5.7 |
2.5 |
2.56 |
2.81 |
3.0 |
2.4 |
2.4 |
7.0 |
6.78 |
15 |
0.4 |
3.0 |
30~60 |
|
技术条件 |
材料 |
螺纹公差 |
机械性能等级 |
公差产品等级 |
表面处理 |
|||||||||||
|
钢 |
6g |
4.8 |
A级 |
1.不经处理;2.镀锌钝化 |
||||||||||||
|
不锈钢 |
A1-50、C4-50 |
不经处理 |
||||||||||||||
|
公称长度l的商品规格系列: mm |
|||||||||||||
|
公称 |
10 |
12 |
(14) |
16 |
20 |
25 |
30 |
35 |
40 |
45 |
50 |
(55) |
60 |
|
min |
9.71 |
11.65 |
13.65 |
15.65 |
19.58 |
24.58 |
29.58 |
34.50 |
39.50 |
44.50 |
49.50 |
54.05 |
59.05 |
|
max |
10.29 |
12.35 |
14.35 |
16.35 |
20.42 |
25.42 |
30.42 |
35.50 |
40.50 |
45.50 |
50.50 |
55.95 |
60.95 |
|
注:尽可能不采用括号内的规格。 |
|||||||||||||
|
质量 kg |
||||||
|
螺纹规格 |
M3 |
M4 |
M5 |
M6 |
M8 |
M10 |
|
公称长度/mm |
每1000件钢制品的质量 ≈ |
|||||
|
10 |
0.55 |
|
|
|
|
|
|
12 |
0.59 |
1.42 |
|
|
|
|
|
14 |
0.63 |
1.51 |
2.70 |
|
|
|
|
16 |
0.68 |
1.60 |
2.83 |
|
|
|
|
20 |
0.76 |
1.77 |
3.10 |
5.36 |
|
|
|
25 |
0.87 |
1.99 |
3.44 |
5.93 |
12.21 |
|
|
30 |
|
2.20 |
3.78 |
6.50 |
13.07 |
24.14 |
|
35 |
|
|
4.11 |
7.08 |
13.94 |
25.55 |
|
40 |
|
|
4.45 |
7.65 |
14.81 |
26.96 |
|
45 |
|
|
|
8.22 |
15.68 |
28.36 |
|
50 |
|
|
|
8.79 |
16.54 |
29.77 |
|
55 |
|
|
|
|
17.41 |
31.18 |
|
60 |
|
|
|
|
18.28 |
32.59 |

