|
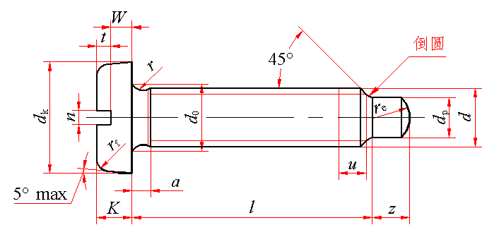
开槽盘头定位螺钉(GB/T 828—1988) mm |
||||||||||||||||||
|
|
||||||||||||||||||
|
标记示例: 螺纹规格d=M6、公称长度l=6mm、长度z=4mm、性能等级为14H级、不经表面处理的开槽盘头定位螺钉的标记: 螺钉 GB 828 M6×6×4 |
||||||||||||||||||
|
螺纹规格 d |
a max |
dk |
da max |
K |
n |
dP |
t min |
W min |
rf 参考 |
r min |
re ≈ |
l的范围 |
z的范围 |
|||||
|
max |
min |
max |
min |
公称 |
min |
max |
max |
min |
||||||||||
|
M1.6 |
0.7 |
3.2 |
2.9 |
2.1 |
1.0 |
0.85 |
0.4 |
0.46 |
0.6 |
0.8 |
0.55 |
0.35 |
0.3 |
0.5 |
0.1 |
1.12 |
1.5~3 |
1~1.5 |
|
M2 |
0.8 |
4.0 |
3.7 |
2.6 |
1.3 |
1.1 |
0.5 |
0.56 |
0.7 |
1 |
0.75 |
0.5 |
0.4 |
0.6 |
0.1 |
1.4 |
1.5~4 |
1~2 |
|
M2.5 |
0.9 |
5.0 |
4.7 |
3.1 |
1.5 |
1.3 |
0.6 |
0.66 |
0.8 |
1.5 |
1.25 |
0.6 |
0.5 |
0.8 |
0.1 |
2.1 |
2~5 |
1.2~2.5 |
|
M3 |
1.0 |
5.6 |
5.3 |
3.6 |
1.8 |
1.6 |
0.8 |
0.86 |
1 |
2 |
1.75 |
0.7 |
0.7 |
0.9 |
0.1 |
2.8 |
2.5~6 |
1.5~3 |
|
M4 |
1.4 |
8.0 |
7.64 |
4.7 |
2.4 |
2.2 |
1.2 |
1.26 |
1.51 |
2.5 |
2.25 |
1.0 |
1.0 |
1.2 |
0.2 |
3.5 |
3~8 |
2~4 |
|
M5 |
1.6 |
9.5 |
9.14 |
5.7 |
3.0 |
2.8 |
1.2 |
1.26 |
1.51 |
3.5 |
3.2 |
1.2 |
1.2 |
1.5 |
0.2 |
4.9 |
4~10 |
2.5~5 |
|
M6 |
2.0 |
12.0 |
11.57 |
6.8 |
3.6 |
3.3 |
1.6 |
1.66 |
1.91 |
4 |
3.7 |
1.4 |
1.4 |
1.8 |
0.25 |
5.6 |
5~12 |
3~6 |
|
M8 |
2.5 |
16.0 |
15.57 |
9.2 |
4.8 |
4.5 |
2 |
2.06 |
2.31 |
5.5 |
5.2 |
1.9 |
1.9 |
2.4 |
0.4 |
7.7 |
6~16 |
4~8 |
|
M10 |
3.0 |
20.0 |
19.48 |
11.2 |
6.0 |
5.7 |
2.5 |
2.56 |
2.81 |
7 |
6.64 |
2.4 |
2.4 |
3.0 |
0.4 |
9.8 |
8~20 |
5~10 |
|
技术条件 |
材料 |
螺纹公差 |
机械性能等级 |
公差产品等级 |
表面处理 |
|||||||||||||
|
钢 |
6g |
14H、33H |
A级 |
1.不经处理;2.镀锌钝化 |
||||||||||||||
|
不锈钢 |
A1-50、C4-50 |
不经处理 |
||||||||||||||||
|
公称长度l的商品规格系列: mm |
||||||||||||
|
l公称 |
1.5 |
2 |
2.5 |
3 |
4 |
5 |
6 |
8 |
10 |
12 |
16 |
20 |
|
公称长度z的商品规格系列: mm |
|||||||||||
|
公称(min) |
1 |
1.2 |
1.5 |
2 |
2.5 |
3 |
4 |
5 |
6 |
8 |
10 |
|
max |
1.25 |
1.45 |
1.75 |
2.25 |
2.75 |
3.25 |
4.30 |
5.30 |
6.30 |
8.36 |
10.36 |
|
l公称+z公称 |
基本尺寸 |
>1~3 |
>3~6 |
>6~10 |
>10~18 |
>18~30 |
|
极限偏差 |
±0.20 |
±0.24 |
±0.29 |
±0.35 |
±0.42 |
|
质量 kg |
|||||||||
|
螺纹规格 |
M1.6 |
M2 |
M2.5 |
M3 |
M4 |
M5 |
M6 |
M8 |
M10 |
|
公称长度/mm |
每1000件钢制品的质量 ≈ |
||||||||
|
1.5 |
0.057 |
0.112 |
|
|
|
|
|
|
|
|
2 |
0.063 |
0.121 |
0.222 |
|
|
|
|
|
|
|
2.5 |
0.068 |
0.130 |
0.236 |
0.361 |
|
|
|
|
|
|
3 |
0.074 |
0.139 |
0.251 |
0.382 |
0.946 |
|
|
|
|
|
4 |
|
0.157 |
0.280 |
0.425 |
1.02 |
1.81 |
|
|
|
|
5 |
|
|
0.309 |
0.468 |
1.10 |
1.93 |
3.36 |
|
|
|
6 |
|
|
|
0.510 |
1.17 |
2.05 |
3.53 |
8.09 |
|
|
8 |
|
|
|
|
1.32 |
2.29 |
3.88 |
8.71 |
16.27 |
|
10 |
|
|
|
|
|
2.53 |
4.22 |
9.33 |
17.25 |
|
12 |
|
|
|
|
|
|
4.56 |
9.95 |
18.23 |
|
16 |
|
|
|
|
|
|
|
11.20 |
20.20 |
|
20 |
|
|
|
|
|
|
|
|
22.16 |
|
螺纹规格 |
M1.6 |
M2 |
M2.5 |
M3 |
M4 |
M5 |
M6 |
M8 |
M10 |
|
z/mm |
每1000件钢制品的质量 ≈ |
||||||||
|
1 |
0.002 |
0.003 |
|
|
|
|
|
|
|
|
1.2 |
0.002 |
0.004 |
0.012 |
|
|
|
|
|
|
|
1.5 |
0.003 |
0.005 |
0.014 |
0.028 |
|
|
|
|
|
|
2 |
|
0.007 |
0.019 |
0.038 |
0.062 |
|
|
|
|
|
2.5 |
|
|
0.024 |
0.047 |
0.078 |
0.158 |
|
|
|
|
3 |
|
|
|
0.057 |
0.094 |
0.189 |
0.253 |
|
|
|
4 |
|
|
|
|
0.125 |
0.253 |
0.338 |
0.667 |
|
|
5 |
|
|
|
|
|
0.316 |
0.422 |
0.834 |
1.36 |
|
6 |
|
|
|
|
|
|
0.506 |
1.00 |
1.63 |
|
8 |
|
|
|
|
|
|
|
1.33 |
2.17 |
|
10 |
|
|
|
|
|
|
|
|
2.72 |

