|
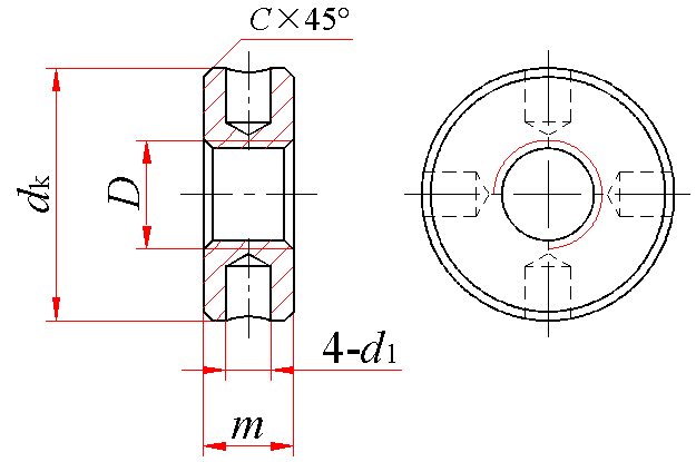
侧面带孔圆螺母(GB/T 816—1988) mm |
|||||||
|
|
|||||||
|
标记示例: 螺纹规格D=M5、材料为Q235、不经表面处理,侧面带孔圆螺母的标记: 螺母 GB 816 M5 |
|||||||
|
螺纹规格 D |
dk |
m |
d1 |
t |
C |
||
|
max |
min |
max |
min |
||||
|
M2 |
5.5 |
5.32 |
2 |
1.75 |
1 |
1.2 |
0.2 |
|
M2.5 |
7 |
6.78 |
2.2 |
1.95 |
1.2 |
1.2 |
0.2 |
|
M3 |
8 |
7.78 |
2.5 |
2.25 |
1.5 |
1.5 |
0.3 |
|
M4 |
10 |
9.78 |
3.5 |
3.2 |
1.5 |
2 |
0.4 |
|
M5 |
12 |
11.73 |
4.2 |
3.9 |
2 |
2.5 |
0.4 |
|
M6 |
14 |
13.73 |
5 |
4.7 |
2.5 |
3 |
0.5 |
|
M8 |
18 |
17.73 |
6.5 |
6.14 |
3 |
3.5 |
0.5 |
|
M10 |
22 |
21.67 |
8 |
7.64 |
3.5 |
4 |
0.8 |
|
技术条件 |
材料 |
螺纹公差 |
表面处理 |
||||
|
Q235 |
6H |
1.不经表面处;2.氧化;3.镀锌钝化 |
|||||
|
质量 kg |
||||||||
|
螺纹规格 |
M2 |
M2.5 |
M3 |
M4 |
M5 |
M6 |
M8 |
M10 |
|
每1000件钢制品的质量≈ |
0.23 |
0.43 |
0.63 |
1.45 |
2.45 |
3.93 |
8.64 |
16.10 |
