|
圆螺母(GB/T 812—1988) mm |
|||||||||
|
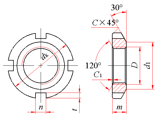
D≤M100×2 槽数 4 D≥M105×2 槽数 6 |
|||||||||
|
标记示例: 螺纹规格D=M16×1.5、材料为45钢、槽或全部热处理后硬度HRC35~45、表面氧化的圆螺母的标记: 螺母 GB 812 M16×1.5 |
|||||||||
|
螺纹规格 D×P |
dk |
d1 |
m |
n |
t |
C |
C1 |
||
|
max |
min |
max |
min |
||||||
|
M10×1 |
22 |
16 |
8 |
4.3 |
4 |
2.6 |
2 |
0.5 |
0.5 |
|
M12×1.25 |
25 |
19 |
8 |
4.3 |
4 |
2.6 |
2 |
0.5 |
0.5 |
|
M14×1.5 |
28 |
20 |
8 |
4.3 |
4 |
2.6 |
2 |
0.5 |
0.5 |
|
M16×1.5 |
30 |
22 |
8 |
5.3 |
5 |
3.1 |
2.5 |
0.5 |
0.5 |
|
M18×1.5 |
32 |
24 |
8 |
5.3 |
5 |
3.1 |
2.5 |
0.5 |
0.5 |
|
M20×1.5 |
35 |
27 |
8 |
5.3 |
5 |
3.1 |
2.5 |
0.5 |
0.5 |
|
M22×1.5 |
38 |
30 |
10 |
5.3 |
5 |
3.1 |
2.5 |
1 |
0.5 |
|
M24×1.5 |
42 |
34 |
10 |
5.3 |
5 |
3.1 |
2.5 |
1 |
0.5 |
|
M25×1.51) |
42 |
34 |
10 |
5.3 |
5 |
3.1 |
2.5 |
1 |
0.5 |
|
M27×1.5 |
45 |
37 |
10 |
5.3 |
5 |
3.1 |
2.5 |
1 |
0.5 |
|
M30×1.5 |
48 |
40 |
10 |
5.3 |
5 |
3.1 |
2.5 |
1 |
0.5 |
|
M33×1.5 |
52 |
43 |
10 |
6.3 |
6 |
3.6 |
3 |
1 |
0.5 |
|
M35×1.51) |
52 |
43 |
10 |
6.3 |
6 |
3.6 |
3 |
1 |
0.5 |
|
M36×1.5 |
55 |
46 |
10 |
6.3 |
6 |
3.6 |
3 |
1.5 |
0.5 |
|
M39×1.5 |
58 |
49 |
10 |
6.3 |
6 |
3.6 |
3 |
1.5 |
0.5 |
|
M40×1.51) |
58 |
49 |
10 |
6.3 |
6 |
3.6 |
3 |
1.5 |
0.5 |
|
M42×1.5 |
62 |
53 |
10 |
6.3 |
6 |
3.6 |
3 |
1.5 |
0.5 |
|
M45×1.5 |
68 |
59 |
10 |
6.3 |
6 |
3.6 |
3 |
1.5 |
0.5 |
|
M48×1.5 |
72 |
61 |
12 |
8.36 |
8 |
4.25 |
3.5 |
1.5 |
0.5 |
|
M50×1.51) |
72 |
61 |
12 |
8.36 |
8 |
4.25 |
3.5 |
1.5 |
0.5 |
|
M52×1.5 |
78 |
67 |
12 |
8.36 |
8 |
4.25 |
3.5 |
1.5 |
0.5 |
|
M55×21) |
78 |
67 |
12 |
8.36 |
8 |
4.25 |
3.5 |
1.5 |
0.5 |
|
M56×2 |
85 |
74 |
12 |
8.36 |
8 |
4.25 |
3.5 |
1.5 |
1 |
|
M60×2 |
90 |
79 |
12 |
8.36 |
8 |
4.25 |
3.5 |
1.5 |
1 |
|
M64×2 |
95 |
84 |
12 |
8.36 |
8 |
4.25 |
3.5 |
1.5 |
1 |
|
M65×21) |
95 |
84 |
12 |
8.36 |
8 |
4.25 |
3.5 |
1.5 |
1 |
|
M68×2 |
100 |
88 |
12 |
10.36 |
10 |
4.75 |
4 |
1.5 |
1 |
|
M72×2 |
105 |
93 |
15 |
10.36 |
10 |
4.75 |
4 |
1.5 |
1 |
|
M75×21) |
105 |
93 |
15 |
10.36 |
10 |
4.75 |
4 |
1.5 |
1 |
|
M76×2 |
110 |
98 |
15 |
10.36 |
10 |
4.75 |
4 |
1.5 |
1 |
|
M80×2 |
115 |
103 |
15 |
10.36 |
10 |
4.75 |
4 |
1.5 |
1 |
|
M85×2 |
120 |
108 |
15 |
10.36 |
10 |
4.75 |
4 |
1.5 |
1 |
|
M90×2 |
125 |
112 |
18 |
12.43 |
12 |
5.75 |
5 |
1.5 |
1 |
|
M95×2 |
130 |
117 |
18 |
12.43 |
12 |
5.75 |
5 |
1.5 |
1 |
|
M100×2 |
135 |
122 |
18 |
12.43 |
12 |
5.75 |
5 |
1.5 |
1 |
|
M105×2 |
140 |
127 |
18 |
12.43 |
12 |
5.75 |
5 |
1.5 |
1 |
|
M110×2 |
150 |
135 |
18 |
14.43 |
14 |
6.75 |
6 |
1.5 |
1 |
|
M115×2 |
155 |
140 |
22 |
14.43 |
14 |
6.75 |
6 |
1.5 |
1 |
|
M120×2 |
160 |
145 |
22 |
14.43 |
14 |
6.75 |
6 |
1.5 |
1 |
|
M125×2 |
165 |
150 |
22 |
14.43 |
14 |
6.75 |
6 |
1.5 |
1 |
|
M130×2 |
170 |
155 |
22 |
14.43 |
14 |
6.75 |
6 |
1.5 |
1 |
|
M140×2 |
180 |
165 |
26 |
14.43 |
14 |
6.75 |
6 |
1.5 |
1 |
|
M150×2 |
200 |
180 |
26 |
16.43 |
16 |
7.9 |
7 |
1.5 |
1 |
|
M160×3 |
210 |
190 |
26 |
16.43 |
16 |
7.9 |
7 |
2 |
1.5 |
|
M170×3 |
220 |
200 |
26 |
16.43 |
16 |
7.9 |
7 |
2 |
1.5 |
|
M180×3 |
230 |
210 |
30 |
16.43 |
16 |
7.9 |
7 |
2 |
1.5 |
|
M190×3 |
240 |
220 |
30 |
16.43 |
16 |
7.9 |
7 |
2 |
1.5 |
|
M200×3 |
250 |
230 |
30 |
16.43 |
16 |
7.9 |
7 |
2 |
1.5 |
|
技术条件 |
材料 |
螺纹公差 |
热处理及表面处理 |
||||||
|
45钢 |
6H |
1.槽或全部热处理后HRC35~45 2.调质HRC24~30 3.氧化 |
|||||||
|
注:1)仅用于滚动轴承锁紧装置。 |
|||||||||
|
质量 kg |
||||||||
|
螺纹规格 |
M10×1 |
M12×1.25 |
M14×1.5 |
M16×1.5 |
M18×1.5 |
M20×1.5 |
M22×1.5 |
M24×1.5 |
|
每1000件钢制品的质量≈ |
16.82 |
21.58 |
26.82 |
28.44 |
31.19 |
37.31 |
54.91 |
68.88 |
|
螺纹规格 |
M25×1.5 |
M27×1.5 |
M30×1.5 |
M33×1.5 |
M35×1.5 |
M36×1.5 |
M39×1.5 |
M40×1.5 |
|
每1000件钢制品的质量≈ |
65.88 |
75.49 |
82.11 |
93.32 |
84.99 |
100.3 |
107.3 |
102.5 |
|
螺纹规格 |
M42×1.5 |
M45×1.5 |
M48×1.5 |
M50×1.5 |
M52×1.5 |
M55×2 |
M56×2 |
M60×2 |
|
每1000件钢制品的质量≈ |
121.8 |
153.6 |
201.2 |
186.8 |
238.0 |
214.4 |
290.1 |
320.3 |
|
螺纹规格 |
M64×2 |
M65×2 |
M68×2 |
M72×2 |
M75×2 |
M76×2 |
M80×2 |
M85×2 |
|
每1000件钢制品的质量≈ |
351.9 |
342.4 |
380.2 |
518.0 |
477.5 |
562.4 |
608.4 |
640.6 |
|
螺纹规格 |
M90×2 |
M95×2 |
M100×2 |
M105×2 |
M110×2 |
M115×2 |
M120×2 |
M125×2 |
|
每1000件钢制品的质量≈ |
796.1 |
834.7 |
873.3 |
895.0 |
1076 |
1369 |
1423 |
1477 |
|
螺纹规格 |
M130×2 |
M140×2 |
M150×2 |
M160×3 |
M170×3 |
M180×3 |
M190×3 |
M200×3 |
|
每1000件钢制品的质量≈ |
1531 |
1937 |
2651 |
2810 |
2970 |
3610 |
3794 |
3978 |
