|
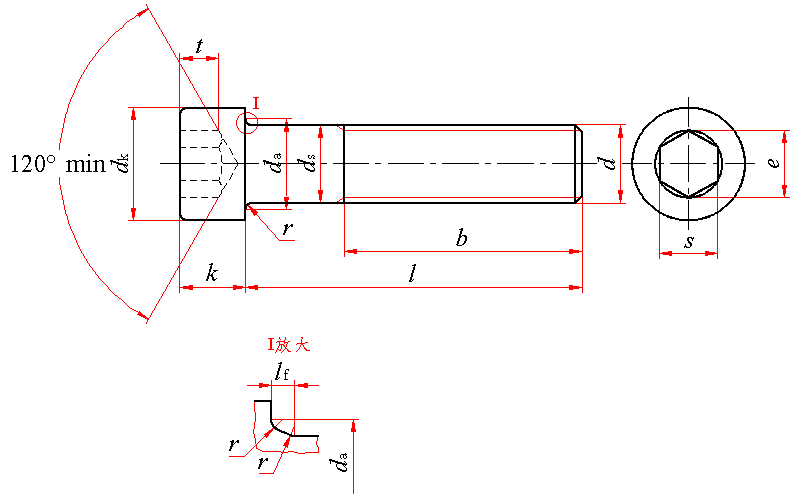
内六角圆柱头螺钉(GB/T 70.1—2008) mm |
||||||||||||||||||||||||||||||||
|
|
||||||||||||||||||||||||||||||||
|
最大的头下圆角 |
||||||||||||||||||||||||||||||||
|
|
||||||||||||||||||||||||||||||||
|
rmin见下表。 注:对切制内六角,当尺寸达到最大极限时,由于钻孔造成的过切不应超过内六角任何一面长度(t)的20%。 1)内六角口部允许稍许倒角或沉孔。 2)末端倒角,d≤M4的为辗制末端,见GB/T2。 3)不完整螺纹的长度u≤2P。 4)ds适用于规定了lsmin数值的产品。 5)头的顶部棱边可以是圆的或倒角的,由制造者任选。 6)底部棱边可以是圆的或倒角到dw,但均不得有毛刺。 |
||||||||||||||||||||||||||||||||
|
标记示例: 螺纹规格d=M5、公称长度l=20mm、性能等级为8.8级、表面氧化的A级内六角圆柱头螺钉的标记: 螺钉 GB/T 70.1 M5×20 |
||||||||||||||||||||||||||||||||
|
螺纹规格 d |
螺距 P |
b参考 |
dk |
da |
ds |
e |
lf |
k |
||||||||||||||||||||||||
|
max |
min |
max |
max |
min |
min4) |
max |
max |
min |
||||||||||||||||||||||||
|
2) |
3) |
|||||||||||||||||||||||||||||||
|
M1.6 |
0.35 |
15 |
3.00 |
3.14 |
2.86 |
2 |
1.60 |
1.46 |
1.73 |
0.34 |
1.60 |
1.46 |
||||||||||||||||||||
|
M2 |
0.4 |
16 |
3.80 |
3.98 |
3.62 |
2.6 |
2.00 |
1.86 |
1.73 |
0.51 |
2.00 |
1.86 |
||||||||||||||||||||
|
M2.5 |
0.45 |
17 |
4.50 |
4.68 |
4.32 |
3.1 |
2.50 |
2.36 |
2.3 |
0.51 |
2.50 |
2.36 |
||||||||||||||||||||
|
M3 |
0.5 |
18 |
5.50 |
5.68 |
5.32 |
3.6 |
3.00 |
2.86 |
2.87 |
0.51 |
3.00 |
2.86 |
||||||||||||||||||||
|
M4 |
0.7 |
20 |
7.00 |
7.22 |
6.78 |
4.7 |
4.00 |
3.82 |
3.44 |
0.6 |
4.00 |
3.82 |
||||||||||||||||||||
|
M5 |
0.8 |
22 |
8.50 |
8.72 |
8.28 |
5.7 |
5.00 |
4.82 |
4.58 |
0.6 |
5.00 |
4.82 |
||||||||||||||||||||
|
M6 |
1 |
24 |
10.00 |
10.22 |
9.78 |
6.8 |
6.00 |
5.82 |
5.72 |
0.68 |
6.0 |
5.7 |
||||||||||||||||||||
|
M8 |
1.25 |
28 |
13.00 |
13.27 |
12.73 |
9.2 |
8.00 |
7.78 |
6.86 |
1.02 |
8.00 |
7.64 |
||||||||||||||||||||
|
M10 |
1.5 |
32 |
16.00 |
16.27 |
15.73 |
11.2 |
10.00 |
9.78 |
9.15 |
1.02 |
10.00 |
9.64 |
||||||||||||||||||||
|
M12 |
1.75 |
36 |
18.00 |
18.27 |
17.73 |
13.7 |
12.00 |
11.73 |
11.43 |
1.45 |
12.00 |
11.57 |
||||||||||||||||||||
|
(M14)1) |
2 |
40 |
21.00 |
21.33 |
20.67 |
15.7 |
14.00 |
13.73 |
13.72 |
1.45 |
14.00 |
13.57 |
||||||||||||||||||||
|
M16 |
2 |
44 |
24.00 |
24.33 |
23.67 |
17.7 |
16.00 |
15.73 |
16 |
1.45 |
16.00 |
15.57 |
||||||||||||||||||||
|
M20 |
2.5 |
52 |
30.00 |
30.33 |
29.67 |
22.4 |
20.00 |
19.67 |
19.44 |
2.04 |
20.00 |
19.48 |
||||||||||||||||||||
|
M24 |
3 |
60 |
36.00 |
36.39 |
35.61 |
26.4 |
24.00 |
23.67 |
21.73 |
2.04 |
24.00 |
23.48 |
||||||||||||||||||||
|
M30 |
3.5 |
72 |
45.00 |
45.39 |
44.61 |
33.4 |
30.00 |
29.67 |
25.15 |
2.89 |
30.00 |
29.48 |
||||||||||||||||||||
|
M36 |
4 |
84 |
54.00 |
54.46 |
53.54 |
39.4 |
36.00 |
35.61 |
30.85 |
2.89 |
36.00 |
35.38 |
||||||||||||||||||||
|
M42 |
4.5 |
96 |
63.00 |
63.46 |
62.54 |
45.6 |
42.00 |
41.61 |
36.57 |
3.06 |
42.00 |
41.38 |
||||||||||||||||||||
|
M48 |
5 |
106 |
72.00 |
72.46 |
71.54 |
52.6 |
48.00 |
47.61 |
41.13 |
3.91 |
48.00 |
47.38 |
||||||||||||||||||||
|
M56 |
5.5 |
124 |
84.00 |
84.54 |
83.46 |
63 |
56.00 |
55.54 |
46.83 |
5.95 |
56.00 |
55.26 |
||||||||||||||||||||
|
M64 |
6 |
140 |
96.00 |
96.54 |
95.46 |
71 |
64.00 |
63.54 |
52.53 |
5.95 |
64.00 |
63.26 |
||||||||||||||||||||
|
螺纹规格 d |
r |
s |
t |
v |
dw |
w |
l的范围 |
全螺纹 长度l |
||||||||||||||||||||||||
|
min |
公称 |
min |
max |
min |
max |
min |
min |
|||||||||||||||||||||||||
|
5) |
6) |
|||||||||||||||||||||||||||||||
|
M1.6 |
0.1 |
1.5 |
1.545 |
1.560 |
1.520 |
0.7 |
0.16 |
2.72 |
0.55 |
2.5~16 |
2.5~16 |
|||||||||||||||||||||
|
M2 |
0.1 |
1.5 |
1.545 |
1.560 |
1.520 |
1 |
0.2 |
3.48 |
0.55 |
3~20 |
3~16 |
|||||||||||||||||||||
|
M2.5 |
0.1 |
2 |
2.045 |
2.060 |
2.020 |
1.1 |
0.25 |
4.18 |
0.85 |
4~25 |
4~20 |
|||||||||||||||||||||
|
M3 |
0.1 |
2.5 |
2.56 |
2.58 |
2.52 |
1.3 |
0.3 |
5.07 |
1.15 |
5~30 |
5~20 |
|||||||||||||||||||||
|
M4 |
0.2 |
3 |
3.071 |
3.080 |
3.020 |
2 |
0.4 |
6.53 |
1.4 |
6~40 |
6~25 |
|||||||||||||||||||||
|
M5 |
0.2 |
4 |
4.084 |
4.095 |
4.020 |
2.5 |
0.5 |
8.03 |
1.9 |
8~50 |
8~25 |
|||||||||||||||||||||
|
M6 |
0.25 |
5 |
5.084 |
5.140 |
5.020 |
3 |
0.6 |
9.38 |
2.3 |
10~60 |
10~30 |
|||||||||||||||||||||
|
M8 |
0.4 |
6 |
6.095 |
6.140 |
6.020 |
4 |
0.8 |
12.33 |
3.3 |
12~80 |
12~35 |
|||||||||||||||||||||
|
M10 |
0.4 |
8 |
8.115 |
8.175 |
8.025 |
5 |
1 |
15.33 |
4 |
16~100 |
16~40 |
|||||||||||||||||||||
|
M12 |
0.6 |
10 |
10.115 |
10.175 |
10.025 |
6 |
1.2 |
17.23 |
4.8 |
20~120 |
20~50 |
|||||||||||||||||||||
|
(M14)1) |
0.6 |
12 |
12.142 |
12.212 |
12.032 |
7 |
1.4 |
20.17 |
5.8 |
25~140 |
25~55 |
|||||||||||||||||||||
|
M16 |
0.6 |
14 |
14.142 |
14.212 |
14.032 |
8 |
1.6 |
23.17 |
6.8 |
25~160 |
25~60 |
|||||||||||||||||||||
|
M20 |
0.8 |
17 |
17.23 |
17.23 |
17.05 |
10 |
2 |
28.87 |
8.6 |
30~200 |
30~70 |
|||||||||||||||||||||
|
M24 |
0.8 |
19 |
19.275 |
19.275 |
19.065 |
12 |
2.4 |
34.81 |
10.4 |
40~200 |
40~80 |
|||||||||||||||||||||
|
M30 |
1 |
22 |
22.275 |
22.275 |
22.065 |
15.5 |
3 |
43.61 |
13.1 |
45~200 |
45~100 |
|||||||||||||||||||||
|
M36 |
1 |
27 |
27.275 |
27.275 |
27.065 |
19 |
3.6 |
52.54 |
15.3 |
55~200 |
55~110 |
|||||||||||||||||||||
|
M42 |
1.2 |
32 |
— |
32.33 |
32.08 |
24 |
4.2 |
61.34 |
16.3 |
60~300 |
60~130 |
|||||||||||||||||||||
|
M48 |
1.6 |
36 |
— |
36.33 |
36.08 |
28 |
4.8 |
70.34 |
17.5 |
70~300 |
70~150 |
|||||||||||||||||||||
|
M56 |
2 |
41 |
— |
41.33 |
41.08 |
34 |
5.6 |
82.26 |
19 |
80~300 |
80~160 |
|||||||||||||||||||||
|
M64 |
2 |
46 |
— |
46.33 |
46.08 |
38 |
6.4 |
94.26 |
22 |
90~300 |
90~180 |
|||||||||||||||||||||
|
技术条件 |
材料 |
螺纹公差 |
机械性能等级 |
产品公差等级 |
表面处理 |
|||||||||||||||||||||||||||
|
钢 |
12.9级;5g6g;其他等级:6g |
d<3mm:按协议3mm≤d≤39mm: 8.8、10.9、12.9 d>39mm:按协议 |
A |
氧化 |
||||||||||||||||||||||||||||
|
不锈钢 |
d≤24mm:A2-70、A3-70、A4-70、A5-70 24mm<d≤39mm:A2-50、A3-50、A4-50、A5-50 d>39mm:按协议 |
简单处理 |
||||||||||||||||||||||||||||||
|
有色金属 |
CU2、CU3 |
简单处理 |
||||||||||||||||||||||||||||||
|
公称长度l的商品规格系列: mm |
||||||||||||||||||||||||||||||||
|
公称 |
2.5 |
3 |
4 |
5 |
6 |
8 |
10 |
12 |
16 |
20 |
25 |
30 |
||||||||||||||||||||
|
min |
2.3 |
2.8 |
3.76 |
4.76 |
5.76 |
7.71 |
9.71 |
11.65 |
15.65 |
19.58 |
24.58 |
29.58 |
||||||||||||||||||||
|
max |
2.7 |
3.2 |
4.24 |
5.24 |
6.24 |
8.29 |
10.29 |
12.35 |
16.35 |
20.42 |
25.42 |
30.42 |
||||||||||||||||||||
|
公称 |
35 |
40 |
45 |
50 |
55 |
60 |
65 |
70 |
80 |
90 |
100 |
110 |
||||||||||||||||||||
|
min |
34.5 |
39.5 |
44.5 |
49.5 |
54.4 |
59.4 |
64.4 |
69.4 |
79.4 |
89.3 |
99.3 |
109.3 |
||||||||||||||||||||
|
max |
35.5 |
40.5 |
45.5 |
50.5 |
55.6 |
60.6 |
65.6 |
70.6 |
80.6 |
90.7 |
100.7 |
110.7 |
||||||||||||||||||||
|
公称 |
120 |
130 |
140 |
150 |
160 |
180 |
200 |
220 |
240 |
260 |
280 |
300 |
||||||||||||||||||||
|
min |
119.3 |
129.2 |
139.2 |
149.2 |
159.2 |
179.2 |
199.075 |
219.075 |
239.075 |
258.95 |
278.95 |
298.95 |
||||||||||||||||||||
|
max |
120.7 |
130.8 |
140.8 |
150.8 |
160.8 |
180.8 |
200.925 |
220.925 |
240.925 |
261.05 |
281.05 |
301.05 |
||||||||||||||||||||
|
1)尽可能不采用括号内的规格。 2)对光滑头部。 3)对滚花头部。 4)emin=1.14smin。 5)用于12.9级。 6)用于其他性能等级。 |
||||||||||||||||||||||||||||||||
|
质量 kg |
||||||||||
|
螺纹规格 |
M1.6 |
M2 |
M2.5 |
M3 |
M4 |
M5 |
M6 |
M8 |
M10 |
M12 |
|
公称长度/mm |
每1000件钢制品的质量≈ |
|||||||||
|
2.5 |
0.085 |
|
|
|
|
|
|
|
|
|
|
3 |
0.090 |
0.155 |
|
|
|
|
|
|
|
|
|
4 |
0.100 |
0.175 |
0.345 |
|
|
|
|
|
|
|
|
5 |
0.110 |
0.195 |
0.375 |
0.67 |
|
|
|
|
|
|
|
6 |
0.120 |
0.215 |
0.405 |
0.71 |
1.50 |
|
|
|
|
|
|
8 |
0.140 |
0.255 |
0.465 |
0.80 |
1.65 |
2.45 |
|
|
|
|
|
10 |
0.160 |
0.295 |
0.525 |
0.88 |
1.80 |
2.70 |
4.70 |
|
|
|
|
12 |
0.180 |
0.355 |
0.585 |
0.96 |
1.95 |
2.95 |
5.07 |
10.9 |
|
|
|
16 |
0.220 |
0.415 |
0.705 |
1.16 |
2.25 |
3.45 |
5.75 |
12.1 |
20.9 |
|
|
20 |
|
0.495 |
0.825 |
1.36 |
2.65 |
4.01 |
6.53 |
13.4 |
22.9 |
32.1 |
|
25 |
|
|
0.975 |
1.61 |
3.15 |
4.78 |
7.59 |
15.0 |
25.4 |
35.7 |
|
30 |
|
|
|
1.86 |
3.65 |
5.55 |
8.30 |
16.9 |
27.9 |
39.3 |
|
35 |
|
|
|
|
4.15 |
6.32 |
9.91 |
18.9 |
30.4 |
42.9 |
|
40 |
|
|
|
|
4.65 |
7.09 |
11.0 |
20.9 |
32.9 |
46.5 |
|
45 |
|
|
|
|
|
7.86 |
12.1 |
22.9 |
36.1 |
50.1 |
|
50 |
|
|
|
|
|
8.63 |
13.2 |
24.9 |
39.3 |
54.5 |
|
55 |
|
|
|
|
|
|
14.3 |
26.9 |
42.5 |
58.9 |
|
60 |
|
|
|
|
|
|
15.4 |
28.9 |
45.7 |
63.4 |
|
65 |
|
|
|
|
|
|
|
31.0 |
48.9 |
67.8 |
|
70 |
|
|
|
|
|
|
|
33.0 |
52.1 |
71.3 |
|
80 |
|
|
|
|
|
|
|
37.0 |
58.5 |
80.2 |
|
90 |
|
|
|
|
|
|
|
|
64.9 |
89.1 |
|
100 |
|
|
|
|
|
|
|
|
71.2 |
98.0 |
|
110 |
|
|
|
|
|
|
|
|
|
107 |
|
120 |
|
|
|
|
|
|
|
|
|
116 |
|
螺纹规格 |
M14 |
M16 |
M20 |
M24 |
M30 |
M36 |
M42 |
M48 |
M56 |
M64 |
|
公称长度/mm |
每1000件钢制品的质量≈ |
|||||||||
|
25 |
48.0 |
71.3 |
|
|
|
|
|
|
|
|
|
30 |
53.0 |
77.8 |
128 |
|
|
|
|
|
|
|
|
35 |
58.0 |
84.4 |
139 |
|
|
|
|
|
|
|
|
40 |
63.0 |
91.0 |
150 |
270 |
|
|
|
|
|
|
|
45 |
68.0 |
97.6 |
161 |
285 |
500 |
|
|
|
|
|
|
50 |
73.0 |
106 |
172 |
300 |
527 |
|
|
|
|
|
|
55 |
78.0 |
114 |
183 |
316 |
554 |
870 |
|
|
|
|
|
60 |
84.0 |
122 |
194 |
330 |
581 |
910 |
1370 |
|
|
|
|
65 |
90.0 |
130 |
205 |
345 |
608 |
950 |
1420 |
|
|
|
|
70 |
96.0 |
138 |
216 |
363 |
635 |
990 |
1470 |
2040 |
|
|
|
80 |
108 |
154 |
241 |
399 |
690 |
1070 |
1580 |
2180 |
3340 |
|
|
90 |
120 |
170 |
266 |
435 |
745 |
1150 |
1680 |
2320 |
3530 |
5220 |
|
100 |
132 |
186 |
291 |
471 |
800 |
1230 |
1790 |
2460 |
3720 |
5470 |
|
110 |
144 |
202 |
316 |
507 |
855 |
1310 |
1890 |
2600 |
3920 |
5730 |
|
120 |
156 |
218 |
341 |
543 |
910 |
1390 |
2000 |
2740 |
4110 |
5980 |
|
130 |
168 |
234 |
366 |
579 |
965 |
1470 |
2100 |
2880 |
4300 |
6230 |
|
140 |
180 |
250 |
391 |
615 |
1020 |
1550 |
2210 |
3020 |
4490 |
6490 |
|
150 |
|
266 |
416 |
651 |
1080 |
1630 |
2320 |
3160 |
4680 |
6740 |
|
160 |
|
282 |
441 |
687 |
1130 |
1710 |
2420 |
3300 |
4880 |
6900 |
|
180 |
|
|
491 |
759 |
1240 |
1870 |
2640 |
3590 |
5270 |
7250 |
|
200 |
|
|
541 |
831 |
1350 |
2030 |
2860 |
3870 |
5650 |
7750 |
|
220 |
|
|
|
903 |
1460 |
2190 |
3080 |
4150 |
6040 |
8250 |
|
240 |
|
|
|
975 |
1570 |
2250 |
3300 |
4430 |
6420 |
8750 |
|
260 |
|
|
|
|
1680 |
2410 |
3520 |
4710 |
6810 |
9260 |
|
280 |
|
|
|
|
1790 |
2570 |
3740 |
4990 |
7200 |
9760 |
|
300 |
|
|
|
|
1900 |
2730 |
3960 |
5270 |
7580 |
10300 |


