|
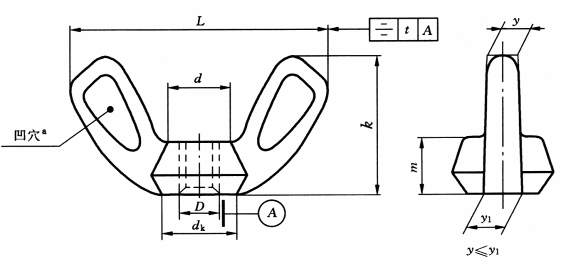
蝶形螺母 压铸 (GB/T 62.4—2004) mm |
||||||||||||
|
|
||||||||||||
|
标记示例: 螺纹规格D=M5、材料为ZznA1D4-3、保证扭矩为Ⅱ级、不经表面处理、用锌合金压铸制成的蝶形螺母的标记: 螺母 GB/T 62.4 M5 |
||||||||||||
|
螺纹规格 D |
dk min |
d ≈ |
L |
k |
m min |
y max |
y1 max |
t max |
||||
|
M3 |
5 |
4 |
16 |
±1.5 |
8.5 |
±1.5 |
2.4 |
2.5 |
3 |
0.4 |
||
|
M4 |
7 |
6 |
21 |
11 |
3.2 |
3 |
4 |
0.4 |
||||
|
M5 |
8.5 |
7 |
21 |
11 |
4 |
3.5 |
4.5 |
0.5 |
||||
|
M6 |
10.5 |
9 |
23 |
14 |
5 |
4 |
5 |
0.5 |
||||
|
M8 |
13 |
10 |
30 |
16 |
6.5 |
4.5 |
5.5 |
0.6 |
||||
|
M10 |
16 |
12 |
37 |
±2 |
19 |
8 |
5.5 |
6.5 |
0.7 |
|||
|
技术条件和引用标准 |
||||||||||||
|
材 料a |
锌合金 ZZnAID4-3 (GB/T 8738) |
|||||||||||
|
螺 纹 |
公 差 |
7H |
||||||||||
|
标 准 |
GB/T 193、GB/T 9145 |
|||||||||||
|
保证扭矩 |
等 级 |
Ⅱ级 |
||||||||||
|
标 准 |
GB/T 3098.20 |
|||||||||||
|
表面处理 |
— |
|||||||||||
|
验收及包装 |
GB/T 90.1、GB/T 90.2 |
|||||||||||
|
注:a 材料牌号仅系推荐采用的,制造者可根据实际条件与经验选用其他材料牌号及技术条件。 |
||||||||||||
|
质量 kg |
||||||
|
螺纹规格 |
M3 |
M4 |
M5 |
M6 |
M8 |
M10 |
|
每1000件钢制品的质量≈ |
1.30 |
2.85 |
3.41 |
5.52 |
9.54 |
16.90 |

