全金属六角法兰面锁紧螺母 细牙(GB/T 6187.2—2016) mm | |||||||||||||
| |||||||||||||
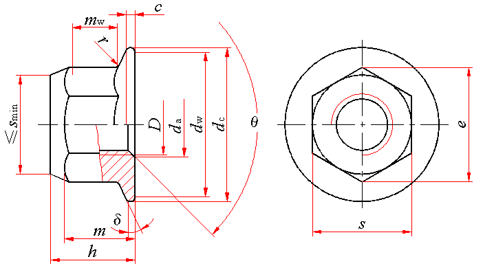
θ=90°~120°;δ=15°~25° | |||||||||||||
标记示例: 螺纹规格D=M12×1.5、细牙螺纹、性能等级为8级、表面氧化、产品等级为A级的全金属六角法兰面锁紧螺母的标记: 螺母 GB/T 6187.2 M12×1.5 | |||||||||||||
螺纹规格 | c min | da | dc max | dw min | e min | h | m min | mw min | s | r | |||
D×P | max | min | max | min | max | min | max | ||||||
M8×1 | 1.2 | 8.75 | 8.00 | 17.9 | 15.8 | 14.38 | 9.40 | 8.74 | 7.64 | 4.6 | 13.00 | 12.73 | 0.48 |
M10×1 M10×1.25 | 1.5 | 10.8 | 10.0 | 21.8 | 19.6 | 16.64 | 11.40 | 10.34 | 9.64 | 5.6 | 15.00 | 14.73 | 0.6 |
M12×1.5 M12×1.25 | 1.8 | 13 | 12 | 26 | 23.8 | 20.03 | 13.80 | 12.57 | 11.57 | 6.8 | 18.00 | 17.73 | 0.72 |
(M14×1.5) | 2.1 | 15.1 | 14.0 | 29.9 | 27.6 | 23.36 | 15.9 | 14.8 | 13.3 | 7.7 | 21.00 | 20.67 | 0.88 |
M16×1.5 | 2.4 | 17.3 | 16.0 | 34.5 | 31.9 | 26 | 18.3 | 17.2 | 15.3 | 8.9 | 24.00 | 23.67 | 0.96 |
M20×1.5 | 3 | 21.6 | 20.0 | 42.8 | 39.9 | 32.95 | 22.4 | 20.3 | 18.7 | 10.7 | 30.00 | 29.16 | 1.2 |
技术条件 | 材料 | 螺纹公差 | 机械性能等级 | 公差产品等级 | 表面处理 | ||||||||
钢 | 6H | 6 | 1型 | D≤16mm:A级 D>16mm:B级 | 氧化 | ||||||||
8 | D≤16mm 2型 | ||||||||||||
D>16mm 1型 | |||||||||||||
10 | 2型 | ||||||||||||
注:1.尽可能不采用括号内的规格。 2.r适用于棱角和六角面。 | |||||||||||||
质量 kg | ||||||
螺纹规格 | M8×1 | M10×1 M10×1.25 | M12×1.5 M12×1.25 | M14×1.5 | M16×1.5 | M20×1.5 |
每1000件钢制品的质量≈ | 6.29 | 9.61 | 17.10 | 26.54 | 37.40 | 71.11 |

