|
1型六角开槽螺母—C级(GB/T 6179—1986) mm |
||||||||||||
|
|
||||||||||||
|
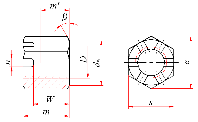
β=15°~30°;槽的底部允许制成平底;(m-W)长度内允许制成喇叭形的螺纹孔;六角与螺母开槽端的端面交接处允许有圆钝。 |
||||||||||||
|
标记示例: 螺纹规格D=M5、性能等级为5级、不经表面处理、C级的1型六角开槽螺母的标记: 螺母 GB 6179 M5 |
||||||||||||
|
螺纹规格D |
dw |
e |
m |
m′ |
n |
s |
W |
开口销 |
||||
|
min |
min |
max |
min |
min |
max |
min |
max |
min |
max |
min |
||
|
M5 |
6.9 |
8.63 |
7.6 |
6.1 |
3.5 |
2 |
1.4 |
8 |
7.64 |
5.6 |
4.4 |
1.2×12 |
|
M6 |
8.7 |
10.89 |
8.9 |
7.4 |
3.9 |
2.6 |
2 |
10 |
9.64 |
6.4 |
4.9 |
1.6×14 |
|
M8 |
11.5 |
14.20 |
10.94 |
9.14 |
5.1 |
3.1 |
2.5 |
13 |
12.57 |
7.94 |
6.44 |
2×16 |
|
M10 |
14.5 |
17.59 |
13.54 |
11.74 |
6.4 |
3.4 |
2.8 |
16 |
15.57 |
9.54 |
8.04 |
2.5×20 |
|
M12 |
16.5 |
19.85 |
17.17 |
15.37 |
8.3 |
4.25 |
3.5 |
18 |
17.57 |
12.17 |
10.37 |
3.2×22 |
|
(M14) |
19.2 |
22.78 |
18.9 |
16.8 |
9.7 |
4.25 |
3.5 |
21 |
20.16 |
13.9 |
12.1 |
3.2×26 |
|
M16 |
22 |
26.17 |
21.9 |
19.8 |
11.3 |
5.7 |
4.5 |
24 |
23.16 |
15.9 |
14.1 |
4×28 |
|
M20 |
27.7 |
32.95 |
25 |
22.9 |
13.5 |
5.7 |
4.5 |
30 |
29.16 |
19 |
16.9 |
4×36 |
|
M24 |
33.2 |
39.55 |
30.3 |
27.8 |
16.2 |
6.7 |
5.5 |
36 |
35 |
22.3 |
20.2 |
5×40 |
|
M30 |
42.7 |
50.85 |
35.4 |
32.4 |
19.5 |
8.5 |
7 |
46 |
45 |
26.4 |
24.3 |
6.3×50 |
|
M36 |
51.1 |
60.79 |
40.9 |
38.4 |
23.5 |
8.5 |
7 |
55 |
53.8 |
31.9 |
29.4 |
6.3×65 |
|
技术条件 |
材料 |
螺纹公差 |
机械性能等级 |
产品等级 |
表面处理 |
|||||||
|
钢 |
7H |
4、5 |
C级 |
1.不经处理;2.镀锌钝化 |
||||||||
|
注:尽可能不采用括号内的规格。 |
||||||||||||
|
质量 kg |
|||||||||||
|
螺纹规格 |
M5 |
M6 |
M8 |
M10 |
M12 |
M14 |
M16 |
M20 |
M24 |
M30 |
M36 |
|
每1000件钢制品的质量≈ |
1.22 |
2.39 |
5.03 |
9.86 |
14.84 |
21.62 |
33.35 |
64.06 |
111.5 |
228.5 |
387.8 |

