|
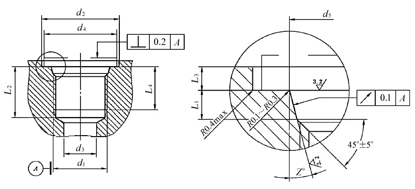
F型螺纹油口尺寸(摘自GB/T 3765—2008) mm |
|||||||||
|
F型螺纹油口 |
|||||||||
|
d1 |
d2 min |
d3 参考 |
d4 |
d5 +0.1 0 |
l1 +0.4 0 |
l2 min |
l3 max |
l4 min |
Z° ±1° |
|
M10×1 |
16 |
4.5 |
14.5 |
11.1 |
1.6 |
11.5 |
1 |
10 |
12 |
|
M12×1.5 |
19 |
6 |
17.5 |
13.8 |
2.4 |
14 |
1.5 |
11.5 |
15 |
|
M14×1.5 |
21 |
7.5 |
19.5 |
15.8 |
2.4 |
14 |
1.5 |
11.5 |
15 |
|
M16×1.5 |
24 |
9 |
22.5 |
17.8 |
2.4 |
15.5 |
1.5 |
13 |
15 |
|
M18×1.5 |
26 |
11 |
24.5 |
19.8 |
2.4 |
17 |
2 |
14.5 |
15 |
|
M20×1.5 |
29 |
— |
27.5 |
21.8 |
2.4 |
— |
2 |
14.5 |
15 |
|
M22×1.5 |
29 |
14 |
27.5 |
23.8 |
2.4 |
18 |
2 |
15.5 |
15 |
|
M27×2 |
34 |
18 |
32.5 |
29.4 |
3.1 |
22 |
2 |
19 |
15 |
|
M33×2 |
43 |
23 |
41.5 |
35.4 |
3.1 |
22 |
2.5 |
19 |
15 |
|
M42×2 |
52 |
30 |
50.5 |
44.4 |
3.1 |
22.5 |
2.5 |
19.5 |
15 |
|
M48×2 |
57 |
36 |
55.5 |
50.4 |
3.1 |
25 |
2.5 |
22 |
15 |

