|
卡套和卡套端尺寸(摘自GB/T 3764—2008) mm |
||||||||||||||||||
|
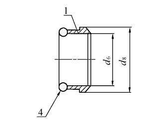
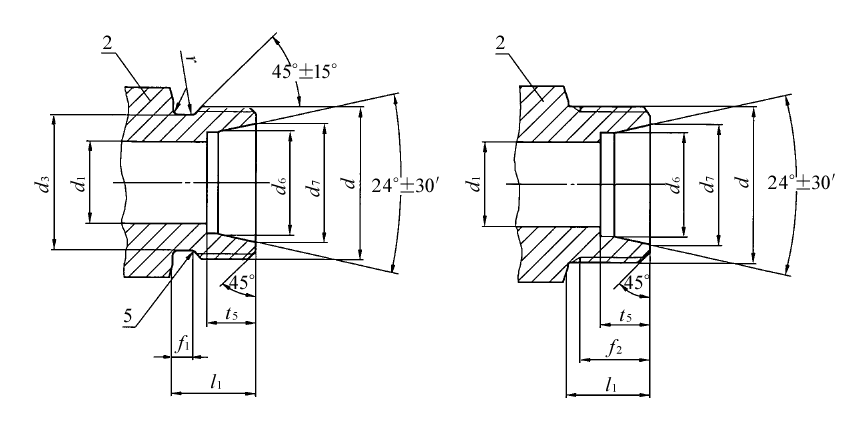
1—卡套,与接头体和螺母一起使用,未注尺寸由制造商决定,保证安装尺寸c; 2—接头体; 3—螺母; 4—卡套端结构,由制造商决定; 5—可选螺纹退刀槽结构。 标记示例 卡套系列为L,与外径为10 mm 配套使用的卡套标记为: 卡套 GB/T 3764 L10 |
||||||||||||||||||
|
系列 |
最大 工作 压力 /MPa |
管子外径D0 |
d |
dl |
d6 |
d7 +0.1 0 |
d8 max |
aa |
d3 0 -0.2 |
f1 +0.3 0 |
f2 min |
r 0 -0.2 |
l1 ±0.2 |
t5 +0.3 0 |
ca ≈ |
|||
|
公称尺寸 |
极限偏差 |
公称尺寸 |
极限 偏差 |
公称尺寸 |
极限偏差 |
|||||||||||||
|
LL |
10 |
4 |
M8×1 |
3 |
±0.1 |
4 |
+0.215 +0.140 |
5 |
6.5 |
3.5 |
+1 0 |
6.4 |
2 |
6 |
0.8 |
8 |
4 |
6 |
|
5 |
M10×1 |
3.5 |
5 |
6.5 |
8.5 |
4 |
8.4 |
2 |
6 |
0.8 |
8 |
5.5 |
6 |
|||||
|
6 |
M10×1 |
4.5 |
6 |
7.5 |
8.5 |
4 |
8.4 |
2 |
6 |
0.8 |
8 |
5.5 |
6 |
|||||
|
8 |
M12×1 |
6 |
8 |
+0.240 +0.150 |
9.5 |
10.5 |
4 |
10.4 |
2 |
8 |
0.8 |
9 |
5.5 |
6 |
||||
|
L |
25 |
6 |
M12×1.5 |
4 |
6 |
+0.215 +0.140 |
8.1 |
10 |
5 |
+1 0 |
9.7 |
3 |
7.5 |
1 |
10 |
7 |
8 |
|
|
8 |
M14×1.5 |
6 |
8 |
+0.240 +0.150 |
10.1 |
12 |
5 |
11.7 |
3 |
7.5 |
1 |
10 |
7 |
8 |
||||
|
10 |
M16×1.5 |
8 |
±0.2 |
10 |
12.3 |
14 |
5 |
+1.5 0 |
13.7 |
3 |
8.5 |
1 |
11 |
7 |
8 |
|||
|
12 |
M18×1.5 |
10 |
12 |
+0.260 +0.150 |
14.3 |
16 |
5 |
15.7 |
3 |
8.5 |
1 |
11 |
7 |
8 |
||||
|
(14) |
M20×1.5 |
11 |
14 |
16.3 |
18.5 |
5 |
17.7 |
3 |
8.5 |
1 |
11 |
7 |
8 |
|||||
|
15 |
M22×1.5 |
12 |
15 |
17.3 |
20 |
5 |
19.7 |
3 |
9.5 |
1 |
12 |
7 |
8 |
|||||
|
(16) |
M24×1.5 |
14 |
16 |
18.3 |
21.5 |
5 |
21.7 |
3 |
9.5 |
1 |
12 |
7.5 |
9 |
|||||
|
16 |
18 |
M26×1.5 |
15 |
18 |
20.3 |
24 |
5.5 |
23.7 |
3 |
9.5 |
1 |
12 |
7.5 |
9 |
||||
|
22 |
M30×2 |
19 |
22 |
+0.290 +0.160 |
24.3 |
27 |
6 |
+2 0 |
27 |
4 |
10.5 |
1.2 |
14 |
7.5 |
9 |
|||
|
10 |
28 |
M36×2 |
24 |
28 |
30.3 |
33 |
6 |
33 |
4 |
10.5 |
1.2 |
14 |
7.5 |
9 |
||||
|
35 |
M45×2 |
30 |
±0.3 |
35.3 |
±0.1 |
38 |
42 |
7 |
42 |
4 |
12.5 |
1.2 |
16 |
10.5 |
11 |
|||
|
42 |
M52×2 |
36 |
42.3 |
45 |
49 |
7 |
49 |
4 |
12.5 |
1.2 |
16 |
11 |
12 |
|||||
|
S |
63 |
6 |
M14×1.5 |
4 |
±0.1 |
6 |
+0.215 +0.140 |
8.1 |
12 |
5 |
+1.5 0 |
11.7 |
3 |
9.5 |
1 |
12 |
7 |
8 |
|
8 |
M16×1.5 |
5 |
±0.2 |
8 |
+0.240 +0.150 |
10.1 |
14 |
5 |
13.7 |
3 |
9.5 |
1 |
12 |
7 |
8 |
|||
|
10 |
M18×1.5 |
7 |
10 |
12.3 |
16 |
5 |
15.7 |
3 |
9.5 |
1 |
12 |
7.5 |
9 |
|||||
|
12 |
M20×1.5 |
8 |
12 |
+0.260 +0.150 |
14.3 |
18 |
5 |
17.7 |
3 |
9.5 |
1 |
12 |
7.5 |
9 |
||||
|
(14) |
M22×1.5 |
9 |
14 |
16.3 |
20 |
5 |
19.7 |
3 |
10.5 |
1 |
13 |
7.5 |
9 |
|||||
|
40 |
16 |
M24×1.5 |
12 |
16 |
18.3 |
22 |
5 |
21.7 |
3 |
11.5 |
1 |
14 |
8.5 |
10 |
||||
|
20 |
M30×2 |
16 |
20 |
+0.290 +0.160 |
22.9 |
27 |
6.5 |
+2 0 |
27 |
4 |
12.5 |
1.2 |
16 |
10.5 |
11 |
|||
|
25 |
M36×2 |
20 |
25 |
27.9 |
33 |
6.5 |
33 |
4 |
14.5 |
1.2 |
18 |
12 |
12 |
|||||
|
25 |
30 |
M42×2 |
25 |
30 |
33 |
39 |
7 |
39 |
4 |
16.5 |
1.2 |
20 |
13.5 |
13 |
||||
|
38 |
M52×2 |
32 |
±0.3 |
38.3 |
±0.1 |
41 |
49 |
7.5 |
49 |
4 |
18.5 |
1.2 |
22 |
16 |
15 |
|||
|
注:尽可能不采用括号内的规格。 a尺寸a和尺寸c为充分拧紧时的尺寸。 |
||||||||||||||||||



