|
O形圈尺寸(摘自GB/T 3758—2008) mm |
|||||
|
标记示例 接头系列为L,与外径为10 mm的管子配套使用,表面氧化处理的钢制卡套式管接头用锥密封焊接接管标记为: 接管 GB/T 3758 L10·O |
|||||
|
系列 |
管子外径 D0 |
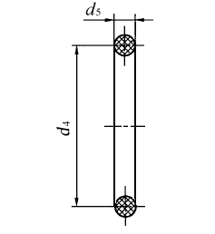
d4 |
ds |
||
|
公称 |
公差 |
公称 |
公差 |
||
|
L |
6 |
4 |
±0.14 |
1.5 |
±0.08 |
|
8 |
6 |
±0.14 |
1.5 |
±0.08 |
|
|
10 |
7.5 |
±0.16 |
1.5 |
±0.08 |
|
|
12 |
9 |
±0.16 |
1.5 |
±0.08 |
|
|
(14) |
11 |
±0.18 |
1.5 |
±0.08 |
|
|
15 |
12 |
±0.18 |
2 |
±0.09 |
|
|
(16) |
12 |
±0.18 |
2 |
±0.09 |
|
|
18 |
15 |
±0.18 |
2 |
±0.09 |
|
|
22 |
20 |
±0.22 |
2 |
±0.09 |
|
|
28 |
26 |
±0.22 |
2 |
±0.09 |
|
|
35 |
32 |
±0.31 |
2.5 |
±0.09 |
|
|
42 |
38 |
±0.31 |
2.5 |
±0.09 |
|
|
S |
6 |
4 |
±0.14 |
1.5 |
±0.08 |
|
8 |
6 |
±0.14 |
1.5 |
±0.08 |
|
|
10 |
7.5 |
±0.16 |
1.5 |
±0.08 |
|
|
12 |
9 |
±0.16 |
1.5 |
±0.08 |
|
|
(14) |
11 |
±0.16 |
1.5 |
±0.08 |
|
|
16 |
12 |
±0.18 |
2 |
±0.09 |
|
|
20 |
16.3 |
±0.18 |
2.4 |
±0.09 |
|
|
25 |
20.3 |
±0.22 |
2.4 |
±0.09 |
|
|
30 |
25.3 |
±0.22 |
2.4 |
±0.09 |
|
|
38 |
33.3 |
±0.31 |
2.4 |
±0.09 |
|
|
注:1.优先选用本标准规定O形圈尺寸,以保证满足本标准的性能要求。在满足保证密封性能要求情况下,也可使用其他尺寸规格的O形圈。 2.尽可能不采用括号内的规格。 |
|||||

