|
卡套式组合三通管接头和接头体的尺寸(摘自GB/T 3753—2008) mm |
||||||||||||||
|
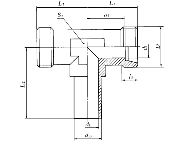
图1 卡套式组合三通管接头
图2 卡套式组合三通接头体 标记示例 接头系列为L,管子外径为10 mm,表面镀锌处理的钢制卡套式组合三通管接头标记为: 管接头 GB/T 3753 L10 接头系列为L,管子外径为10 mm,表面镀锌处理的钢制卡套式组合三通接头体标记为: 接头体 GB/T 3753 L10 |
||||||||||||||
|
系列 |
最大工 作压力 /MPa |
管子 外径 D0 |
D |
d1 参考 |
d10 ±0.3 |
d11 +0.20 -0.05 |
l5 min |
L7 ±0.3 |
L7c ≈ |
L21 ±0.5 |
a4 参考 |
S |
S2 |
|
|
锻制 min |
机械加工 max |
|||||||||||||
|
L |
25 |
6 |
M12×1.5 |
4 |
6 |
3 |
7 |
19 |
27 |
26 |
12 |
14 |
12 |
— |
|
8 |
M14×1.5 |
6 |
8 |
5 |
7 |
21 |
29 |
27.5 |
14 |
17 |
12 |
14 |
||
|
10 |
M16×1.5 |
8 |
10 |
7 |
8 |
22 |
30 |
29 |
15 |
19 |
14 |
17 |
||
|
12 |
M18×1.5 |
10 |
12 |
8 |
8 |
24 |
32 |
29.5 |
17 |
22 |
17 |
19 |
||
|
(14) |
M20×1.5 |
11 |
14 |
10 |
8 |
25 |
33 |
31.5 |
18 |
24 |
19 |
— |
||
|
15 |
M22×1.5 |
12 |
15 |
10 |
9 |
28 |
36 |
32.5 |
21 |
27 |
19 |
— |
||
|
(16) |
M24×1.5 |
14 |
16 |
11 |
9 |
30 |
39 |
33.5 |
22.5 |
30 |
22 |
— |
||
|
16 |
18 |
M26×1.5 |
15 |
18 |
13 |
9 |
31 |
40 |
35.5 |
23.5 |
32 |
24 |
— |
|
|
22 |
M30×2 |
19 |
22 |
17 |
10 |
35 |
44 |
38.5 |
27.5 |
36 |
27 |
— |
||
|
10 |
28 |
M36×2 |
24 |
28 |
23 |
10 |
38 |
47 |
41.5 |
30.5 |
41 |
36 |
— |
|
|
35 |
M45×2 |
30 |
35 |
29 |
12 |
45 |
56 |
51 |
34.5 |
50 |
41 |
— |
||
|
42 |
M52×2 |
36 |
42 |
36 |
12 |
51 |
63 |
56 |
40 |
60 |
50 |
— |
||
|
S |
63 |
6 |
M14×1.5 |
4 |
6 |
2.5 |
9 |
23 |
31 |
27 |
16 |
17 |
12 |
14 |
|
8 |
M16×1.5 |
5 |
8 |
4 |
9 |
24 |
32 |
27.5 |
17 |
19 |
14 |
17 |
||
|
10 |
M18×1.5 |
7 |
10 |
5 |
9 |
25 |
34 |
30 |
17.5 |
22 |
17 |
19 |
||
|
12 |
M20×1.5 |
8 |
12 |
6 |
9 |
26 |
35 |
31 |
18.5 |
24 |
17 |
22 |
||
|
(14) |
M22×1.5 |
9 |
14 |
7 |
10 |
29 |
38 |
34 |
21.5 |
27 |
22 |
— |
||
|
40 |
16 |
M24×1.5 |
12 |
16 |
10 |
11 |
33 |
43 |
36.5 |
24.5 |
30 |
24 |
— |
|
|
20 |
M30×2 |
16 |
20 |
12 |
12 |
37 |
48 |
44.5 |
26.5 |
36 |
27 |
— |
||
|
25 |
M36×2 |
20 |
25 |
16 |
14 |
45 |
57 |
50 |
33 |
46 |
36 |
— |
||
|
25 |
30 |
M42×2 |
25 |
30 |
22 |
16 |
49 |
62 |
55 |
35.5 |
50 |
41 |
— |
|
|
38 |
M52×2 |
32 |
38 |
28 |
18 |
57 |
72 |
63 |
41 |
60 |
50 |
— |
||
|
注:尽可能不采用括号内的规格。 |
||||||||||||||


